Запчасти Komatsu D37EX-22 ЧАСТИ КОРПУСА (№-) ЧАСТИ КОРПУСА

Схема запчастей Komatsu D37EX-22 - ЧАСТИ КОРПУСА (№-) ЧАСТИ КОРПУСА
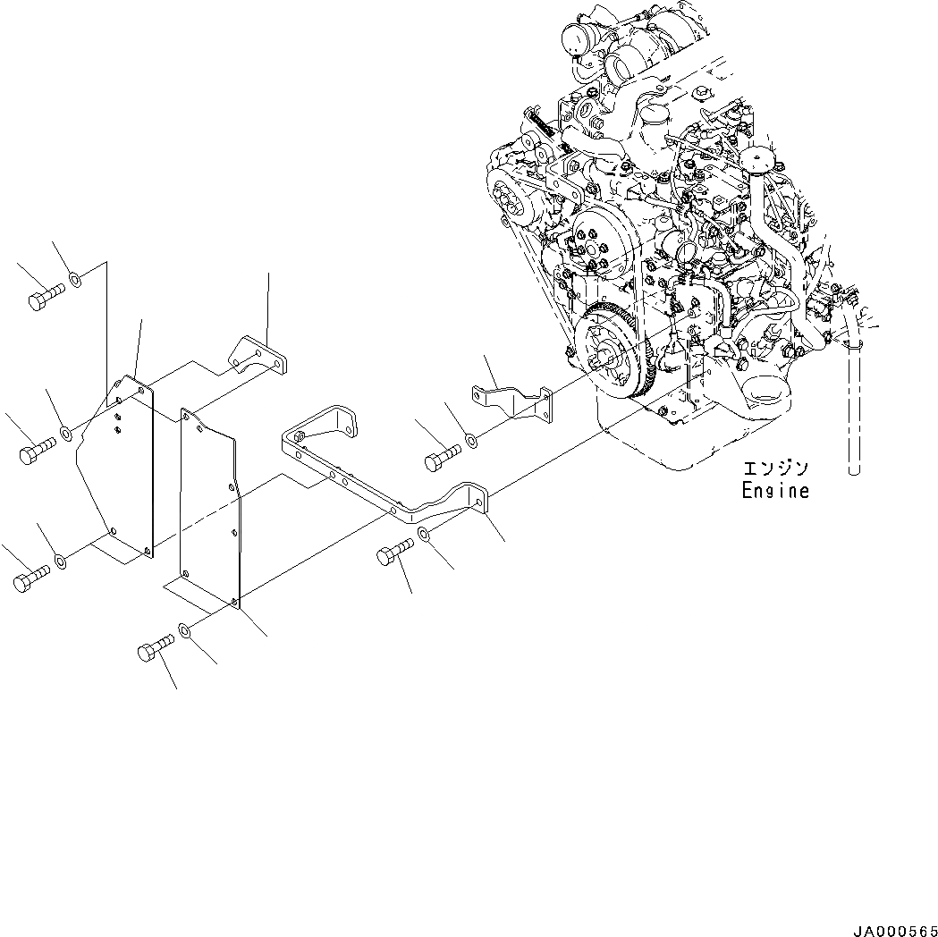
1
2
3
4
5
6
7
8
9
10
11
12
13
14
15
9
8
FIT
1:1
100%

Артикул

Название

Примечание

Количество

1

11Y-01-32791

Bracket

SN: 60001-UP

1шт.

2

01010-81030

Bolt

SN: 60001-UP

2шт.

3

01643-31032

Washer

SN: 60001-UP

2шт.

4

11Y-01-32761

Bracket

SN: 60001-UP

1шт.

5

01010-80820

Bolt

SN: 60001-UP

2шт.

6

01643-30823

Washer

SN: 60001-UP

2шт.

7

11Y-01-32771

Cover

SN: 60001-UP

1шт.

8

01010-81025

Bolt

SN: 60001-UP

3шт.

9

01643-31032

Washer

SN: 60001-UP

3шт.

10

11Y-01-32781

Plate

SN: 60001-UP

1шт.

11

01010-81025

Bolt

SN: 60001-UP

3шт.

12

01643-31032

Washer

SN: 60001-UP

3шт.

13

11Y-01-32940

Bracket

SN: 60001-UP

1шт.

14

01010-81035

Bolt

SN: 60001-UP

2шт.

15

01643-31032

Washer

SN: 60001-UP

2шт.

Выбрано товаров: 15