Запчасти Komatsu D37EX-23 УПРАВЛЯЮЩ. КЛАПАН, КОРПУС И ПАТРУБОК (№8-) УПРАВЛЯЮЩ. КЛАПАН, БЕЗ ЗАДН. -НАВЕСН. ОБОРУД

Схема запчастей Komatsu D37EX-23 - УПРАВЛЯЮЩ. КЛАПАН, КОРПУС И ПАТРУБОК (№8-) УПРАВЛЯЮЩ. КЛАПАН, БЕЗ ЗАДН. -НАВЕСН. ОБОРУД
9
9
10
10
12
13
18
2
2
5
5
4
16
17
4
16
17
16
17
1
1
3
3
6
7
8
8
14
15
16
17
14
15
14
15
14
14
11
FIT
1:1
100%

Артикул

Название

Примечание

Количество

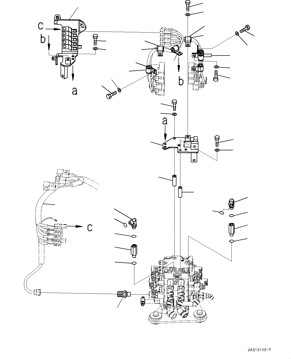
1

201-62-65530

Adapter

SN: 80001-UP

2шт.

2

07002-11423

O-ring

SN: 80001-UP

2шт.

3

02782-10311

Elbow

SN: 80001-UP

2шт.

4

02896-11009

O-ring

SN: 80001-UP

2шт.

5

07002-11423

O-ring

SN: 80001-UP

2шт.

6

7861-93-1812

Sensor, Pressure,Work Equipment Pump

SN: 80001-UP

1шт.

6

07002-61823

O-ring

SN: 80001-UP

1шт.

7

11Y-06-41850

Bracket

SN: 80001-UP

1шт.

8

11Y-06-41880

Collar

SN: 80001-UP

2шт.

9

01010-80870

Bolt

SN: 80001-UP

2шт.

10

01643-30823

Washer

SN: 80001-UP

2шт.

11

11Y-06-41861

Bracket

SN: 80001-UP

1шт.

12

01010-80820

Bolt

SN: 80001-UP

2шт.

13

01643-30823

Washer

SN: 80001-UP

2шт.

14

04434-51710

Clip

SN: 80001-UP

8шт.

15

07095-20211

Cushion

SN: 80001-UP

8шт.

16

01010-81020

Bolt

SN: 80001-UP

7шт.

17

01643-31032

Washer

SN: 80001-UP

7шт.

18

11Y-06-41371

Wiring Harness

SN: UP

-1шт.

Выбрано товаров: 0