Запчасти Komatsu D37EX-23 КАБИНА, КОНДИЦ. ВОЗДУХА КРЫШКА(№8-) КАБИНА, С AM-FM STEREO РАДИО С AUX ФИКСИР., ЕСКАНАТ И ASIA, МАСТЕР КЛЮЧ

Схема запчастей Komatsu D37EX-23 - КАБИНА, КОНДИЦ. ВОЗДУХА КРЫШКА(№8-) КАБИНА, С AM-FM STEREO РАДИО С AUX ФИКСИР., ЕСКАНАТ И ASIA, МАСТЕР КЛЮЧ
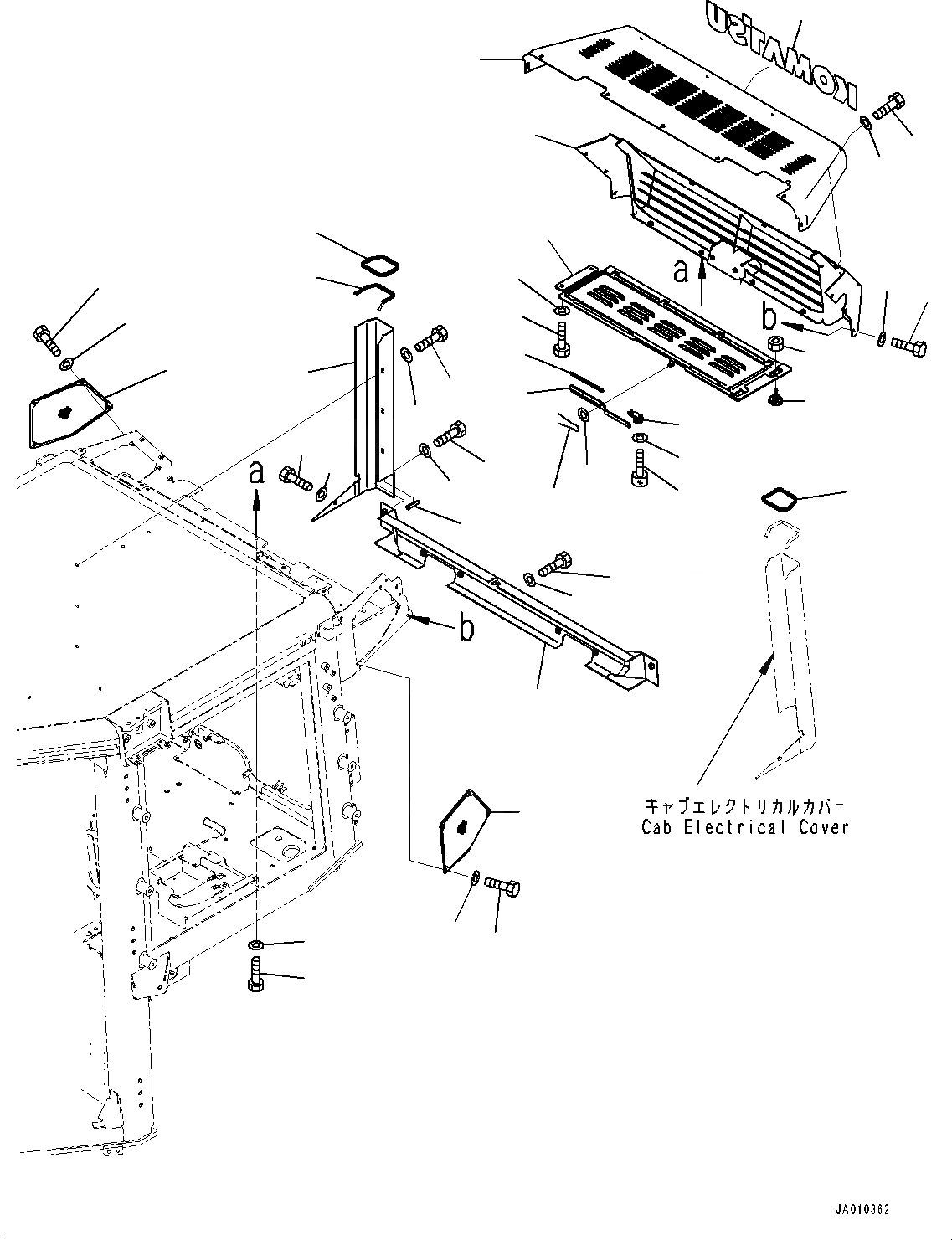
30
29
28
32
33
31
4
5
6
5
6
8
9
10
20
12
13
14
7
7
13
14
11
10
9
3
2
1
34
15
16
17
18
19
21
22
23
24
25
26
27
FIT
1:1
100%

Артикул

Название

Примечание

Количество

1

12Y-979-6610

Cover

SN: 80001-UP

1шт.

2

01010-D0820

Bolt

SN: 80001-UP

11шт.

3

01643-70823

Washer

SN: 80001-UP

11шт.

4

12Y-979-6621

Cover

SN: 80001-UP

1шт.

5

01010-D0820

Bolt

SN: 80001-UP

10шт.

6

01643-70823

Washer

SN: 80001-UP

10шт.

7

12Y-979-1690

Trim

SN: 80001-UP

2шт.

8

12Y-979-1652

Cover

SN: 80001-UP

1шт.

9

01010-D0820

Bolt

SN: 80001-UP

4шт.

10

01643-70823

Washer

SN: 80001-UP

4шт.

11

12Y-979-1860

Seal

SN: 80001-UP

1шт.

12

11Y-Z79-3611

Cover

SN: 80001-UP

1шт.

13

01010-D0820

Bolt

SN: 80001-UP

5шт.

14

01643-70823

Washer

SN: 80001-UP

5шт.

15

12Y-979-6660

Cover

SN: 80001-UP

1шт.

16

01010-D0830

Bolt

SN: 80001-UP

2шт.

17

01643-70823

Washer

SN: 80001-UP

2шт.

18

12Y-979-1782

Knob

SN: 80001-UP

2шт.

19

01598-00809

Nut

SN: 80001-UP

2шт.

20

12Y-978-3492

Trim

SN: 80001-UP

1шт.

21

12Y-979-6711

Plate

SN: 80001-UP

1шт.

22

04050-11612

Pin, Cotter

SN: 80001-UP

2шт.

23

01643-30623

Washer

SN: 80001-UP

2шт.

24

12Y-979-1751

Plate

SN: 80001-UP

1шт.

25

01252-80514

Bolt

SN: 80001-UP

2шт.

26

01641-50508

Washer

SN: 80001-UP

2шт.

27

12Y-06-13380

Seal

SN: 80001-UP

1шт.

28

12Y-979-6630

Cover

SN: 80001-UP

1шт.

29

01010-D0820

Bolt

SN: 80001-UP

4шт.

30

01643-70823

Washer

SN: 80001-UP

4шт.

31

12Y-979-6640

Cover

SN: 80001-UP

1шт.

32

01010-D0820

Bolt

SN: 80001-UP

4шт.

33

01643-70823

Washer

SN: 80001-UP

4шт.

34

09690-F0710

Plate, Komatsu Logo

SN: 80001-UP

1шт.

Выбрано товаров: 34