Запчасти Komatsu D37EX-23 КАБИНА, POTENTIOMETER (№8-) КАБИНА, С AM-FM STEREO РАДИО С AUX ФИКСИР., ЕСКАНАТ И ASIA, МАСТЕР КЛЮЧ

Схема запчастей Komatsu D37EX-23 - КАБИНА, POTENTIOMETER (№8-) КАБИНА, С AM-FM STEREO РАДИО С AUX ФИКСИР., ЕСКАНАТ И ASIA, МАСТЕР КЛЮЧ
1
2
3
4
5
1
1
FIT
1:1
100%

Артикул

Название

Примечание

Количество

|$0

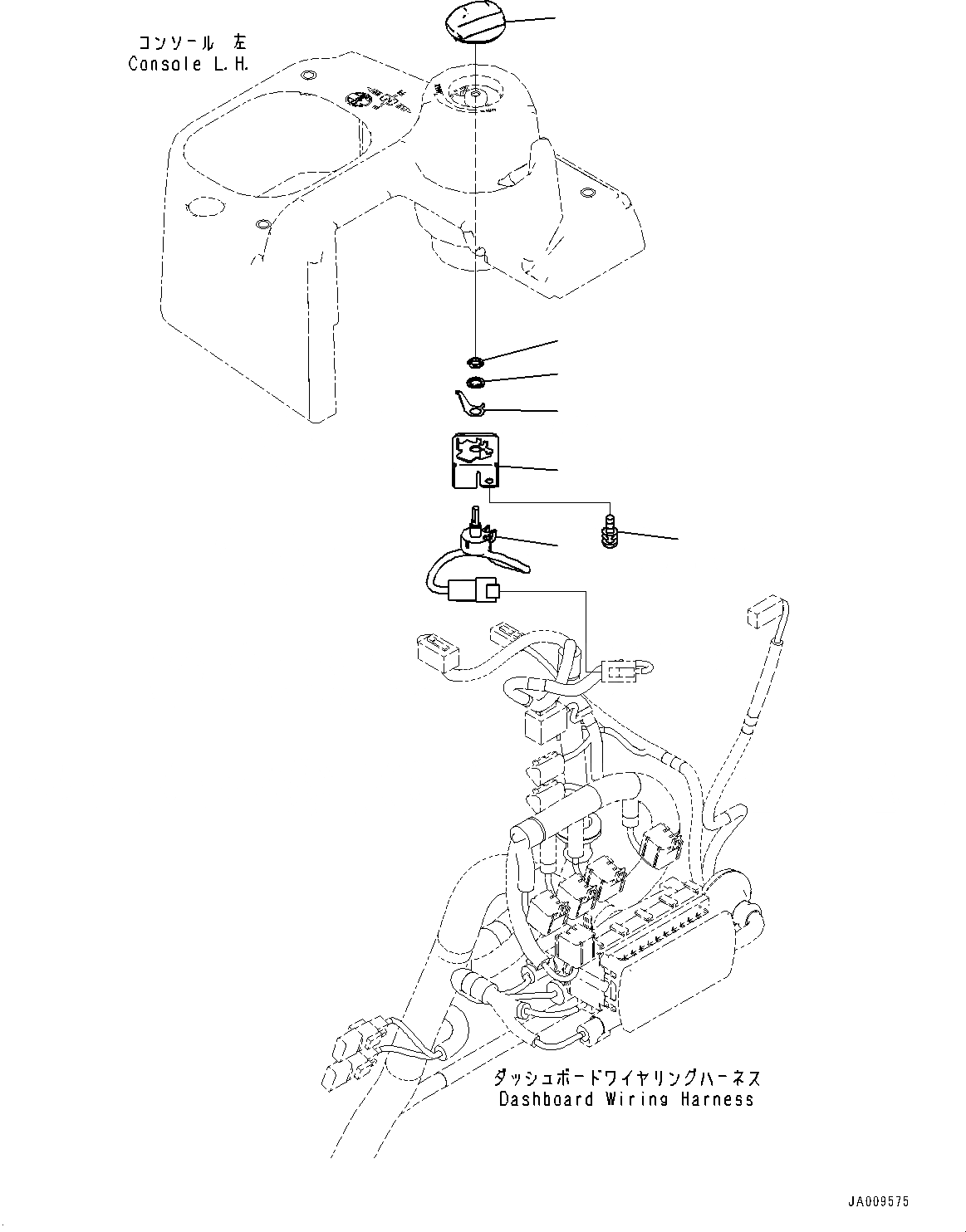
12Y-06-11611

Potentiometer Assembly

SN: 80001-UP

1шт.

1

Potentiometer

SN: 80001-UP

1шт.

2

12Y-06-11631

Bracket

SN: 80001-UP

1шт.

3

22U-06-22460

Spring

SN: 80001-UP

1шт.

4

20Y-43-41781

Knob

SN: 80001-UP

1шт.

5

01023-60512

Screw

SN: 80001-UP

2шт.

Выбрано товаров: 6