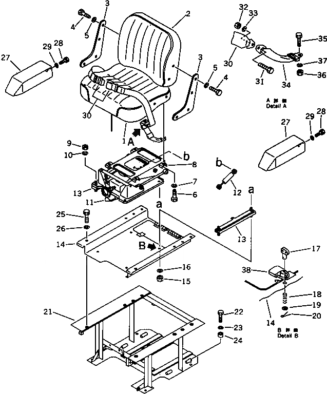
Запчасти Komatsu D37P-5A СИДЕНЬЕ ОПЕРАТОРА (С МАСЛ. ДЕМПФЕР)(№-) КАБИНА ОПЕРАТОРА И СИСТЕМА УПРАВЛЕНИЯ

Схема запчастей Komatsu D37P-5A - СИДЕНЬЕ ОПЕРАТОРА (С МАСЛ. ДЕМПФЕР)(№-) КАБИНА ОПЕРАТОРА И СИСТЕМА УПРАВЛЕНИЯ
FIT
1:1
100%

Артикул

Название

Примечание

Количество

1

113-57-42420

CUSHION

SN: 3001-3152

1шт.

2

103-57-31420

CUSHION,BACK

SN: 3001-3152

1шт.

3

120-57-31461

PLATE

SN: 3001-3152

2шт.

4

01010-81020

BOLT

SN: 3001-3152

8шт.

5

01602-21030

WASHER,SPRING

SN: 3001-3152

8шт.

6

01010-81020

BOLT

SN: 3001-3152

4шт.

7

01602-21030

WASHER,SPRING

SN: 3001-3152

4шт.

8

113-57-42100

SUSPENSION ASS'Y

SN: 3001-3152

1шт.

9

01580-11210

NUT

SN: 3001-3152

4шт.

10

01602-21236

WASHER,SPRING

SN: 3001-3152

4шт.

11

09304-00835

KNOB

SN: 3001-3152

1шт.

12

120-57-31411

DAMPER,OIL

SN: 3001-3152

1шт.

13

155-57-12150

ADJUSTER

SN: 3001-3152

2шт.

14

113-57-41212

PLATE

SN: 3001-@

1шт.

|14

113-57-49242

PLATE,(FOR TOWING WINCH) (D37P)

SN: 3001-@

1шт.

15

01580-11210

NUT

SN: 3001-@

4шт.

16

01643-31232

WASHER

SN: 3001-@

4шт.

17

09459-11033

LOCK

SN: 3001-@

1шт.

18

09459-01614

SPRING

SN: 3001-@

1шт.

19

01642-01016

WASHER

SN: 3001-@

1шт.

20

04050-13015

PIN,COTTER

SN: 3001-@

1шт.

21

114-57-48111

FRAME

SN: 3001-@

1шт.

|21

114-57-49132

FRAME,(FOR REAR ATTACHMENT) (D37P)

SN: 3001-@

1шт.

22

01010-81460

BOLT

SN: 3001-@

4шт.

23

01643-31445

WASHER

SN: 3001-@

4шт.

24

198-21-12240

BOSS

SN: 3001-@

4шт.

25

01010-81025

BOLT

SN: 3001-@

6шт.

26

01643-31032

WASHER

SN: 3001-@

6шт.

27

114-57-41140

REST,ARM

SN: 3001-@

2шт.

28

01010-81020

BOLT

SN: 3001-@

2шт.

29

01643-31032

WASHER

SN: 3001-@

2шт.

30

09409-10001

BELT¤ LAP

SN: 3001-@

1шт.

31

0

BOLT

SN: 3001-@

2шт.

32

0

NUT

SN: 3001-@

2шт.

33

0

WASHER,SPRING

SN: 3001-@

2шт.

34

09409-20000

BELT¤ TETHER

SN: 3001-@

2шт.

35

0

BOLT

SN: 3001-@

1шт.

36

0

NUT

SN: 3001-@

1шт.

37

0

WASHER,SPRING

SN: 3001-@

1шт.

38

09460-00000

LOCK

SN: 3001-@

1шт.

Выбрано товаров: 40