Запчасти Komatsu D37P-5A ДЕМПФЕР КОМПОНЕНТЫ ДВИГАТЕЛЯ

Схема запчастей Komatsu D37P-5A - ДЕМПФЕР КОМПОНЕНТЫ ДВИГАТЕЛЯ
FIT
1:1
100%

Артикул

Название

Примечание

Количество

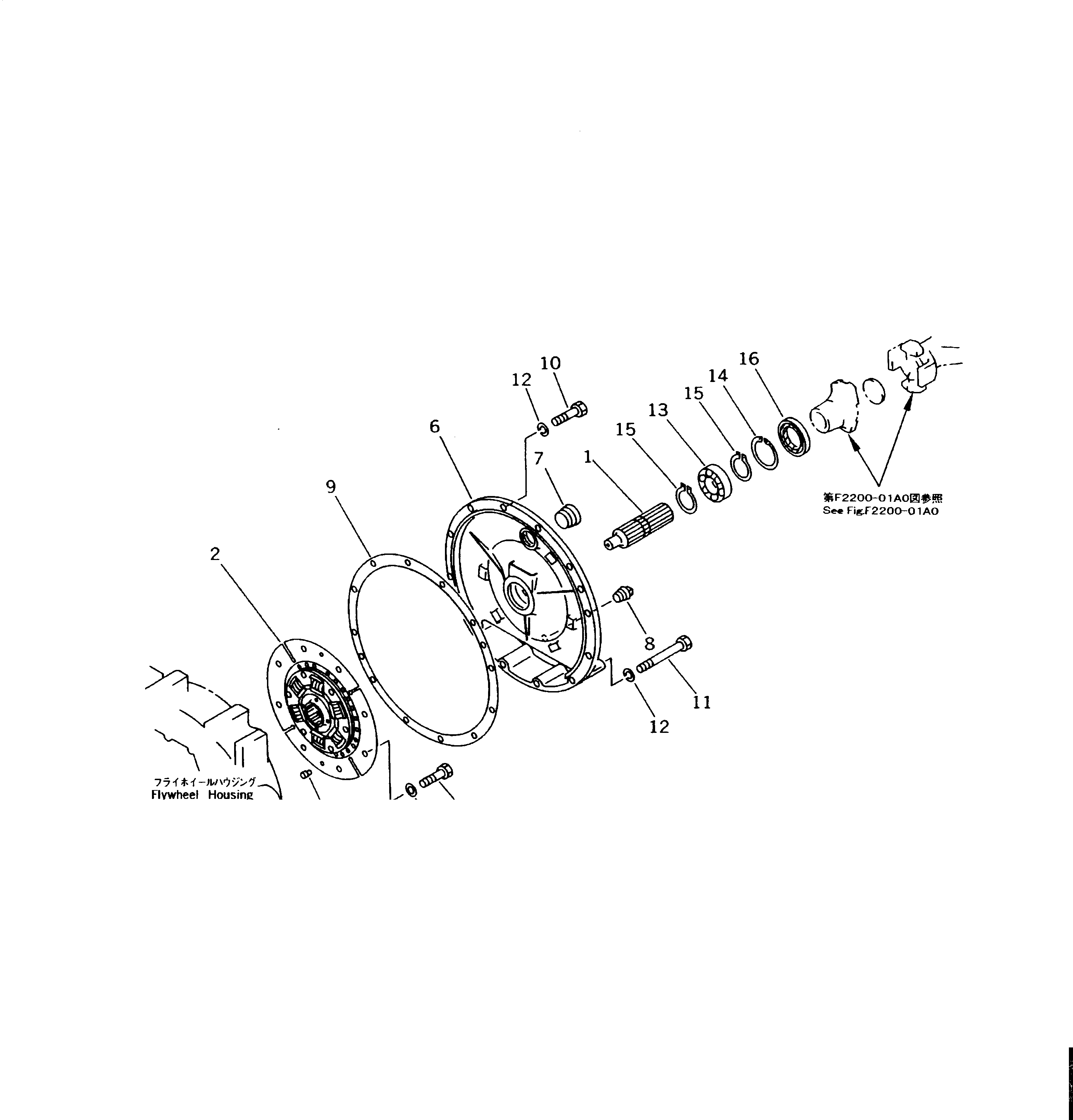
1

113-12-42110

SHAFT

SN: 3001-UP

1шт.

2

113-12-42201

DAMPER DISC ASS'Y

SN: 3153-UP

1шт.

|2

0

DAMPER DISC ASS'Y

SN: 3001-3152

1шт.

3

203-01-51120

PIN

SN: 3001-UP

2шт.

4

01010-51020

BOLT

SN: 3001-UP

8шт.

5

01643-31032

WASHER

SN: 3001-UP

8шт.

|6

113-12-00041

COVER ASS'Y

SN: 3001-UP

1шт.

6

0

COVER

SN: 3001-UP

1шт.

7

07043-01019

PLUG

SN: 3001-UP

1шт.

8

07042-20312

PLUG

SN: 3001-UP

1шт.

9

113-12-31121

GASKET

SN: 3153-UP

1шт.

|9

0

GASKET

SN: 3001-3152

1шт.

10

01010-51030

BOLT

SN: 3001-UP

8шт.

11

01011-51005

BOLT

SN: 3001-UP

4шт.

12

01602-21030

WASHER,SPRING

SN: 3001-UP

12шт.

13

06000-06009

BEARING

SN: 3001-UP

1шт.

14

04065-07525

RING,SNAP

SN: 3001-UP

1шт.

15

04064-04518

RING,SNAP

SN: 3001-UP

2шт.

16

07012-10060

SEAL,OIL

SN: 3001-UP

1шт.

Выбрано товаров: 19