Запчасти Komatsu D37P-5A ТРАНСМИССИЯ (НАСОС) (7/7) СИЛОВАЯ ПЕРЕДАЧА И КОНЕЧНАЯ ПЕРЕДАЧА

Схема запчастей Komatsu D37P-5A - ТРАНСМИССИЯ (НАСОС) (7/7) СИЛОВАЯ ПЕРЕДАЧА И КОНЕЧНАЯ ПЕРЕДАЧА
FIT
1:1
100%

Артикул

Название

Примечание

Количество

|1

114-15-00036

TRANSMISSION ASS'Y

SN: 3661-UP

1шт.

|1

114-15-00035

TRANSMISSION ASS'Y

SN: 3049-3660

1шт.

|1

0

TRANSMISSION ASS'Y

SN: 3001-3048

1шт.

|$$4

THESE ASSEMBLIES CONSIST OF ALL PARTS SHOWN IN FIGS.F2320-51A0 TO F2320-59A0.

-1шт.

|1

114-15-51010

TRANSMISSION ASS'Y

SN: 3661-UP

1шт.

|1

114-15-00511

TRANSMISSION ASS'Y

SN: 3049-3660

1шт.

|1

0

TRANSMISSION ASS'Y

SN: 3001-3048

1шт.

|$$8

THESE ASSEMBLIES CONSIST OF ALL PARTS SHOWN IN FIGS.F2320-51A0 TO F2320-55A0 AND F2320-57A0 TO F2320-59A0.

-1шт.

|1

113-15-00470

PUMP ASS'Y

SN: 3001-UP

1шт.

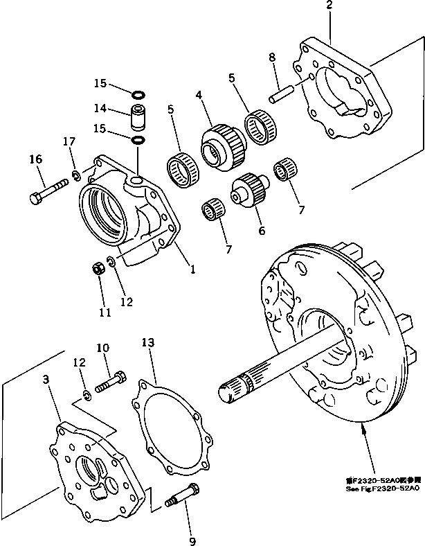
1

113-15-24810

HOUSING

SN: 3001-UP

1шт.

2

113-15-24820

CASE

SN: 3001-UP

1шт.

3

113-15-34830

BRACKET

SN: 3001-UP

1шт.

4

113-15-24840

GEAR

SN: 3001-UP

1шт.

5

113-15-29420

BEARING

SN: 3001-UP

2шт.

6

113-15-24850

GEAR

SN: 3001-UP

1шт.

7

113-15-29460

BEARING

SN: 3001-UP

2шт.

8

113-15-24880

PIN,DOWEL

SN: 3001-UP

1шт.

9

113-15-24870

BOLT

SN: 3001-UP

1шт.

10

01010-80845

BOLT

SN: 3001-UP

3шт.

11

01580-10806

NUT

SN: 3001-UP

1шт.

12

01602-20825

WASHER,SPRING

SN: 3001-UP

4шт.

13

113-15-24860

GASKET (K1)

SN: 3001-UP

1шт.

14

103-15-31770

SLEEVE

SN: 3001-UP

1шт.

15

07000-72014

O-RING (K1)

SN: 3001-UP

2шт.

16

01010-80855

BOLT

SN: 3001-UP

7шт.

17

01602-20825

WASHER,SPRING

SN: 3001-UP

7шт.

Выбрано товаров: 26