Запчасти Komatsu D37PG-5A ПЕДАЛЬ ТОРМОЗА (С СТАЛЬНАЯ КАБИНА) (ДЛЯ ЯПОН.) КАБИНА ОПЕРАТОРА И СИСТЕМА УПРАВЛЕНИЯ

Схема запчастей Komatsu D37PG-5A - ПЕДАЛЬ ТОРМОЗА (С СТАЛЬНАЯ КАБИНА) (ДЛЯ ЯПОН.) КАБИНА ОПЕРАТОРА И СИСТЕМА УПРАВЛЕНИЯ
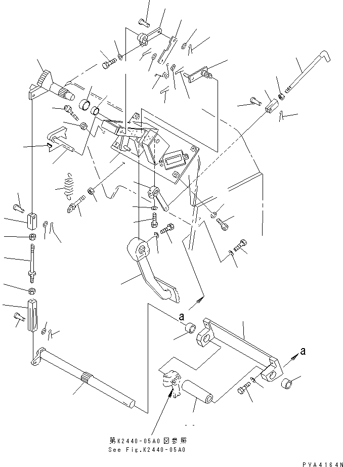
1
2
3
4
5
6
7
8
9
10
11
12
13
14
15
16
17
18
19
19
20
20
21
22
23
24
25
26
27
28
29
30
31
32
33
34
35
36
36
37
37
38
39
40
41
42
43
44
45
46
47
48
49
50
51
52
52
53
FIT
1:1
100%

Артикул

Название

Примечание

Количество

1

114-43-51480

BRACKET

SN: 3661-UP

1шт.

|1

114-43-44210

BRACKET

SN: 3001-3660

1шт.

2

09350-03020

BUSHING

SN: 3001-UP

1шт.

3

09350-02520

BUSHING

SN: 3001-UP

1шт.

4

01010-51030

BOLT

SN: 3001-UP

2шт.

5

01602-21030

WASHER,SPRING

SN: 3001-UP

2шт.

6

113-43-38210

PEDAL

SN: 3001-UP

1шт.

7

114-43-44220

LEVER

SN: 3001-UP

1шт.

8

01010-51030

BOLT

SN: 3001-UP

1шт.

9

01602-21030

WASHER,SPRING

SN: 3001-UP

1шт.

10

113-43-21340

BUMPER

SN: 3001-UP

1шт.

11

01580-11008

NUT

SN: 3001-UP

1шт.

12

04248-31216

ROD

SN: 3001-UP

1шт.

13

113-43-21680

YOKE,L.H. THREAD

SN: 3001-UP

1шт.

14

01508-41207

NUT,L.H. THREAD

SN: 3001-UP

1шт.

15

20D-43-16181

YOKE

SN: 3001-UP

1шт.

16

01582-11210

NUT

SN: 3001-UP

1шт.

17

103-43-21170

PIN

SN: 3001-UP

1шт.

18

04205-11030

PIN

SN: 3001-UP

1шт.

19

01641-21016

WASHER

SN: 3001-UP

2шт.

20

04050-13020

PIN,COTTER

SN: 3001-UP

2шт.

21

230-43-14151

SPRING

SN: 3001-UP

1шт.

22

113-43-31430

BOLT

SN: 3001-UP

1шт.

23

01580-11008

NUT

SN: 3001-UP

1шт.

24

113-43-38571

SHAFT

SN: 3001-UP

1шт.

25

114-43-44230

LEVER

SN: 3001-UP

1шт.

26

04010-00516

KEY

SN: 3001-UP

1шт.

27

114-43-44250

LEVER

SN: 3001-UP

1шт.

28

01010-50830

BOLT

SN: 3001-UP

1шт.

29

01643-30823

WASHER

SN: 3001-UP

1шт.

30

103-43-32320

PLATE

SN: 3001-UP

1шт.

31

04205-10820

PIN

SN: 3001-UP

1шт.

32

01643-30823

WASHER

SN: 3001-UP

1шт.

33

04050-12015

PIN,COTTER

SN: 3001-UP

1шт.

34

114-43-44240

LEVER

SN: 3001-UP

1шт.

35

09463-00006

SPRING

SN: 3001-UP

1шт.

36

01643-30823

WASHER

SN: 3001-UP

2шт.

37

04050-11612

PIN,COTTER

SN: 3001-UP

2шт.

38

04050-11610

PIN,COTTER

SN: 3001-UP

1шт.

39

114-43-44260

LEVER

SN: 3001-UP

1шт.

40

01010-50830

BOLT

SN: 3001-UP

1шт.

41

01643-30823

WASHER

SN: 3001-UP

1шт.

42

114-43-48351

HANDLE

SN: 3001-UP

1шт.

43

04210-20832

YOKE

SN: 3001-UP

1шт.

44

01580-10806

NUT

SN: 3001-UP

1шт.

45

04205-10822

PIN

SN: 3001-UP

1шт.

46

04050-12015

PIN,COTTER

SN: 3001-UP

1шт.

47

113-43-31171

BRACKET

SN: 3001-UP

1шт.

48

09350-02820

BUSHING

SN: 3001-UP

1шт.

49

09350-03020

BUSHING

SN: 3001-UP

1шт.

50

01010-51040

BOLT

SN: 3001-UP

2шт.

51

01010-51030

BOLT

SN: 3001-UP

2шт.

52

01602-21030

WASHER,SPRING

SN: 3001-UP

4шт.

53

114-43-48710

COLLAR

SN: 3001-UP

1шт.

Выбрано товаров: 54