Запчасти Komatsu D37PG-5A МАРКИРОВКА (ЯПОН.)(№-) МАРКИРОВКА

Схема запчастей Komatsu D37PG-5A - МАРКИРОВКА (ЯПОН.)(№-) МАРКИРОВКА
FIT
1:1
100%

Артикул

Название

Примечание

Количество

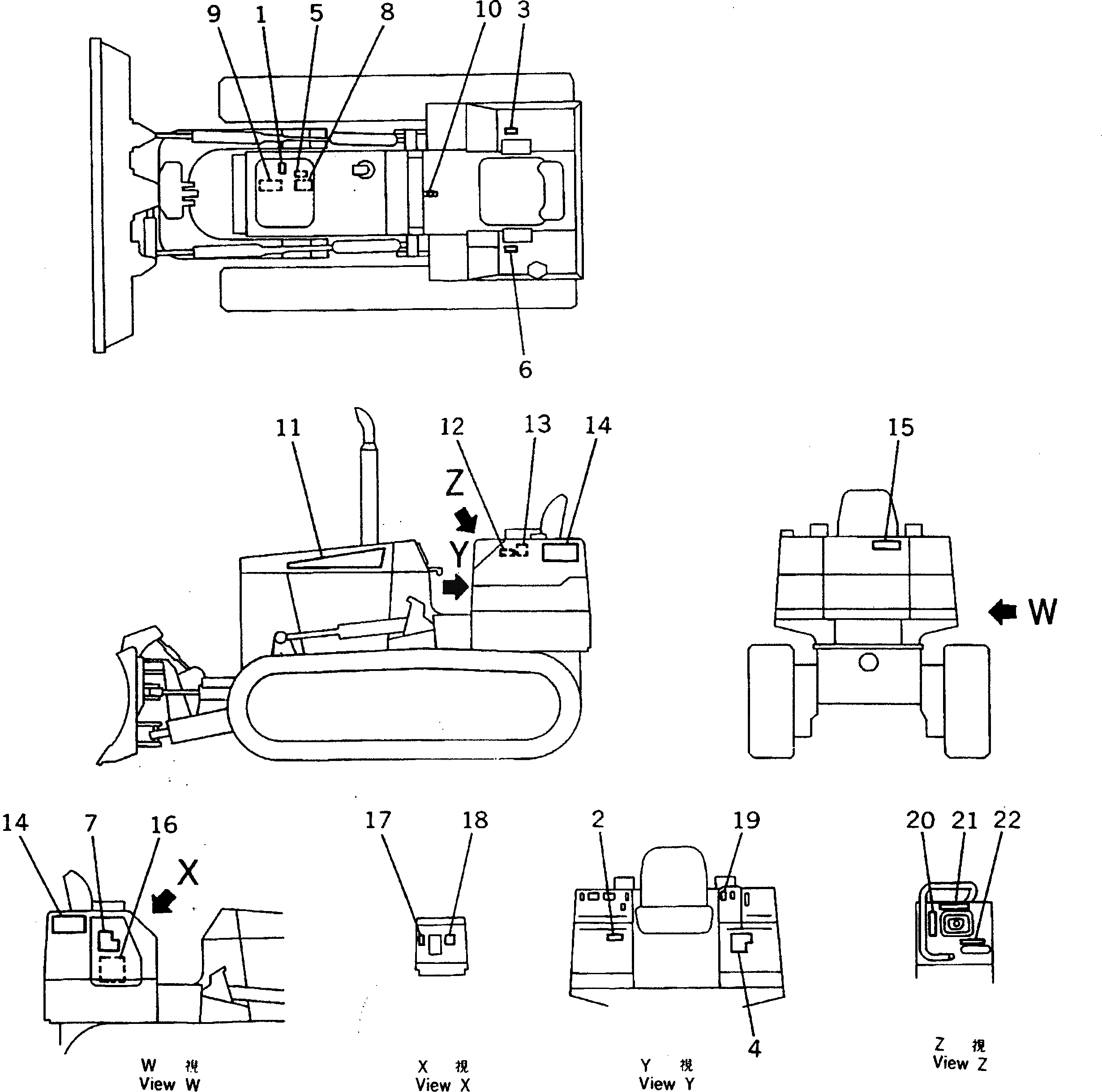
|1

114-98-44111

PLATE KIT

SN: 3001-3541

1шт.

1

0

PLATE¤ SAFETY,ENGINE ROOM

SN: 3001-3541

1шт.

2

0

PLATE¤ SAFETY,INSPECTION AND MAINTENANCE

SN: 3001-3541

1шт.

3

0

PLATE¤ SAFETY,BEFORE OPERATING

SN: 3001-3541

1шт.

4

0

PLATE¤ SAFETY,TRACK ADJUSTING

SN: 3001-3541

1шт.

5

0

PLATE¤ SAFETY,RADIATOR WARNING

SN: 3001-3541

1шт.

6

0

PLATE¤ CAUTION,FUEL TANK

SN: 3001-3541

1шт.

7

0

PLATE¤ SAFETY,HYDRAULIC TANK¤ FILTER

SN: 3001-3541

1шт.

8

0

PLATE¤ INSTRUCTION,RADIATOR

SN: 3001-3541

1шт.

9

0

PLATE¤ INSTRUCTION,AIR CLEANER

SN: 3001-3541

1шт.

10

114-98-44250

PLATE¤ OPERATING,PARKING BRAKE LEVER LOCK

SN: 3001-@

1шт.

11

114-98-44420

PLATE¤ MARK,KOMATSU¤ L.H.

SN: 3001-@

1шт.

|11

114-98-44430

PLATE¤ MARK,KOMATSU¤ R.H.

SN: 3001-@

1шт.

12

09601-00835

PLATE¤ NAME,(LIMITED SUPPLY)

SN: 3001-@

1шт.

|12

04418-13060

SCREW

SN: 3001-@

4шт.

13

11G-98-43950

PLATE¤ DATA

SN: 3001-@

1шт.

14

11G-98-43971

PLATE¤ MARK,D37PG

SN: 3001-@

2шт.

15

09690-C0224

PLATE¤ MARK,KOMATSU

SN: 3001-@

1шт.

16

114-98-43131

CHART¤ OIL

SN: 3001-@

1шт.

17

114-98-44250

PLATE¤ OPERATING,BLADE CONTROL LEVER LOCK

SN: 3001-@

1шт.

18

114-54-48611

PLATE¤ OPERATING,BLADE CONTROL LEVER

SN: 3001-@

1шт.

19

114-98-44250

PLATE¤ OPERATING,T/M CONTROL LEVER LOCK

SN: 3001-@

1шт.

20

114-98-44170

PLATE¤ OPERATING,STEERING CONTROL LEVER

SN: 3001-@

1шт.

21

114-98-44180

PLATE¤ OPERATING,STEERING CONTROL LEVER

SN: 3001-@

1шт.

22

114-98-44220

PLATE¤ OPERATING,GEAR SHIFT CONTROL LEVER

SN: 3001-@

1шт.

Выбрано товаров: 25