Запчасти Komatsu D37PG-5A КЛАПАН ТРАНСМИССИИ (MODULATION) СИЛОВАЯ ПЕРЕДАЧА И КОНЕЧНАЯ ПЕРЕДАЧА

Схема запчастей Komatsu D37PG-5A - КЛАПАН ТРАНСМИССИИ (MODULATION) СИЛОВАЯ ПЕРЕДАЧА И КОНЕЧНАЯ ПЕРЕДАЧА
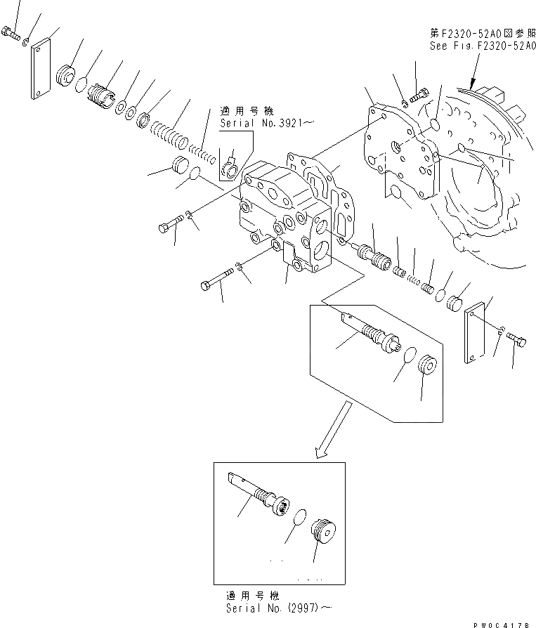
1
2
3
4
5
6
7
8
9
10
11
12
12
13
13
13A
14
14
14
15
15
16
16
17
17
18
18
19
20
20
20
21
22
23
24
25
25A
26
27
27
28
29
FIT
1:1
100%

Артикул

Название

Примечание

Количество

|$$1

SERIAL NO. IN ( ) INDICATES TRANSMISSION SERIAL NO.

-1шт.

|1

114-15-00036

TRANSMISSION ASS'Y

SN: 3661-UP

1шт.

|1

114-15-00035

TRANSMISSION ASS'Y

SN: 3049-3660

1шт.

|1

0

TRANSMISSION ASS'Y

SN: 3001-3048

1шт.

|$$5

THESE ASSEMBLIES CONSIST OF ALL PARTS SHOWN IN FIGS.F2320-51A0 TO F2320-59A0.

-1шт.

|1

114-15-51010

TRANSMISSION ASS'Y

SN: 3661-UP

1шт.

|1

114-15-00511

TRANSMISSION ASS'Y

SN: 3049-3660

1шт.

|1

0

TRANSMISSION ASS'Y

SN: 3001-3048

1шт.

|$$9

THESE ASSEMBLIES CONSIST OF ALL PARTS SHOWN IN FIGS.F2320-51A0 TO F2320-55A0 AND F2320-57A0 TO F2320-59A0.

-1шт.

|1

113-15-00483

VALVE ASS'Y,MODULATION

SN: 3049-UP

1шт.

|1

0

VALVE ASS'Y,MODULATION

SN: 3001-3048

1шт.

1

104-15-25110

BODY

SN: 3001-UP

1шт.

2

104-15-25210

SPOOL

SN: 3001-UP

1шт.

3

104-15-25290

SPRING¤ (L= 62.0)

SN: 3001-UP

1шт.

4

113-15-45280

SPRING

SN: 3001-UP

1шт.

5

113-15-35220

VALVE

SN: 3001-UP

1шт.

6

113-15-25260

SHIM¤ 0.5MM

SN: 3001-UP

3шт.

7

113-15-25270

SHIM¤ 0.2MM

SN: 3001-UP

2шт.

8

104-15-25260

SPACER

SN: 3001-UP

1шт.

9

104-15-25490

VALVE

SN: 3001-UP

1шт.

10

125-15-15290

SPRING

SN: 3001-UP

1шт.

11

104-15-25480

VALVE

SN: 3001-UP

1шт.

12

104-15-25323

SPOOL

SN: (2997)-UP

1шт.

|12

104-15-25322

SPOOL

SN: 3049-(2996)

1шт.

|12

0

SPOOL

SN: 3001-3048

1шт.

13

104-15-25330

STOPPER

SN: (2997)-UP

1шт.

|13

104-15-25330

STOPPER

SN: 3001-(2996)

2шт.

13A

124-15-55390

STOPPER

SN: (2997)-UP

1шт.

14

07000-73025

O-RING (K2)

SN: 3001-UP

2шт.

15

104-15-25340

STOPPER

SN: 3001-UP

2шт.

16

07000-72020

O-RING (K2)

SN: 3001-UP

2шт.

17

103-15-25350

PLATE

SN: 3001-UP

2шт.

18

01010-80820

BOLT

SN: 3001-UP

4шт.

19

01010-80860

BOLT

SN: 3001-UP

3шт.

20

01602-20825

WASHER,SPRING

SN: 3001-UP

7шт.

|21

113-15-00491

SEAT ASS'Y

SN: 3001-UP

1шт.

21

0

SEAT

SN: 3001-UP

1шт.

22

04260-00635

BALL

SN: 3001-UP

1шт.

23

104-15-25140

GASKET (K2)

SN: 3001-UP

1шт.

24

01010-81025

BOLT

SN: 3001-UP

2шт.

25

01602-21030

WASHER,SPRING

SN: 3001-UP

2шт.

25A

103-15-35270

SHIM¤ 0.5MM,SPRING

SN: 3921-UP

3шт.

26

07000-72014

O-RING (K2)

SN: 3001-UP

2шт.

27

07000-72018

O-RING (K2)

SN: 3001-UP

2шт.

28

01010-80870

BOLT

SN: 3001-UP

5шт.

29

01602-20825

WASHER,SPRING

SN: 3001-UP

5шт.

Выбрано товаров: 0