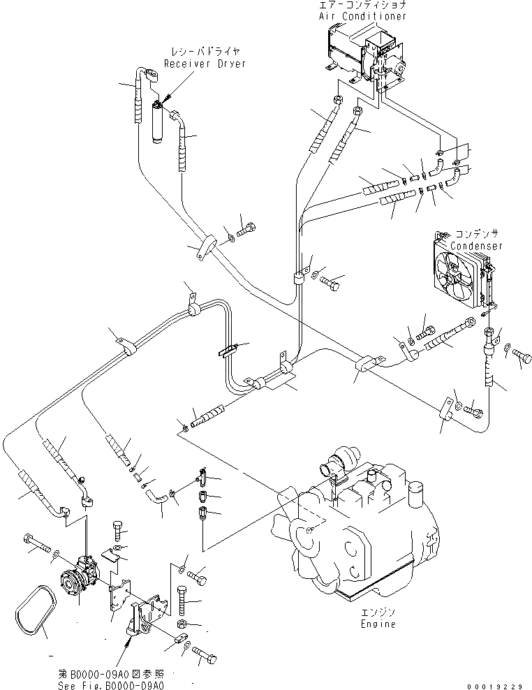
Запчасти Komatsu D37PX-21A-M КОНДИЦ. ВОЗДУХА (КОМПРЕССОР) КОМПОНЕНТЫ ДВИГАТЕЛЯ

Схема запчастей Komatsu D37PX-21A-M - КОНДИЦ. ВОЗДУХА (КОМПРЕССОР) КОМПОНЕНТЫ ДВИГАТЕЛЯ
1
2
3
4
5
6
7
7
8
9
10
11
12
12
13
13
14
14
15
15
16
16
17
17
18
18
19
19
19
20
20
20
20
20
20
20
20
21
22
23
24
25
25
25
25
26
26
26
26
27
27
27
27
28
29
30
31
31
32
33
34
35
36
37
FIT
1:1
100%

Артикул

Название

Примечание

Количество

1

20Y-979-3110

AIR COMPRESSOR A.

SN: 5501-UP

1шт.

2

04120-21743

V-BELT

SN: 5501-UP

1шт.

3

124-911-1314

BRACKET

SN: 5501-UP

1шт.

4

14X-911-8331

BLOCK

SN: 5501-UP

1шт.

5

01010-81230

BOLT

SN: 5501-UP

2шт.

6

01010-81260

BOLT

SN: 5501-UP

2шт.

7

01643-31232

WASHER

SN: 5501-UP

4шт.

8

01016-51090

BOLT

SN: 5501-UP

1шт.

9

01580-11008

NUT

SN: 5501-UP

1шт.

10

01010-80890

BOLT

SN: 5501-UP

3шт.

11

01643-30823

WASHER

SN: 5501-UP

3шт.

12

11Y-979-5522

HOSE,BLACK-WHITE

SN: 5501-UP

1шт.

|12

08017-32227

CONDUIT

SN: 5501-UP

1шт.

|12

08017-32803

CONDUIT

SN: 5501-UP

1шт.

|12

08024-21920

TAPE

SN: 5501-UP

1шт.

|12

08024-91920

TAPE

SN: 5501-UP

1шт.

13

11Y-979-5553

HOSE,BLACK-YELLOW

SN: 5501-UP

1шт.

|13

08017-32220

CONDUIT

SN: 5501-UP

1шт.

|13

08024-11920

TAPE

SN: 5501-UP

1шт.

|13

08024-41920

TAPE

SN: 5501-UP

1шт.

|13

08024-91920

TAPE

SN: 5501-UP

1шт.

|13

08034-20414

BAND

SN: 5501-UP

2шт.

14

11Y-979-5622

HOSE

SN: 5501-UP

1шт.

|14

20Y-979-3150

O-RING

SN: 5501-UP

2шт.

|14

08017-31509

CONDUIT

SN: 5501-UP

1шт.

|14

08024-31920

TAPE

SN: 5501-UP

1шт.

15

11Y-979-5662

HOSE

SN: 5501-UP

1шт.

|15

20Y-979-3150

O-RING

SN: 5501-UP

2шт.

|15

08017-31516

CONDUIT

SN: 5501-UP

1шт.

|15

08024-21920

TAPE

SN: 5501-UP

1шт.

16

11Y-979-5673

HOSE

SN: 5501-UP

1шт.

|16

20Y-979-3140

O-RING

SN: 5501-UP

2шт.

|16

08017-31931

CONDUIT

SN: 5501-UP

1шт.

|16

08024-51920

TAPE

SN: 5501-UP

1шт.

|16

08034-20414

BAND

SN: 5501-UP

2шт.

17

11Y-979-5712

HOSE

SN: 5501-UP

1шт.

|17

20Y-979-3130

O-RING

SN: 5501-UP

2шт.

|17

08017-32223

CONDUIT

SN: 5501-UP

1шт.

|17

08024-21920

TAPE

SN: 5501-UP

1шт.

|17

08034-20414

BAND

SN: 5501-UP

1шт.

18

09483-30450

HOSE

SN: 5501-UP

3шт.

19

09484-00450

CONNECTOR

SN: 5501-UP

2шт.

20

11Y-09-11160

CLIP

SN: 5501-UP

9шт.

21

11Y-979-5740

CONNECTOR

SN: 5501-UP

1шт.

22

203-977-4130

VALVE

SN: 5501-UP

1шт.

23

582-01-12910

NIPPLE

SN: 5501-UP

1шт.

24

6732-11-6110

ADAPTER

SN: 5501-UP

1шт.

25

21K-03-11190

CLIP

SN: 5501-UP

5шт.

26

01010-81016

BOLT

SN: 5501-UP

5шт.

27

01643-31032

WASHER

SN: 5501-UP

5шт.

28

04434-51910

CLIP

SN: 5501-UP

1шт.

29

04434-51510

CLIP

SN: 5501-UP

1шт.

30

04434-52511

CLIP

SN: 5501-UP

1шт.

31

04435-52210

CLIP

SN: 5501-UP

2шт.

32

01010-81016

BOLT

SN: 5501-UP

4шт.

33

01643-31032

WASHER

SN: 5501-UP

4шт.

34

11Y-979-5750

CLIP

SN: 5501-UP

1шт.

35

11Y-979-5181

COVER

SN: 5501-UP

1шт.

36

01010-80825

BOLT

SN: 5501-UP

1шт.

37

01643-30823

WASHER

SN: 5501-UP

1шт.

Выбрано товаров: 60