Запчасти Komatsu SAA4D95LE-6A KOMATSU ЗАКРЫТ.D CRANKКОРПУС ВЕНТИЛЯТОРILATION (KCCV) ТРУБЫ (№7-) KOMATSU ЗАКРЫТ.D CRANKКОРПУС ВЕНТИЛЯТОРILATION (KCCV) ТРУБЫ

Схема запчастей Komatsu SAA4D95LE-6A - KOMATSU ЗАКРЫТ.D CRANKКОРПУС ВЕНТИЛЯТОРILATION (KCCV) ТРУБЫ (№7-) KOMATSU ЗАКРЫТ.D CRANKКОРПУС ВЕНТИЛЯТОРILATION (KCCV) ТРУБЫ
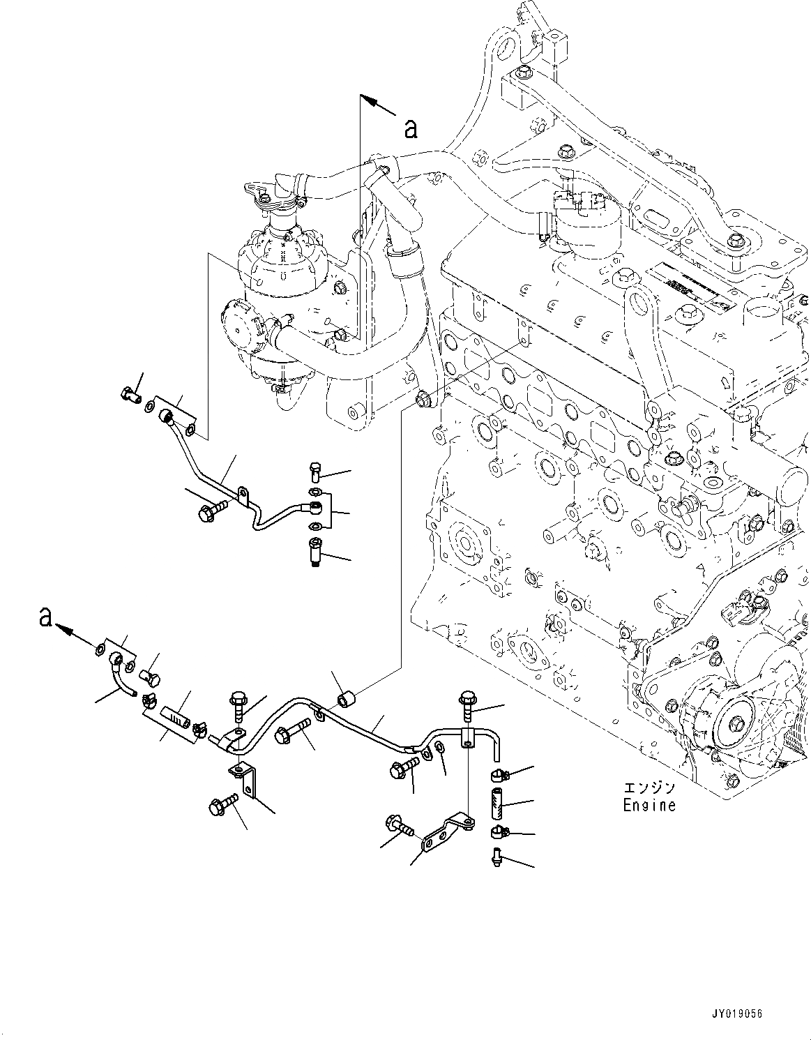
1
2
3
4
5
6
7
8
9
10
11
12
13
14
15
16
17
18
19
20
6
5
20
12
9
12
15
1
2
3
4
5
6
7
8
9
10
11
12
13
14
15
16
17
18
19
20
6
5
20
12
9
12
15
FIT
1:1
100%

Артикул

Название

Примечание

Количество

1

6275-61-7710

Nipple

SN: 700001-UP

1шт.

2

07003-01015

Gasket

SN: 700001-UP

2шт.

3

6934-72-7190

Bolt, Joint

SN: 700001-UP

1шт.

4

6275-61-7720

Tube

SN: 700001-UP

1шт.

5

07005-01212

Seal, Washer

SN: 700001-UP

4шт.

6

07206-30812

Bolt, Joint

SN: 700001-UP

2шт.

7

01435-00812

Bolt

SN: 700001-UP

1шт.

8

6275-61-7730

Tube

SN: 700001-UP

1шт.

9

6275-61-7740

Hose

SN: 700001-UP

2шт.

10

6275-61-7750

Tube

SN: 700001-UP

1шт.

11

6275-61-7760

Joint

SN: 700001-UP

1шт.

12

07281-00167

Clamp

SN: 700001-UP

4шт.

13

6275-61-7770

Bracket

SN: 700001-UP

1шт.

14

01435-01020

Bolt

SN: 700001-UP

2шт.

15

01435-00816

Bolt

SN: 700001-UP

2шт.

16

01643-31032

Washer

SN: 700001-UP

1шт.

17

01435-00835

Bolt

SN: 700001-UP

1шт.

18

6631-11-5630

Spacer

SN: 700001-UP

1шт.

19

6275-61-7780

Bracket

SN: 700001-UP

1шт.

20

01435-00816

Bolt

SN: 700001-UP

2шт.

1

6275-61-7710

Nipple

SN: 700001-UP

1шт.

2

07003-01015

Gasket

SN: 700001-UP

2шт.

3

6934-72-7190

Bolt, Joint

SN: 700001-UP

1шт.

4

6275-61-7720

Tube

SN: 700001-UP

1шт.

5

07005-01212

Seal, Washer

SN: 700001-UP

4шт.

6

07206-30812

Bolt, Joint

SN: 700001-UP

2шт.

7

01435-00812

Bolt

SN: 700001-UP

1шт.

8

6275-61-7730

Tube

SN: 700001-UP

1шт.

9

6275-61-7740

Hose

SN: 700001-UP

2шт.

10

6275-61-7750

Tube

SN: 700001-UP

1шт.

11

6275-61-7760

Joint

SN: 700001-UP

1шт.

12

07281-00167

Clamp

SN: 700001-UP

4шт.

13

6275-61-7770

Bracket

SN: 700001-UP

1шт.

14

01435-01020

Bolt

SN: 700001-UP

2шт.

15

01435-00816

Bolt

SN: 700001-UP

2шт.

16

01643-31032

Washer

SN: 700001-UP

1шт.

17

01435-00835

Bolt

SN: 700001-UP

1шт.

18

6631-11-5630

Spacer

SN: 700001-UP

1шт.

19

6275-61-7780

Bracket

SN: 700001-UP

1шт.

20

01435-00816

Bolt

SN: 700001-UP

2шт.

Выбрано товаров: 0