Запчасти Komatsu SAA4D95LE-6A САПУН (№7-) САПУН

Схема запчастей Komatsu SAA4D95LE-6A - САПУН (№7-) САПУН
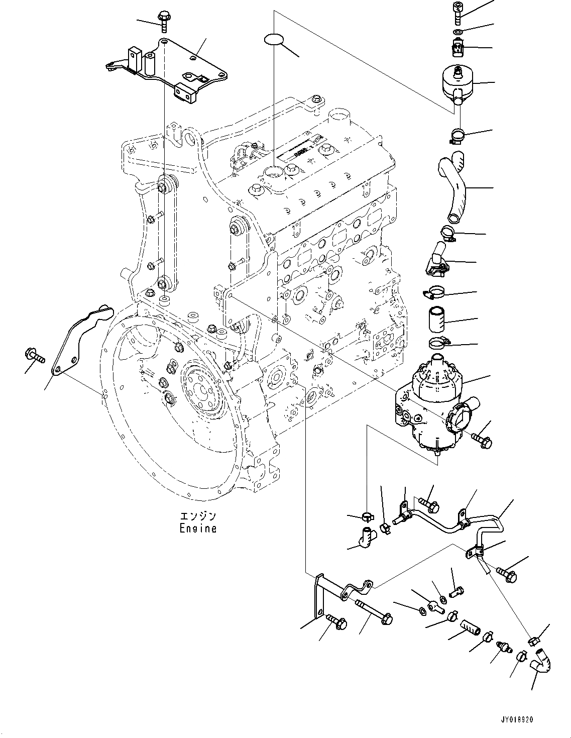
1
2
3
4
5
9
7
8
6
10
11
12
13
14
15
16
17
18
19
20
21
22
23
24
25
26
27
28
29
30
11
11
11
20
20
19
20
24
20
20
24
1
2
3
4
5
9
7
8
6
10
11
12
13
14
15
16
17
18
19
20
21
22
23
24
25
26
27
28
29
30
11
11
11
20
20
19
20
24
20
20
24
FIT
1:1
100%

Артикул

Название

Примечание

Количество

1

6275-21-7500

Breather Assembly

SN: 700001-UP

1шт.

2

6209-11-8210

O-ring

SN: 700001-UP

1шт.

3

6252-11-2900

Sensor, Pressure

SN: 700001-UP

1шт.

4

01252-60516

Bolt

SN: 700001-UP

1шт.

5

01640-20508

Washer

SN: 700001-UP

1шт.

6

600-333-3210

Ventilator

SN: 700001-UP

1шт.

6

600-333-3900

Element Kit

SN: 700001-UP

1шт.

7

01435-00835

Bolt

SN: 700001-UP

4шт.

8

11Y-01-41221

Hose

SN: 700001-UP

1шт.

9

6275-21-9650

Connector Assembly

SN: 700001-UP

1шт.

10

6275-21-9680

Hose

SN: 700001-UP

1шт.

11

6746-21-7150

Clamp

SN: 700001-UP

4шт.

12

6275-21-7710

Hose

SN: 700001-UP

1шт.

13

6275-21-7720

Tube

SN: 700001-UP

1шт.

14

6275-21-7730

Hose

SN: 700001-UP

1шт.

15

6275-21-7740

Hose

SN: 700001-UP

1шт.

16

6261-51-2810

Valve, Check

SN: 700001-UP

1шт.

17

6275-21-7750

Joint

SN: 700001-UP

1шт.

18

6205-51-8251

Joint

SN: 700001-UP

1шт.

19

07005-01012

Seal, Washer

SN: 700001-UP

2шт.

20

11Y-09-11140

Clip

SN: 700001-UP

6шт.

21

6275-21-7760

Bracket

SN: 700001-UP

1шт.

22

01435-01020

Bolt

SN: 700001-UP

1шт.

23

01436-01000

Bolt

SN: 700001-UP

1шт.

24

600-052-1100

Clip

SN: 700001-UP

3шт.

25

01435-00816

Bolt

SN: 700001-UP

2шт.

26

01435-00814

Bolt

SN: 700001-UP

1шт.

27

11Y-01-41612

Bracket

SN: 700001-UP

1шт.

28

01435-01020

Bolt

SN: 700001-UP

3шт.

29

11Y-06-41742

Bracket

SN: 700001-UP

1шт.

30

01435-01225

Bolt

SN: 700001-UP

2шт.

1

6275-21-7500

Breather Assembly

SN: 700001-UP

1шт.

2

6209-11-8210

O-ring

SN: 700001-UP

1шт.

3

6252-11-2900

Sensor, Pressure

SN: 700001-UP

1шт.

4

01252-60516

Bolt

SN: 700001-UP

1шт.

5

01640-20508

Washer

SN: 700001-UP

1шт.

6

600-333-3210

Ventilator

SN: 700001-UP

1шт.

6

600-333-3900

Element Kit

SN: 700001-UP

1шт.

7

01435-00835

Bolt

SN: 700001-UP

4шт.

8

11Y-01-41221

Hose

SN: 700001-UP

1шт.

9

6275-21-9650

Connector Assembly

SN: 700001-UP

1шт.

10

6275-21-9680

Hose

SN: 700001-UP

1шт.

11

6746-21-7150

Clamp

SN: 700001-UP

4шт.

12

6275-21-7710

Hose

SN: 700001-UP

1шт.

13

6275-21-7720

Tube

SN: 700001-UP

1шт.

14

6275-21-7730

Hose

SN: 700001-UP

1шт.

15

6275-21-7740

Hose

SN: 700001-UP

1шт.

16

6261-51-2810

Valve, Check

SN: 700001-UP

1шт.

17

6275-21-7750

Joint

SN: 700001-UP

1шт.

18

6205-51-8251

Joint

SN: 700001-UP

1шт.

19

07005-01012

Seal, Washer

SN: 700001-UP

2шт.

20

11Y-09-11140

Clip

SN: 700001-UP

6шт.

21

6275-21-7760

Bracket

SN: 700001-UP

1шт.

22

01435-01020

Bolt

SN: 700001-UP

1шт.

23

01436-01000

Bolt

SN: 700001-UP

1шт.

24

600-052-1100

Clip

SN: 700001-UP

3шт.

25

01435-00816

Bolt

SN: 700001-UP

2шт.

26

01435-00814

Bolt

SN: 700001-UP

1шт.

27

11Y-01-41612

Bracket

SN: 700001-UP

1шт.

28

01435-01020

Bolt

SN: 700001-UP

3шт.

29

11Y-06-41742

Bracket

SN: 700001-UP

1шт.

30

01435-01225

Bolt

SN: 700001-UP

2шт.

Выбрано товаров: 62