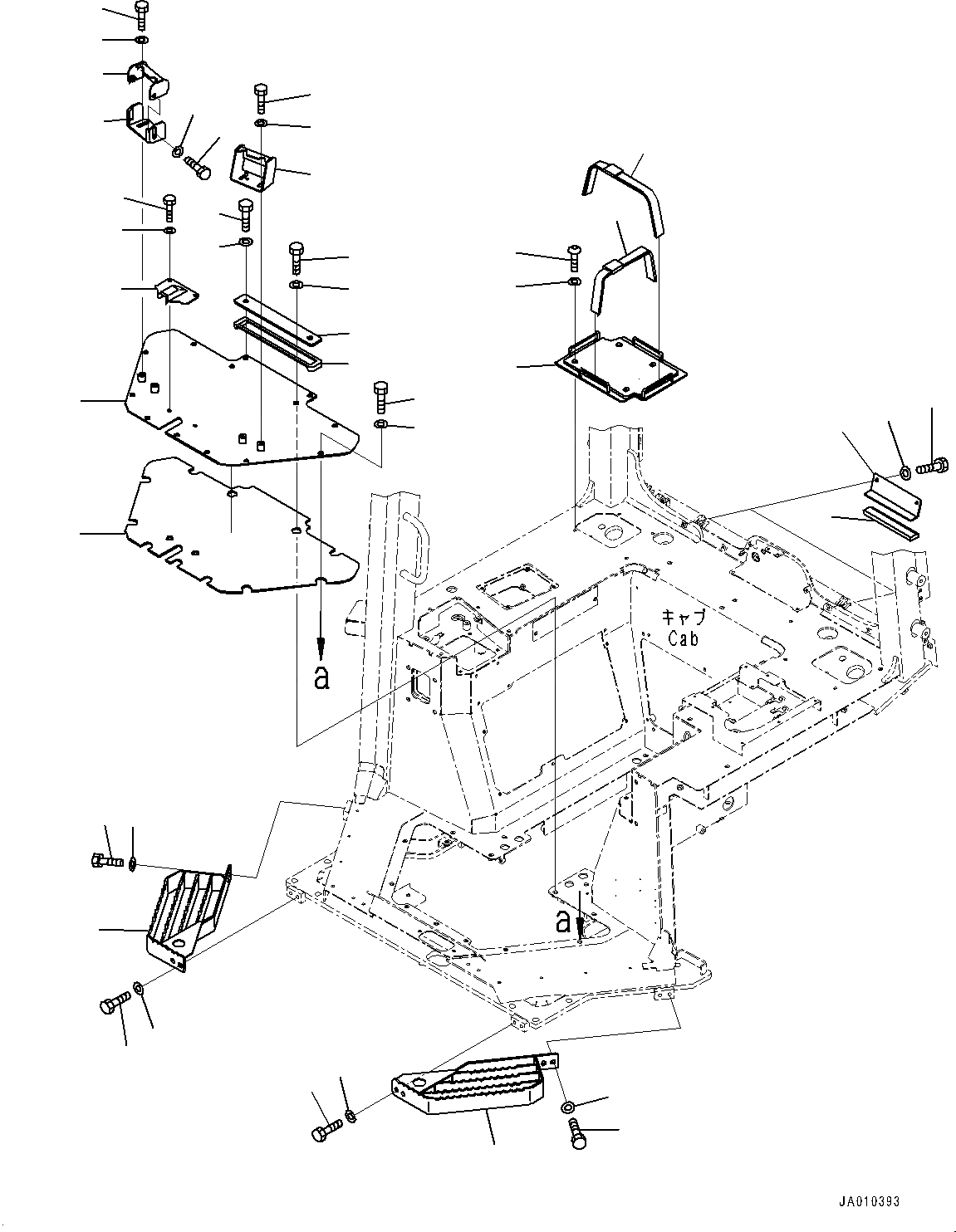
Запчасти Komatsu D37PX-23 КАБИНА ЭЛЕКТР. БЛОК, СТУПЕНИ И КРЫШКА(№8-) КАБИНА ЭЛЕКТР. БЛОК, С D MACHINE УПРАВЛ-Е ЗАГЛУШКА И PLAY, VOLT POWER ВЫПУСКН.

Схема запчастей Komatsu D37PX-23 - КАБИНА ЭЛЕКТР. БЛОК, СТУПЕНИ И КРЫШКА(№8-) КАБИНА ЭЛЕКТР. БЛОК, С D MACHINE УПРАВЛ-Е ЗАГЛУШКА И PLAY, VOLT POWER ВЫПУСКН.
3
4
2
3
4
9
10
26
25
23
22
21
20
11
17
16
15
14
13
12
11
10
9
8
7
6
5
4
3
1
3
4
19
18
19
18
24
29
30
28
27
FIT
1:1
100%

Артикул

Название

Примечание

Количество

1

11Y-54-47931

Bracket

SN: 80001-UP

1шт.

2

11Y-54-47941

Bracket

SN: 80001-UP

1шт.

3

01010-D1225

Bolt

SN: 80001-UP

8шт.

4

01643-71232

Washer

SN: 80001-UP

8шт.

5

12Y-54-28320

Bracket

SN: 80001-UP

1шт.

6

01245-00620

Screw

SN: 80001-UP

4шт.

7

01643-70623

Washer

SN: 80001-UP

4шт.

8

12Y-43-21310

Plate

SN: 80001-UP

1шт.

9

01010-D1020

Bolt

SN: 80001-UP

4шт.

10

01643-71032

Washer

SN: 80001-UP

4шт.

11

423-54-42790

Band

SN: 80001-UP

2шт.

12

12Y-43-21321

Plate

SN: 80001-UP

1шт.

13

12Y-43-21330

Bracket

SN: 80001-UP

1шт.

14

01010-D1020

Bolt

SN: 80001-UP

2шт.

15

01643-71032

Washer

SN: 80001-UP

2шт.

16

12Y-54-26721

Cover

SN: 80001-UP

1шт.

17

12Y-54-26731

Sheet

SN: 80001-UP

1шт.

18

01010-81230

Bolt

SN: 80001-UP

11шт.

19

01643-31232

Washer

SN: 80001-UP

11шт.

20

17A-54-25560

Cover

SN: 80001-UP

1шт.

21

17A-54-25570

Sheet

SN: 80001-UP

1шт.

22

01010-81230

Bolt

SN: 80001-UP

2шт.

23

01643-31232

Washer

SN: 80001-UP

2шт.

24

12Y-06-27771

Cover

SN: 80001-UP

1шт.

25

01010-80820

Bolt

SN: 80001-UP

2шт.

26

01643-30823

Washer

SN: 80001-UP

2шт.

27

11Y-Z79-3621

Cover

SN: 80001-UP

2шт.

28

11Y-54-46741

Seal

SN: 80001-UP

1шт.

29

01010-D0816

Bolt

SN: 80001-UP

4шт.

30

01643-70823

Washer

SN: 80001-UP

4шт.

Выбрано товаров: 30