Запчасти Komatsu D37PX-23 ЭЛЕКТРИЧ. ПРОВОДКА, ЗВУК. СИГНАЛ. AND КАБЕЛЬ (№8-) ЭЛЕКТРИЧ. ПРОВОДКА

Схема запчастей Komatsu D37PX-23 - ЭЛЕКТРИЧ. ПРОВОДКА, ЗВУК. СИГНАЛ. AND КАБЕЛЬ (№8-) ЭЛЕКТРИЧ. ПРОВОДКА
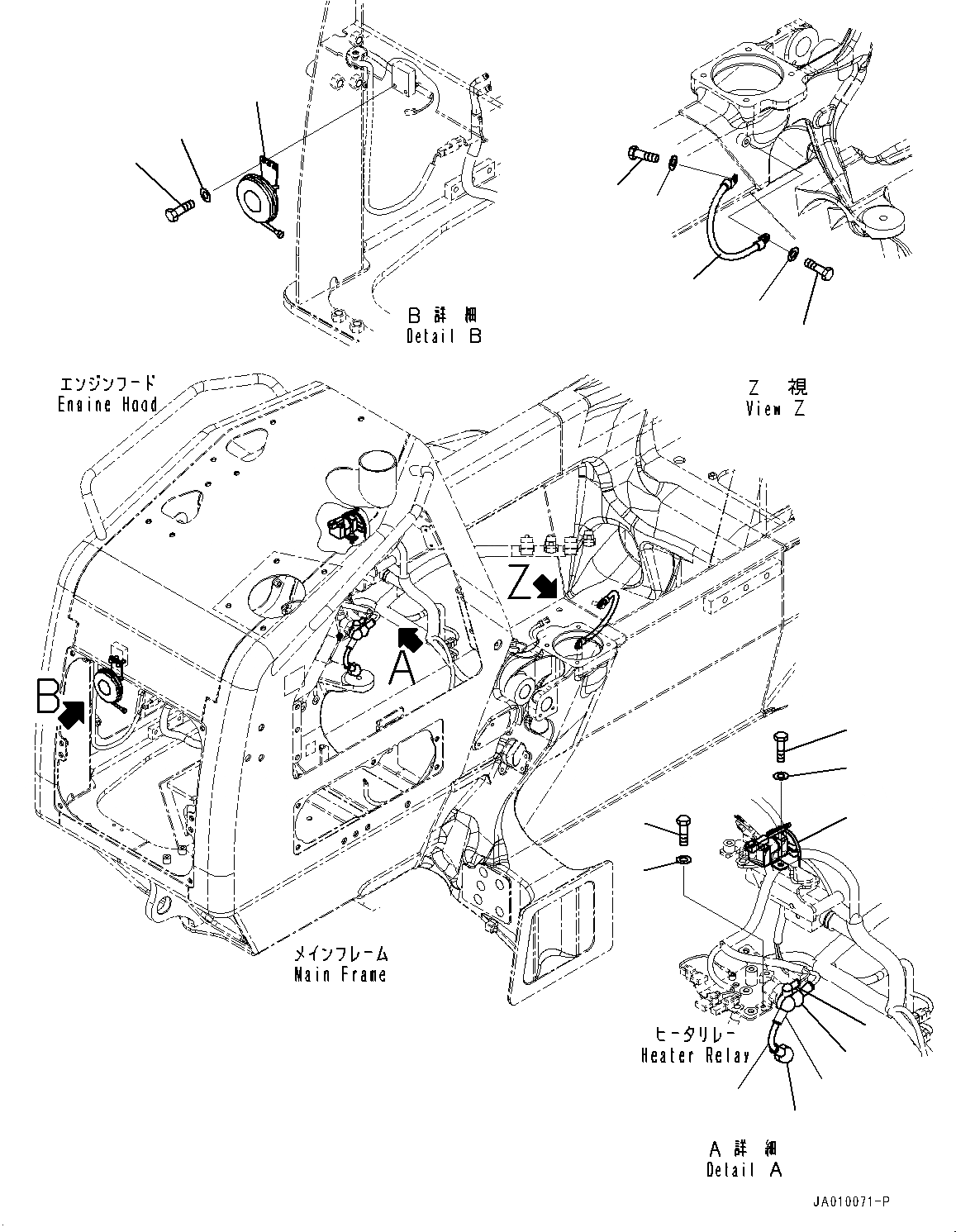
7
8
9
10
11
12
13
14
15
16
4
5
1
5
5
2
3
6
FIT
1:1
100%

Артикул

Название

Примечание

Количество

1

11Y-06-41431

Cable

SN: 80001-UP

1шт.

2

01010-80616

Bolt

SN: 80001-UP

2шт.

3

01643-30623

Washer

SN: 80001-UP

2шт.

4

08038-00519

Cap, Terminal

SN: 80001-UP

1шт.

5

08038-02027

Cap, Terminal

SN: 80001-UP

3шт.

6

19M-06-18220

Horn

SN: 80001-UP

1шт.

7

01010-80820

Bolt

SN: 80001-UP

2шт.

8

01643-30823

Washer

SN: 80001-UP

2шт.

9

11Y-06-41570

Cable

SN: 80001-UP

1шт.

10

01010-81020

Bolt

SN: 80001-UP

1шт.

11

01643-31032

Washer

SN: 80001-UP

1шт.

12

01010-81025

Bolt

SN: 80001-UP

1шт.

13

01643-31032

Washer

SN: 80001-UP

1шт.

14

11Y-06-11391

Switch, Starter Relay

SN: 80001-UP

1шт.

15

01010-80820

Bolt

SN: 80001-UP

2шт.

16

01643-30823

Washer

SN: 80001-UP

2шт.

Выбрано товаров: 16