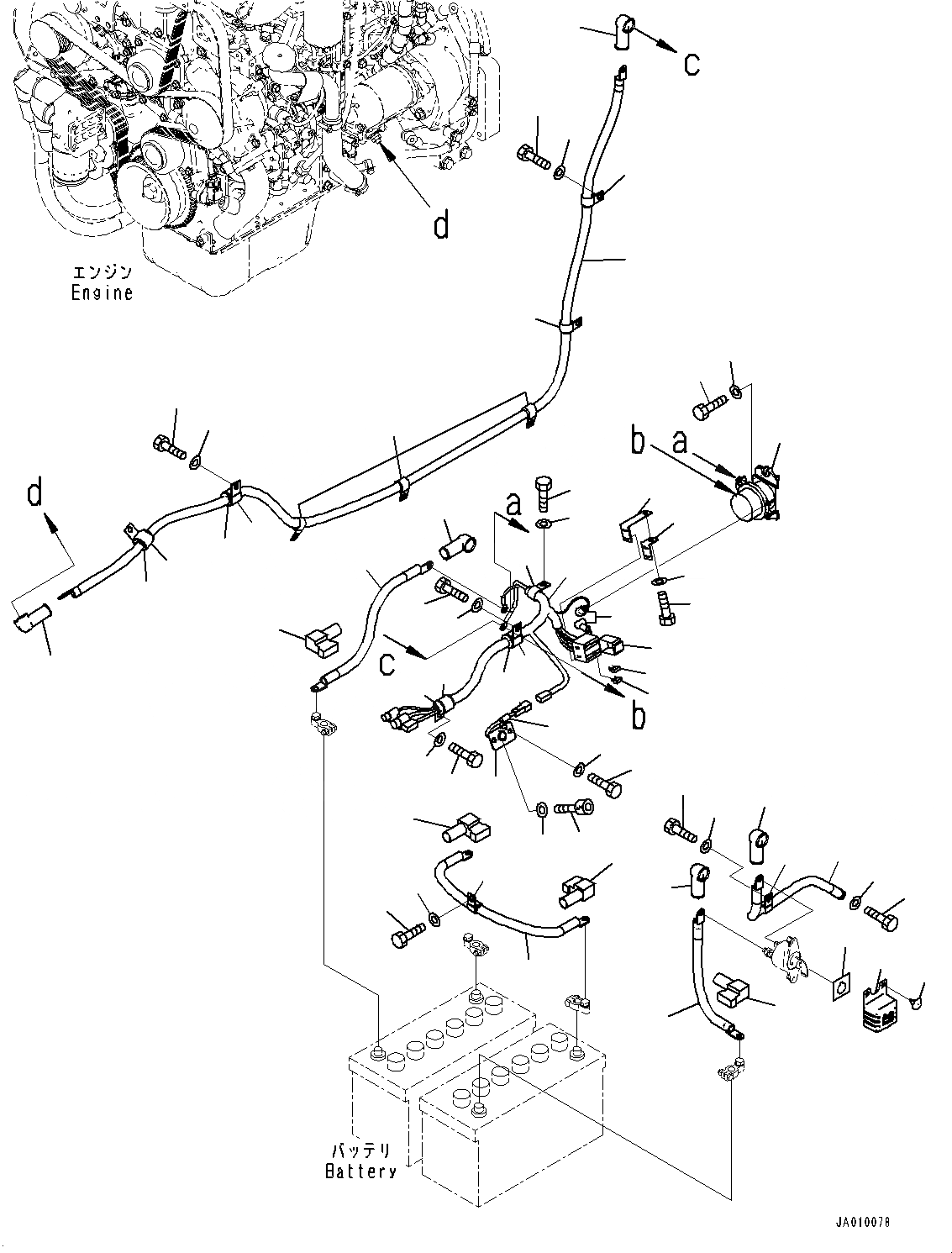
Запчасти Komatsu D37PX-23 АККУМУЛЯТОР ЭЛЕКТРИЧ. ПРОВОДКА (№8-) АККУМУЛЯТОР ЭЛЕКТРИЧ. ПРОВОДКА

Схема запчастей Komatsu D37PX-23 - АККУМУЛЯТОР ЭЛЕКТРИЧ. ПРОВОДКА (№8-) АККУМУЛЯТОР ЭЛЕКТРИЧ. ПРОВОДКА
27
25
26
31
30
25
25
22
23
28
29
24
28
29
18
16
17
45
44
46
47
48
49
56
55
51
54
60
42
43
59
38
36
37
58
40
41
35
57
20
21
53
52
4
6
5
1
2
3
11
13
12
14
15
8
10
10
7
9
34
33
32
39
19
50
FIT
1:1
100%

Артикул

Название

Примечание

Количество

1

08028-GC060

Cable, Ground

SN: 80001-UP

1шт.

2

14X-06-12280

Cover

SN: 80001-UP

1шт.

3

21J-06-11570

Cover

SN: 80001-UP

1шт.

4

04434-51910

Clip

SN: 80001-UP

1шт.

5

01010-81020

Bolt

SN: 80001-UP

1шт.

6

01643-31032

Washer

SN: 80001-UP

1шт.

7

11Y-06-41510

Cable

SN: 80001-UP

1шт.

8

11Y-06-41931

Cable

SN: 80001-UP

1шт.

9

14X-06-12260

Cover

SN: 80001-UP

1шт.

10

08038-00035

Cap, Terminal

SN: 80001-UP

2шт.

11

04434-51910

Clip

SN: 80001-UP

1шт.

12

01010-81020

Bolt

SN: 80001-UP

1шт.

13

01643-31032

Washer

SN: 80001-UP

1шт.

14

01010-81020

Bolt

SN: 80001-UP

1шт.

15

01643-31032

Washer

SN: 80001-UP

1шт.

16

11Y-06-41171

Cable

SN: 80001-UP

1шт.

17

21J-06-11570

Cover

SN: 80001-UP

1шт.

18

08038-00035

Cap, Terminal

SN: 80001-UP

1шт.

19

08088-30000

Switch, Battery Relay

SN: 80001-UP

1шт.

20

01010-80830

Bolt

SN: 80001-UP

2шт.

21

01643-30823

Washer

SN: 80001-UP

2шт.

22

11Y-06-41161

Cable

SN: 80001-UP

1шт.

23

08038-00035

Cap, Terminal

SN: 80001-UP

1шт.

24

11Y-06-11630

Cap

SN: 80001-UP

1шт.

25

04434-51910

Clip

SN: 80001-UP

5шт.

26

01010-81020

Bolt

SN: 80001-UP

5шт.

27

01643-31032

Washer

SN: 80001-UP

5шт.

28

04434-52711

Clip

SN: 80001-UP

2шт.

29

07095-20419

Cushion

SN: 80001-UP

2шт.

30

01010-81020

Bolt

SN: 80001-UP

2шт.

31

01643-31032

Washer

SN: 80001-UP

2шт.

32

09697-00001

Plate, Battery Disconnect Switch

SN: 80001-UP

1шт.

33

2A5-06-11960

Cap

SN: 80001-UP

1шт.

34

20T-54-74510

Cap

SN: 80001-UP

2шт.

35

11Y-06-41181

Wiring Harness

SN: 80001-UP

1шт.

36

14X-06-51610

Fuse, 50Amp.

SN: 80001-UP

1шт.

37

421-06-22830

Fuse, 120Amp.

SN: 80001-UP

1шт.

38

421-06-22880

Holder

SN: 80001-UP

1шт.

39

04434-51910

Clip

SN: 80001-UP

1шт.

40

01010-81020

Bolt

SN: 80001-UP

1шт.

41

01643-31032

Washer

SN: 80001-UP

1шт.

42

04434-52711

Clip

SN: 80001-UP

1шт.

43

07095-20418

Cushion

SN: 80001-UP

1шт.

44

01010-81020

Bolt

SN: 80001-UP

1шт.

45

01643-31032

Washer

SN: 80001-UP

1шт.

46

04434-52711

Clip

SN: 80001-UP

1шт.

47

07095-20418

Cushion

SN: 80001-UP

1шт.

48

01010-81025

Bolt

SN: 80001-UP

1шт.

49

01643-31032

Washer

SN: 80001-UP

1шт.

50

08038-00519

Cap, Terminal

SN: 80001-UP

2шт.

51

08155-02400

Lamp

SN: 80001-UP

1шт.

52

01252-B0820

Bolt, Hexagon Socket Head

SN: 80001-UP

2шт.

53

01643-70823

Washer

SN: 80001-UP

2шт.

54

04434-50610

Clip

SN: 80001-UP

1шт.

55

01010-81020

Bolt

SN: 80001-UP

1шт.

56

01643-31032

Washer

SN: 80001-UP

1шт.

57

421-06-22920

Bracket

SN: 80001-UP

1шт.

58

421-06-22910

Bracket

SN: 80001-UP

1шт.

59

01010-80820

Bolt

SN: 80001-UP

1шт.

60

01643-30823

Washer

SN: 80001-UP

1шт.

Выбрано товаров: 60