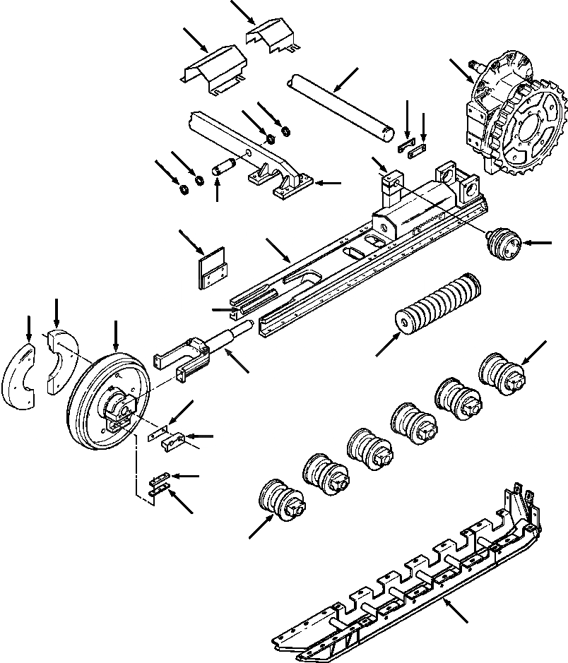
Запчасти Komatsu D38E-1 НИЖН.CARRIAGE D8E- ПОДВЕСКА

Схема запчастей Komatsu D38E-1 - НИЖН.CARRIAGE D8E- ПОДВЕСКА
22
21
18
4
6
3
2
5
3
2
8
7
23
10
19
19
11
9
16
17
15
14
12
13
9
20
1C
1A
1B
FIT
1:1
100%

Артикул

Название

Примечание

Количество

|$0

1281 171 H91

TRACK FRAME

-54шт.

|$1

1280 539 H91

FRAME ASSY, LEFT TRACK

1шт.

|$2

1280 540 H91

FRAME ASSY, RIGHT TRACK

1шт.

1A

NSS

FRAME, TRACK

1шт.

1B

621 338 C1

BAR, FRONT IDLER WEAR - OPTIONAL

2шт.

1B

662 526 C1

BAR, FRONT IDLER WEAR - OPTIONAL

2шт.

1C

1233 532 H1

BLOCK, TOP IDLER MOUNTING

1шт.

|$7

1260 010 H91

STABILIZING LINKAGE

-54шт.

2

338 159 R1

RING, SNAP

4шт.

3

1283 831 H1

RETAINER, RING

4шт.

4

1250 708 H1

BAR, REAR RIGID

1шт.

5

621 410 C1

LOCK PLATE, BAR

2шт.

|$12

24 875 R1

BOLT, HEX - 5/8NCx2

4шт.

|$13

25 537 R1

WASHER, FLAT - 5/8

4шт.

6

621 411 C1

SHIM, BAR LOCK PLATE - 0.060IN

-2шт.

|$15

1306 387 H1

SHIM, BAR LOCK PLATE - 0.020IN

-2шт.

7

621 560 C1

PIN, MOUNTING

2шт.

8

1250 814 H91

CROSSBAR, FRONT

1шт.

|$18

24 889 R1

BOLT, HEX - 3/4NCx2-1/4

16шт.

|$19

25 548 R1

WASHER, FLAT - 3/4

16шт.

|$20

1259 087 H91

TRACK ROLLERS AND TOP IDLERS

-54шт.

9

ROLLER, TRACK (SEE PG 14-012)

-29шт.

|$22

275 635 R1

BOLT, HEX - 1/2NCx3

48шт.

|$23

25 536 R1

WASHER, FLAT - 1/2

48шт.

10

IDLER, TOP (SEE PG 14-010)

-29шт.

|$25

24 878 R1

BOLT, HEX - 5/8NCx2-3/4

2шт.

|$26

25 537 R1

WASHER, FLAT - 5/8

2шт.

|$27

1281 162 H91

FRONT IDLER AND ADJUSTER

-54шт.

11

IDLER, FRONT (SEE PG 14-014)

-29шт.

12

622 044 C1

BAR, WEAR

4шт.

|$30

205 079 R1

BOLT, HEX - 7/16NCx1-1/8

12шт.

|$31

115 314

WASHER, LOCK - 7/16

12шт.

13

621 423 C1

SHIM, WEAR BAR

-2шт.

14

1280 514 H1

PLATE, THRUST

4шт.

|$34

24 874 R1

BOLT, HEX - 5/8NCx1-3/4

8шт.

|$35

25 537 R1

WASHER, FLAT - 5/8

8шт.

15

1280 515 H1

SHIM, THRUST PLATE

-2шт.

|$37

ADJUSTER, TRACK (SEE PG 14-016)

-29шт.

16

SPRING, TRACK

2шт.

17

CYLINDER, ADJUSTER

2шт.

18

FINAL DRIVE (SEE PG 07-092)

-29шт.

|$41

1285 338 H91

COUNTERWEIGHT

-54шт.

19

1285 310 H1

COUNTERWEIGHT, FRONT IDLER

8шт.

|$43

24 868 R1

BOLT, HEX - 1/2NCx4

12шт.

|$44

25 555 R1

WASHER, FLAT - 1/2

24шт.

|$45

9412 230

NUT, LOCK - 1/2NC

12шт.

20

ROLLER SHIELD AND CHAIN GUIDE (SEE PG 14-018)

-29шт.

|$47

1301 226 H91

TRACK FRAME COVERS

-54шт.

21

1301 185 H1

COVER, FRONT

2шт.

|$49

24 860 R1

BOLT, HEX - 1/2NCx1

4шт.

|$50

25 536 R1

WASHER, FLAT - 1/2

4шт.

22

1301 180 H1

COVER, REAR

2шт.

|$52

24 860 R1

BOLT, HEX - 1/2NCx1

2шт.

|$53

25 536 R1

WASHER, FLAT - 1/2

2шт.

23

BAR, RUB (SEE PG 15-004)

-29шт.

|$57

-1шт.

|$56

F1 - PART NUMBER IS A NON-SERVICE PART AND IS LISTED FOR REFERENCE ONLY.

-1шт.

|$58

-1шт.

Выбрано товаров: 58