Качественные детали и логистика
Оригинальные и аналоговые запчасти с доставкой по России, Казахстану и Беларуси
©2022 PartSell ООО "Система" ИНН 2463123282 ОГРН 1212400004838
Центральный офис: г. Красноярск, Академика Киренского, д.87, пом.4
Телефон: 8 (800) 777-65-74 Email: zakaz@partsell.ru
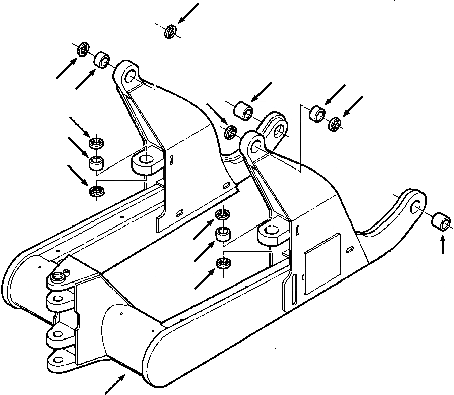
C РАМА
№
Артикул
Название
Примечание
Количество
|$0
1302 203 H91
FRAME ASSY, C
1шт.
1
NSS
FRAME, C
2
620 665 C1
BUSHING, TRUNNION PIN
2шт.
3
1268 300 H1
BEARING, NON-LUBE
4шт.
4
1268 301 H1
SEAL, PIN
8шт.
Выбрано товаров: 0