Запчасти Komatsu D38E-1 ОБОРУД-Е УПРАВЛ-ЕS THREE СЕКЦ. КЛАПАН ГИДРАВЛS

Схема запчастей Komatsu D38E-1 - ОБОРУД-Е УПРАВЛ-ЕS THREE СЕКЦ. КЛАПАН ГИДРАВЛS
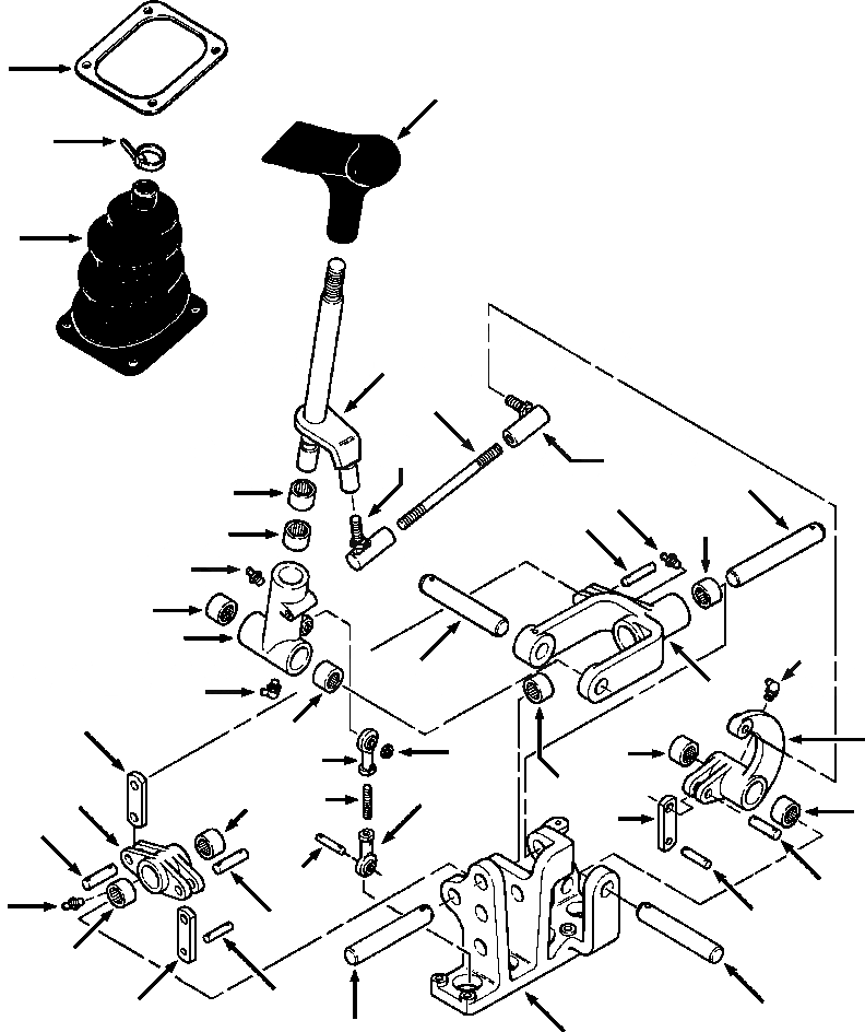
31
3
30
29
2
25
26
26
16
5
6
24
15
5
6
5
4
7
8
7
14
23
5
27
11
28
9
15
12
17
18
10
28
21
24
13
24
19
24
13
18
13
22
8
20
1
FIT
1:1
100%

Артикул

Название

Примечание

Количество

|$0

1268 198 H91

EQUIPMENT CONTROLS

-54шт.

1

1250 600 H91

BRACKET, CONTROL

1шт.

2

1250 601 H91

LEVER, CONTROL

1шт.

3

1268 056 H1

HANDLE, LEVER

1шт.

|$4

21 063 R1

NUT, JAM - 1/2NF

1шт.

|$5

1250 606 H91

BELLCRANK ASSY, LIFT

1шт.

4

NSS

BELLCRANK, LIFT

1шт.

5

173 892 C91

BEARING, SHAFT

4шт.

|$8

26 052 R1

PIN, SPRING - 3/16x1-1/2

1шт.

6

109 454

FITTING, LUBE

2шт.

7

16 964 R91

FITTING, LUBE

2шт.

8

1268 172 H1

SHAFT, MOUNTING

2шт.

|$12

19 444 R1

PIN, SPRING - 5/32x1-3/8

2шт.

|$13

1283 175 H91

BEARING ASSY, ROD END

1шт.

9

1283 174 H1

BEARING, ROD END

1шт.

10

1283 173 H1

ROD, THREADED

1шт.

|$16

26 258 R1

BOLT, HEX - 1/4NFx1-1/4

1шт.

|$17

27 122 R1

NUT, LOCK - 1/4NF

1шт.

11

1268 599 H1

SPACER, MOUNTING

1шт.

12

1283 174 H1

BEARING, ROD END

1шт.

|$20

24 737 R1

PIN, SPRING - 1/16x3/8

1шт.

13

1278 058 H1

PIN, MOUNTING

3шт.

|$22

25 532 R1

WASHER, FLAT - 1/4

6шт.

|$23

103 362

PIN, COTTER - 1/16x3/4

6шт.

|$24

1268 820 H91

BELLCRANK ASSY, LIFT AND TILT

1шт.

14

NSS

BELLCRANK, LIFT AND TILT

1шт.

15

173 892 C91

BEARING, BELLCRANK

2шт.

16

1268 173 H1

SHAFT, CONTROL

1шт.

|$28

19 444 R1

PIN, SPRING - 5/32x1-3/8

1шт.

|$29

1268 821 H91

BELLCRANK ASSY, TILT

1шт.

17

NSS

BELLCRANK, TILT

1шт.

18

173 892 C91

BEARING, BELLCRANK

2шт.

19

16 982 R91

FITTING, LUBE

1шт.

20

1268 171 H1

SHAFT, CONTROL

1шт.

|$34

19 444 R1

PIN, SPRING - 5/32x1-3/8

1шт.

21

1267 356 H1

LINK, CONNECTING

1шт.

22

1267 356 H1

LINK, CONNECTING

1шт.

23

1269 250 H1

LINK, CONNECTING

1шт.

24

1283 166 H1

PIN, MOUNTING

4шт.

|$39

25 533 R1

WASHER, FLAT - 5/16

8шт.

|$40

103 362

PIN, COTTER - 1/16x3/4

8шт.

25

1250 614 H1

ROD, THREADED

1шт.

|$42

25 931 R1

NUT, JAM - 5/16NF

2шт.

26

310 673 R91

JOINT, BALL

2шт.

|$44

27 036 R1

NUT, LOCK - 5/16NF

1шт.

|$45

1268 822 H91

BELLCRANK ASSY, ANGLE

1шт.

27

NSS

BELLCRANK, ANGLE

1шт.

28

173 892 C91

BEARING, BELLCRANK

2шт.

|$48

25 483 R1

BOLT, HEX - 1/4NCx1

2шт.

|$49

25 487 R1

BOLT, HEX - 1/4NCx1-1/2

2шт.

|$50

25 532 R1

WASHER, FLAT - 1/4

4шт.

29

1269 024 H1

BOOT, CONTROL LEVER

1шт.

30

935 522 C1

STRAP, TIE

1шт.

31

1269 025 H1

RETAINER, BOOT

1шт.

|$54

25 752 R1

BOLT, HEX - 1/4NCx1/2

4шт.

|$55

25 532 R1

WASHER, FLAT - 1/4

4шт.

|$$57

-1шт.

|$57

F1 - PART NUMBER IS A NON-SERVICE PART AND IS LISTED FOR REFERENCE ONLY.

-1шт.

|$$59

-1шт.

Выбрано товаров: 59