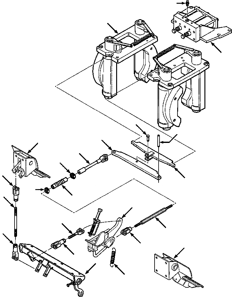
Запчасти Komatsu D38E-1 УПРАВЛ-Е ТОРМОЗОМS ТОРМОЗ.S

Схема запчастей Komatsu D38E-1 - УПРАВЛ-Е ТОРМОЗОМS ТОРМОЗ.S
20
1
19
16
15
14
7
10
12
4
17
12
6
11
2
3
8
4
18
9
4
5
13
FIT
1:1
100%

Артикул

Название

Примечание

Количество

|$0

1308 102 H91

BRAKES AND CONTROLS

-54шт.

1

SHOES AND LEVERS (SEE PG 04-012)

-29шт.

2

BRAKE PAD (SEE PG 04-006)

-29шт.

|$3

25 274 R1

BOLT, HEX - 1/2NCx1-1/8

3шт.

|$4

116 121

WASHER, LOCK - 1/2

3шт.

3

1258 315 H91

ROD, FINAL BRAKE

1шт.

|$6

16 619 R1

PIN, CLEVIS - 1/2x1-23/64

1шт.

|$7

103 385

PIN, COTTER - 1/8x1

1шт.

|$8

25 527 R1

NUT, HEX - 1/2NF

1шт.

4

144 256

CLEVIS, ROD END

3шт.

|$10

25 527 R1

NUT, HEX - 1/2NF

3шт.

|$11

16 619 R1

PIN, CLEVIS - 1/2x1-23/64

4шт.

|$12

103 385

PIN, COTTER - 1/8x1

4шт.

5

BRACKET, BRAKE SUPPORT (SEE PG 04-008)

-29шт.

|$14

26 316 R1

BOLT, HEX - 1/2NCx1

6шт.

|$15

25 555 R1

WASHER, FLAT - 1/2

6шт.

6

1258 312 H1

ROD, MAIN BRAKE

1шт.

7

PEDAL, BRAKE/DECELERATOR (SEE PG 04-010)

-29шт.

|$18

24 861 R1

BOLT, HEX - 1/2NCx1-1/4

4шт.

|$19

25 536 R1

WASHER, FLAT - 1/2

4шт.

8

1287 522 H1

ROD, TURNBUCKLE

1шт.

9

19 457 R1

YOKE, LH THREAD

1шт.

|$22

145 406

NUT, JAM - 1/2NF

1шт.

|$23

16 619 R1

PIN, CLEVIS - 1/2x1-23/64

1шт.

|$24

103 385

PIN, COTTER - 1/8x1

1шт.

10

652 827 C1

CLEVIS, BRAKE ROD

1шт.

|$26

25 527 R1

NUT, JAM - 1/2NF

1шт.

|$27

103 499 R1

PIN, CLEVIS - 5/8x1-39/64

1шт.

|$28

103 385

PIN, COTTER - 1/8x1

1шт.

11

652 829 C1

BOOT, CONTROL ROD

1шт.

12

122 316 R91

CLAMP, BOOT

2шт.

13

1286 903 H1

SPRING, RETURN

1шт.

14

621 318 C1

SUPPORT, BRAKE ACTUATOR

1шт.

15

621 319 C1

PIN, PIVOT

1шт.

16

21 853 H

PIN, CLEVIS - 1/2x1-1/2

1шт.

|$35

103 385

PIN, COTTER - 1/8x1

1шт.

17

621 310 C2

SUPPORT, BRAKE EQUALIZER

1шт.

18

PEDAL, SECONDARY BRAKE (SEE PG 04-012)

-29шт.

19

CYLINDER, BRAKE (SEE PG 04-020)

-29шт.

|$39

24 861 R1

BOLT, HEX - 1/2NCx1-1/4 - FRONT

2шт.

|$40

24 866 R1

BOLT, HEX - 1/2NCx2-1/2 - REAR

2шт.

|$41

25 546 R1

WASHER, FLAT - 1/2

4шт.

20

CONNECTOR, PORT (SEE PG 07-088)

-29шт.

|$$44

-1шт.

|$44

F1 - PART NUMBER IS A NON-SERVICE PART AND IS LISTED FOR REFERENCE ONLY.

-1шт.

|$$46

-1шт.

Выбрано товаров: 46