Запчасти Komatsu D38E-1 C РАМА КРЕПЛЕНИЕED ОБОРУД-Е

Схема запчастей Komatsu D38E-1 - C РАМА КРЕПЛЕНИЕED ОБОРУД-Е
4
3
2
3
4
4
4
4
3
4
4
2
3
4
1
FIT
1:1
100%

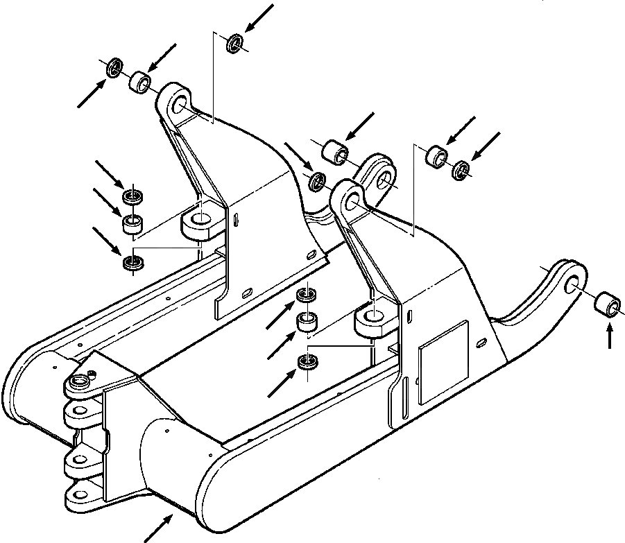
Артикул

Название

Примечание

Количество

|$0

1302 203 H91

FRAME ASSY, C

1шт.

1

NSS

FRAME, C

1шт.

2

620 665 C1

BUSHING, TRUNNION PIN

2шт.

3

1268 300 H1

BEARING, NON-LUBE

4шт.

4

1268 301 H1

SEAL, PIN

8шт.

Выбрано товаров: 5