Запчасти Komatsu D38E-1 КОНЕЧНАЯ ПЕРЕДАЧА - EARLY ВЕРСИЯ - SEE F D8P- ПРИВОД TRAIN

Схема запчастей Komatsu D38E-1 - КОНЕЧНАЯ ПЕРЕДАЧА - EARLY ВЕРСИЯ - SEE F D8P- ПРИВОД TRAIN
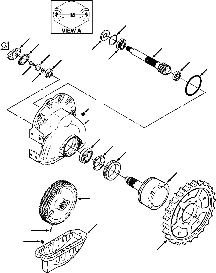
18
11
10
15
8
19
5
16
17
22
9
7
12
4
6
3
2
13
21
14
20
1
12A
FIT
1:1
100%

Артикул

Название

Примечание

Количество

|$0

1209 147 H91

FINAL DRIVE

-54шт.

1

741 191 C2

SPROCKET, CASTED TEETH

2шт.

1

1298 898 H1

SPROCKET, MACHINED TEETH

2шт.

|$3

24 888 R1

BOLT, HEX - 3/4NCx2

16шт.

|$4

25 538 R1

WASHER, FLAT - 3/4

16шт.

|$5

1311 187 H91

DRIVE ASSY, LEFT FINAL

1шт.

2

1285 315 H1

SHAFT, SPROCKET CARRIER

1шт.

3

1214 405 H91

KIT, SEAL

1шт.

4

1209 206 H91

BEARING, TAPERED ROLLER - OUTER

1шт.

|$9

67 190 R91

CONE, BEARING

1шт.

|$10

17 844 H

CUP, BEARING

1шт.

5

62 528 R91

BEARING, TAPERED ROLLER - INNER

1шт.

|$12

62 923 R1

CONE, BEARING

1шт.

|$13

130 503 H

CUP, BEARING

1шт.

6

1208 981 H1

SPACER, BEARING

1шт.

7

621 099 C2

SHIM, CARRIER - 0.005IN

-2шт.

7

621 100 C1

SHIM, CARRIER - 0.007IN

-2шт.

7

621 101 C1

SHIM, CARRIER - 0.020IN

-2шт.

8

621 102 C2

WASHER, CARRIER

1шт.

9

25 358 R1

BOLT, HEX - 3/4NCx3-3/4

1шт.

10

621 103 C1

GASKET, COVER

1шт.

11

621 104 C1

COVER, CARRIER SHAFT

1шт.

|$22

70 427 R1

BOLT, HEX - 7/16NCx1-1/4

2шт.

|$23

115 314

WASHER, LOCK - 7/16

2шт.

12

1208 984 H92

HOUSING ASSY, LEFT

1шт.

12A

280 668 R91

PLUG, FILLER AND CHECK

1шт.

|$26

367 478 R1

PIN, DOWEL - 1/2x1-1/16

2шт.

|$27

104 939

PLUG, #3 CORK

2шт.

13

621 109 C2

GEAR, DRIVE

1шт.

14

621 110 C3

SCREW, RETAINER

1шт.

|$30

454 522 R1

NUT, RETAINER - 1/2NC

1шт.

15

621 111 C1

PINION, DRIVE

1шт.

16

62 528 R91

BEARING, TAPERED ROLLER - OUTER

1шт.

|$33

62 923 R1

CONE, BEARING

1шт.

|$34

130 503 H

CUP, BEARING

1шт.

16

662 056 R91

BEARING, TAPERED ROLLER - OUTER

1шт.

|$36

662 057 R91

CONE, BEARING

1шт.

|$37

300 985 R1

CUP, BEARING

1шт.

16

621 144 C91

BEARING, TAPERED ROLLER - OUTER

1шт.

|$39

622 210 C91

CONE, BEARING

1шт.

|$40

622 211 C1

CUP, BEARING

1шт.

17

659 457 R91

BEARING, TAPERED ROLLER - INNER

1шт.

|$42

659 458 R91

CONE, BEARING

1шт.

|$43

659 459 R1

CUP, BEARING

1шт.

17

659 460 R91

BEARING, TAPERED ROLLER - INNER

1шт.

|$45

659 461 R91

CONE, BEARING

1шт.

|$46

659 462 R1

CUP, BEARING

1шт.

17

659 713 R91

BEARING, TAPERED ROLLER - INNER

1шт.

|$48

659 714 R91

CONE, BEARING

1шт.

|$49

659 715 R1

CUP, BEARING

1шт.

18

621 140 C1

RING, RETAINING - 0.109IN

1шт.

|$51

621 112 C1

RING, RETAINING - 0.101IN

-2шт.

|$52

705 474 C1

RING, RETAINING - 0.117IN

-2шт.

19

621 113 C93

SEAL, OIL

1шт.

20

280 688 R91

PLUG, DRAIN

1шт.

21

716 898 C1

COVER, LEFT BOTTOM

1шт.

|$56

24 863 R1

BOLT, HEX - 1/2NCx1-3/4

14шт.

|$57

116 121

WASHER, LOCK - 1/2

14шт.

22

1206 069 H1

O-RING, HOUSING

1шт.

|$59

26 322 R1

BOLT, HEX - 5/8NCx2

5шт.

|$60

24 878 R1

BOLT, HEX - 5/8NCx2-3/4

2шт.

|$61

25 695 R1

BOLT, HEX - 5/8NCx6-1/2

1шт.

|$62

734 324 C1

STUD, MOUNTING

2шт.

|$63

25 537 R1

WASHER, FLAT - 5/8

10шт.

|$64

25 528 R1

NUT, HEX - 5/8NC

2шт.

|$65

1311 188 H91

DRIVE ASSY, RIGHT FINAL

1шт.

2

1285 315 H1

SHAFT, SPROCKET CARRIER

1шт.

3

1214 405 H91

KIT, SEAL

1шт.

4

1209 206 H91

BEARING, TAPERED ROLLER - OUTER

1шт.

|$69

67 190 R91

CONE, BEARING

1шт.

|$70

17 844 H

CUP, BEARING

1шт.

5

62 528 R91

BEARING, TAPERED ROLLER - INNER

1шт.

|$72

62 923 R1

CONE, BEARING

1шт.

|$73

130 503 H

CUP, BEARING

1шт.

6

1208 981 H1

SPACER, BEARING

1шт.

7

621 099 C2

SHIM, CARRIER - 0.005IN

-2шт.

7

621 100 C1

SHIM, CARRIER - 0.007IN

-2шт.

7

621 101 C1

SHIM, CARRIER - 0.020IN

-2шт.

8

621 102 C2

WASHER, CARRIER

1шт.

9

25 358 R1

BOLT, HEX - 3/4NCx3-3/4

1шт.

10

621 103 C1

GASKET, COVER

1шт.

11

621 104 C1

COVER, CARRIER SHAFT

1шт.

|$82

70 427 R1

BOLT, HEX - 7/16NCx1-1/4

2шт.

|$83

115 314

WASHER, LOCK - 7/16

2шт.

12

1208 985 H92

HOUSING ASSY, RIGHT

1шт.

12A

280 688 R91

PLUG, FILLER AND CHECK

1шт.

|$86

367 478 R1

PIN, DOWEL - 1/2x1-1/16

2шт.

|$87

104 939

PLUG, #3 CORK

2шт.

13

621 109 C2

GEAR, DRIVE

1шт.

14

621 110 C3

SCREW, RETAINER

1шт.

|$90

454 522 R1

NUT, RETAINER - 1/2NC

1шт.

15

621 111 C1

PINION, DRIVE

1шт.

16

62 528 R91

BEARING, TAPERED ROLLER - OUTER

1шт.

|$93

62 923 R1

CONE, BEARING

1шт.

|$94

130 503 H

CUP, BEARING

1шт.

16

662 056 R91

BEARING, TAPERED ROLLER - OUTER

1шт.

|$96

662 057 R91

CONE, BEARING

1шт.

|$97

300 985 R1

CUP, BEARING

1шт.

16

621 144 C91

BEARING, TAPERED ROLLER - OUTER

1шт.

|$99

622 210 C91

CONE, BEARING

1шт.

|$100

622 211 C1

CUP, BEARING

1шт.

17

659 457 R91

BEARING, TAPERED ROLLER - INNER

1шт.

|$102

659 458 R91

CONE, BEARING

1шт.

|$103

659 459 R1

CUP, BEARING

1шт.

17

659 460 R91

BEARING, TAPERED ROLLER - INNER

1шт.

|$105

659 461 R91

CONE, BEARING

1шт.

|$106

659 462 R1

CUP, BEARING

1шт.

17

659 713 R91

BEARING, TAPERED ROLLER - INNER

1шт.

|$108

659 714 R91

CONE, BEARING

1шт.

|$109

659 715 R1

CUP, BEARING

1шт.

18

621 140 C1

RING, RETAINING - 0.109IN

1шт.

|$111

621 112 C1

RING, RETAINING - 0.101IN

-2шт.

|$112

705 474 C1

RING, RETAINING - 0.117IN

-2шт.

19

621 113 C93

SEAL, OIL

1шт.

20

280 688 R91

PLUG, DRAIN

1шт.

21

716 899 C1

COVER, RIGHT BOTTOM

1шт.

|$116

24 863 R1

BOLT, HEX - 1/2NCx1-3/4

14шт.

|$117

116 121

WASHER, LOCK - 1/2

14шт.

22

1206 069 H1

O-RING, HOUSING

1шт.

|$119

26 322 R1

BOLT, HEX - 5/8NCx2

5шт.

|$120

24 878 R1

BOLT, HEX - 5/8NCx2-3/4

2шт.

|$121

25 695 R1

BOLT, HEX - 5/8NCx6-1/2

1шт.

|$122

734 324 C1

STUD, MOUNTING

2шт.

|$123

25 537 R1

WASHER, FLAT - 5/8

10шт.

|$124

25 528 R1

NUT, HEX - 5/8NC

2шт.

|$133

-1шт.

|$126

F1 - PART NUMBER IS A NON-SERVICE PART AND IS LISTED FOR REFERENCE ONLY.

-1шт.

|$134

-1шт.

|$135

-1шт.

|$129

F2 - THE FINAL DRIVES CAN BE IDENTIFIED BY MEASURING THE BOLT HOLE

-1шт.

|$130

PATTERN(A) OF THE CARRIER SHAFT COVER:

-1шт.

|$131

EARLY VERSION FINAL DRIVE CARRIER SHAFT COVER.....112mm(4.4IN)

-1шт.

|$132

LATER VERSION FINAL DRIVE CARRIER SHAFT COVER.....125mm(4.9IN)

-1шт.

Выбрано товаров: 133