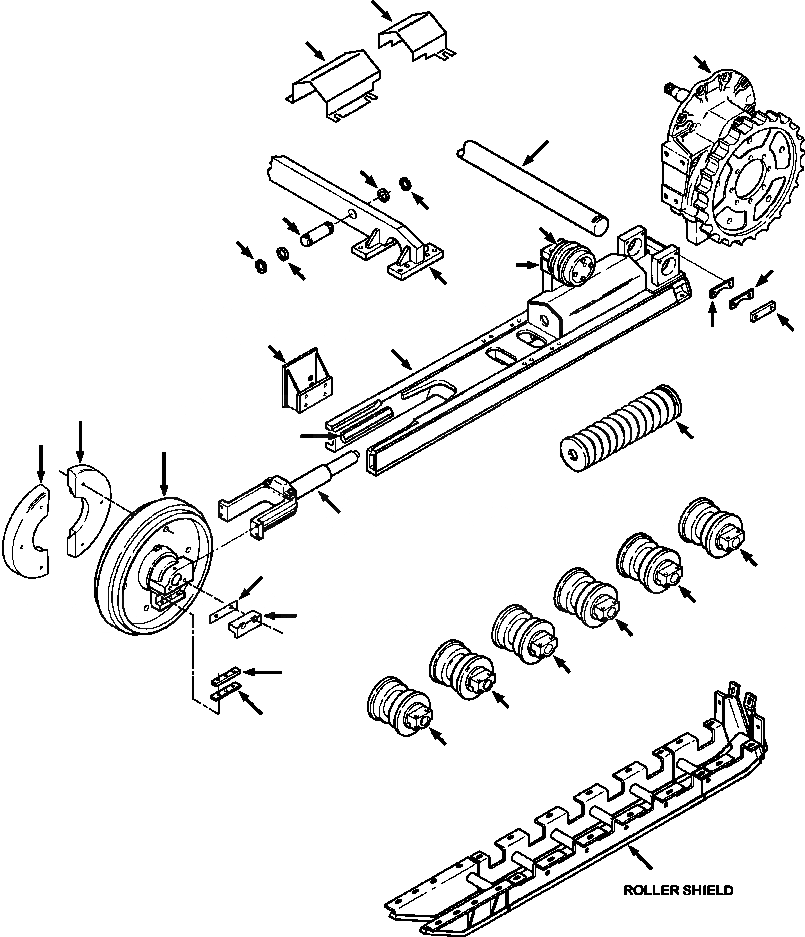
Запчасти Komatsu D38E-1A FIG. R-A НИЖН.CARRIAGE - P MODEL ХОДОВАЯ

Схема запчастей Komatsu D38E-1A - FIG. R-A НИЖН.CARRIAGE - P MODEL ХОДОВАЯ
25
24
21
6
5
10
13
4
4
8
3
5
11
23
1
7
9
22
22
14
2
19
20
18
12
12
17
12
15
12
12
16
12
FIT
1:1
100%

Артикул

Название

Примечание

Количество

|$0

1312 979 H91

TRACK FRAME

SN: P086301 --UP

1шт.

|$1

1312 983 H92

FRAME ASSEMBLY, LEFT TRACK

SN: P086301 --UP

1шт.

|$2

1312 984 H92

FRAME ASSEMBLY, RIGHT TRACK

SN: P086301 --UP

1шт.

1

NSS

FRAME, TRACK

SN: P086301 --UP

1шт.

2

621 338 C1

BAR, FRONT IDLER WEAR

SN: P086301 --UP

2шт.

|$6

OR

-1шт.

|$8

662 526 C1

BAR, FRONT IDLER WEAR

SN: P086301 --UP

2шт.

3

1233 532 H1

BLOCK, TOP IDLER MOUNTING

SN: P086301 --UP

1шт.

|$10

1261 939 H91

STABILIZING LINKAGE

SN: P086301 --UP

1шт.

4

338 159 R1

RING, SNAP

SN: P086301 --UP

4шт.

5

1283 831 H1

RETAINER, RING

SN: P086301 --UP

4шт.

6

1251 918 H1

BAR, REAR RIGID

SN: P086301 --UP

1шт.

7

621 410 C1

LOCK PLATE, BAR

SN: P086301 --UP

2шт.

|$15

24 875 R1

BOLT, HEX - 5/8NCx2

SN: P086301 --UP

4шт.

|$16

25 537 R1

WASHER, FLAT - 5/8

SN: P086301 --UP

4шт.

8

621 411 C1

SHIM, BAR LOCK PLATE

SN: P086301 --UP

8шт.

9

1306 387 H1

SHIM, BAR LOCK PLATE

SN: P086301 --UP

4шт.

10

621 560 C1

PIN, MOUNTING

SN: P086301 --UP

2шт.

11

1250 815 H91

CROSSBAR, FRONT

SN: P086301 --UP

1шт.

|$21

24 889 R1

BOLT, HEX - 3/4NCx2-1/4

SN: P086301 --UP

16шт.

|$22

25 548 R1

WASHER, FLAT - 3/4

SN: P086301 --UP

16шт.

|$23

1259 087 H91

TRACK ROLLERS AND TOP IDLERS

SN: P086301 --UP

1шт.

12

ROLLER, TRACK (SEE FIG. R0200-01A0)

SN: P086301 --UP

12шт.

|$25

275 635 R1

BOLT, HEX - 1/2NCx3

SN: P086301 --UP

48шт.

|$26

25 536 R1

WASHER, FLAT - 1/2

SN: P086301 --UP

48шт.

13

IDLER, TOP (SEE FIG. R0200-02A0)

SN: P086301 --UP

2шт.

|$28

24 878 R1

BOLT, HEX - 5/8NCx2-3/4

SN: P086301 --UP

2шт.

|$29

25 537 R1

WASHER, FLAT - 5/8

SN: P086301 --UP

2шт.

|$30

1281 162 H91

FRONT IDLER AND ADJUSTER

SN: P086301 --UP

1шт.

14

IDLER, FRONT (SEE FIG. R0100-01A0)

SN: P086301 --UP

2шт.

15

622 044 C1

BAR, WEAR

SN: P086301 --UP

4шт.

|$33

205 079 R1

BOLT, HEX - 7/16NCx1-1/8

SN: P086301 --UP

12шт.

|$34

115 314

WASHER, LOCK - 7/16

SN: P086301 --UP

12шт.

16

621 423 C1

SHIM, WEAR BAR

SN: P086301 --UP

-2шт.

17

1280 514 H1

PLATE, THRUST

SN: P086301 --UP

4шт.

|$37

24 874 R1

BOLT, HEX - 5/8NCx1-3/4

SN: P086301 --UP

8шт.

|$38

25 537 R1

WASHER, FLAT - 5/8

SN: P086301 --UP

8шт.

18

1280 515 H1

SHIM, THRUST PLATE

SN: P086301 --UP

-2шт.

|$40

ADJUSTER, TRACK (SEE FIG. R0120-01A0)

SN: P086301 --UP

2шт.

19

SPRING, TRACK

SN: P086301 --UP

1шт.

20

CYLINDER, ADJUSTER

SN: P086301 --UP

1шт.

21

FINAL DRIVE (SEE FIG. F2380-02A0)

SN: P086301 --UP

1шт.

|$44

1285 338 H91

COUNTERWEIGHT

SN: P086301 --UP

1шт.

22

1285 310 H1

COUNTERWEIGHT, FRONT IDLER

SN: P086301 --UP

8шт.

|$46

24 868 R1

BOLT, HEX - 1/2NCx4

SN: P086301 --UP

12шт.

|$47

25 555 R1

WASHER, FLAT - 1/2

SN: P086301 --UP

24шт.

|$48

9412 230

NUT, LOCK - 1/2NC

SN: P086301 --UP

12шт.

23

BAR, RUB (SEE FIG. R0500-01A2)

SN: P086301 --UP

2шт.

|$50

1301 226 H91

TRACK FRAME COVERS

SN: P086301 --UP

1шт.

24

1301 185 H1

COVER, FRONT

SN: P086301 --UP

2шт.

|$52

24 860 R1

BOLT, HEX - 1/2NCx1

SN: P086301 --UP

8шт.

|$53

25 536 R1

WASHER, FLAT - 1/2

SN: P086301 --UP

8шт.

25

1301 180 H1

COVER, REAR

SN: P086301 --UP

2шт.

|$55

24 860 R1

BOLT, HEX - 1/2NCx1

SN: P086301 --UP

4шт.

|$56

25 536 R1

WASHER, FLAT - 1/2

SN: P086301 --UP

4шт.

|$57

-1шт.

|$58

F1 PART NUMBER IS A NONSERVICE PART AND IS LISTED FOR REFERENCE ONLY. ORDER INDIVIDUAL PIECE PARTS.

-1шт.

|$59

-1шт.

Выбрано товаров: 0