Качественные детали и логистика
Оригинальные и аналоговые запчасти с доставкой по России, Казахстану и Беларуси
©2022 PartSell ООО "Система" ИНН 2463123282 ОГРН 1212400004838
Центральный офис: г. Красноярск, Академика Киренского, д.87, пом.4
Телефон: 8 (800) 777-65-74 Email: zakaz@partsell.ru
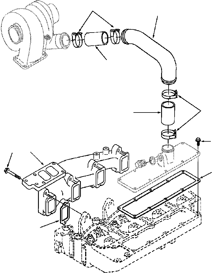
МЕСТО ТУРБОНАГНЕТАТЕЛЯ
№
Артикул
Название
Примечание
Количество
1
1240 587 H1
MANIFOLD, EXHAUST
1шт.
2
1240 347 H1
GASKET, EXHAUST MANIFOLD
4шт.
3
1240 580 H1
BOLT - M10x65
8шт.
4
1252 411 H1
GASKET, INT MANIFOLD COVER
5
1278 262 H1
BOLT - M8x25
6
1240 771 H1
TUBE, AIR
7
1278 514 H1
HOSE, PLAIN
2шт.
8
1278 261 H1
CLAMP, HOSE
Выбрано товаров: 0