Запчасти Komatsu D39E-1 РЫЧАГ КОРОМЫСЛАS POWER

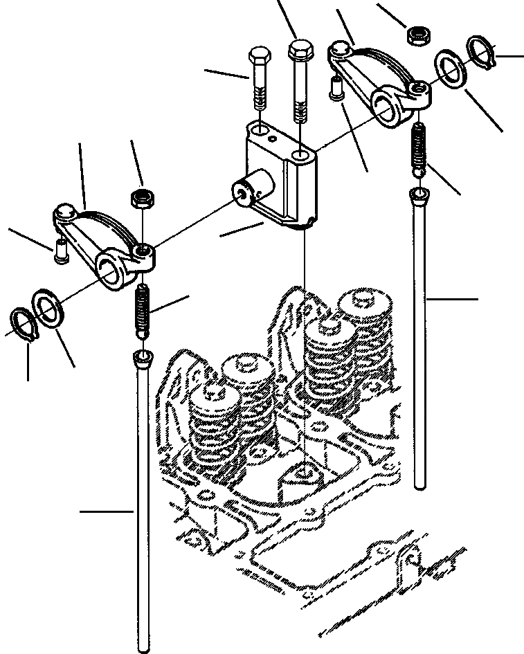
Схема запчастей Komatsu D39E-1 - РЫЧАГ КОРОМЫСЛАS POWER
5
11
14
10
2
4
12
1
3
13
6
8
9
14
7
10
11
FIT
1:1
100%

Артикул

Название

Примечание

Количество

|$0

6736-41-5110

SUPPORT, ROCKER LEVER

4шт.

1

NSS

SUPPORT, ROCKER LEVER

1шт.

|$2

NSS

SHAFT, ROCKER LEVER

1шт.

2

6732-41-5200

LEVER, ROCKER

4шт.

|$4

NSS

LEVER, ROCKER (INTAKE)

1шт.

3

6732-41-5420

BOLT, SLOTTED SET (3/8 - 24x1 1/2 INCH)

1шт.

4

6735-41-5550

NUT, HEAVY HEXAGON (3/8 - 24 UNF)

1шт.

5

NSS

INSERT, ROCKER LEVER

1шт.

6

6732-41-5400

LEVER, ROCKER

4шт.

|$9

NSS

LEVER, ROCKER (EXHAUST)

1шт.

7

6732-41-5420

BOLT, SLOTTED SET (3/8 - 24x1 1/2 INCH)

1шт.

8

6735-41-5550

NUT, HEAVY HEXAGON (3/8 - 24 UNF)

1шт.

9

NSS

INSERT, ROCKER LEVER

1шт.

10

6732-41-5160

WASHER, PLAIN (M19)

8шт.

11

6732-41-5170

RING, RETAINING

8шт.

12

6732-41-5180

BOLT (M8x1.25x75)

4шт.

13

6732-11-1640

BOLT

4шт.

14

6732-41-3110

ROD, PUSH

8шт.

Выбрано товаров: 18