Запчасти Komatsu D39E-1A FIG. F8-A КОНЕЧНАЯ ПЕРЕДАЧА И ЗВЕЗДОЧКА СИЛОВАЯ ПЕРЕДАЧА И КОНЕЧНАЯ ПЕРЕДАЧА

Схема запчастей Komatsu D39E-1A - FIG. F8-A КОНЕЧНАЯ ПЕРЕДАЧА И ЗВЕЗДОЧКА СИЛОВАЯ ПЕРЕДАЧА И КОНЕЧНАЯ ПЕРЕДАЧА
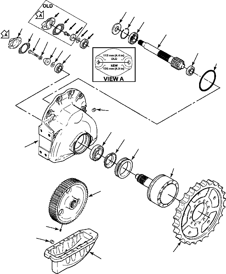
20
19
18
28
27
16
26
25
24
7
17
5
23
13
4
6
3
12
2
14
15
21
22
11
10
9
8
7
5
1
FIT
1:1
100%

Артикул

Название

Примечание

Количество

|$0

1261 335 H91

FINAL DRIVE

SN: P096338-UP

1шт.

|$1

1261 353 H92

FINAL DRIVE ASSEMBLY, LEFT

SN: P096338-UP

1шт.

|$2

1261 354 H92

FINAL DRIVE ASSEMBLY, RIGHT

SN: P096338-UP

1шт.

1

1206 069 H1

RING, SEAL - HOUSING

SN: P096338-UP

1шт.

2

1284 706 H91

SHAFT, SPROCKET CARRIER

SN: P096338-UP

1шт.

3

1214 405 H91

KIT, SEAL

SN: P096338-UP

1шт.

4

1209 259 H92

BEARING, TAPERED ROLLER - OUTER

SN: P096338-UP

1шт.

|$7

1209 260 H92

CONE, BEARING

SN: P096338-UP

1шт.

|$8

1209 261 H2

CUP, BEARING

SN: P096338-UP

1шт.

5

1209 262 H91

BEARING, TAPERED ROLLER - INNER

SN: P096338-UP

1шт.

|$10

1209 263 H91

CONE, BEARING

SN: P096338-UP

1шт.

|$11

170 234 R1

CUP, BEARING

SN: P096338-UP

1шт.

6

1208 981 H1

SPACER, BEARING

SN: P096338-UP

1шт.

7

1209 669 H1

SHIM, CARRIER - 0.005IN

SN: P096338-UP

-2шт.

|$14

1209 670 H1

SHIM, CARRIER - 0.007IN

SN: P096338-UP

-2шт.

|$15

1209 671 H1

SHIM, CARRIER - 0.020IN

SN: P096338-UP

-2шт.

8

RETAINER

SN: P096338-UP

1шт.

9

BOLT, HEX - 3/4NCx4-3/4

SN: P096338-UP

1шт.

10

GASKET, COVER

SN: P096338-UP

1шт.

11

COVER, CARRIER SHAFT

SN: P096338-UP

1шт.

|$20

70 427 R1

BOLT, HEX - 7/16NCx1-1/4

SN: P096338-UP

2шт.

|$21

115 314

WASHER, LOCK - 7/16

SN: P096338-UP

2шт.

12

1258 203 H92

HOUSING ASSEMBLY, LEFT

SN: P096338-UP

1шт.

13

280 668 R91

PLUG, FILL

SN: P096338-UP

1шт.

|$24

367 478 R1

PIN, DOWEL - 1/2x1-1/16

SN: P096338-UP

2шт.

|$25

104 939

PLUG, #3 CORK

SN: P096338-UP

2шт.

|$26

1284 556 H1

PLUG, THREADED

SN: P096338-UP

2шт.

14

621 116 C2

GEAR, SPROCKET DRIVE

SN: P096338-UP

1шт.

15

621 110 C3

SCREW, RETAINER

SN: P096338-UP

1шт.

|$29

454 522 R1

NUT, RETAINER - 1/2NC

SN: P096338-UP

1шт.

16

621 125 C1

PINION, DRIVE

SN: P096338-UP

1шт.

17

14 969 L

BEARING, ROLLER, OUTERL

SN: P096338-UP

1шт.

|$32

M 93 599

CONE, BEARING

SN: P096338-UP

1шт.

|$33

PO14 039

CUP, BEARING

SN: P096338-UP

1шт.

|$35

OR

-1шт.

|$37

168 420 R91

BEARING, ROLLER, OUTER

SN: P096338-UP

1шт.

|$38

168 421 R91

CONE, BEARING

SN: P096338-UP

1шт.

|$39

168 422 R1

CUP, BEARING

SN: P096338-UP

1шт.

18

29 216 H

BEARING, ROLLER, INNER

SN: P096338-UP

1шт.

|$41

29 215 H

CONE, BEARING

SN: P096338-UP

1шт.

|$42

29 214 H

CUP, BEARING

SN: P096338-UP

1шт.

|$44

OR

-1шт.

|$46

94 364 R91

BEARING, ROLLER, INNER

SN: P096338-UP

1шт.

|$47

94 365 R91

CONE, BEARING

SN: P096338-UP

1шт.

|$48

94 366 R1

CUP, BEARING

SN: P096338-UP

1шт.

|$50

OR

-1шт.

|$52

56 256 H

BEARING, ROLLER INNER

SN: P096338-UP

1шт.

|$53

56 257 H

CONE, BEARING

SN: P096338-UP

1шт.

|$54

56 258 H

CUP, BEARING

SN: P096338-UP

1шт.

19

621 127 C1

RING, RETAINING - 0.109IN

SN: P096338-UP

1шт.

|$56

621 128 C1

RING, RETAINING - 0.101IN

SN: P096338-UP

1шт.

|$57

705 473 C1

RING, RETAINING - 0.117IN

SN: P096338-UP

1шт.

20

621 129 C92

SEAL, OIL

SN: P096338-UP

1шт.

21

280 668 R91

PLUG, DRAIN

SN: P096338-UP

1шт.

22

716 900 C1

COVER, HOUSING BOTTOM, LEFT

SN: P096338-UP

1шт.

|$61

716 901 C1

COVER, HOUSING BOTTOM, RIGHT

SN: P096338-UP

1шт.

|$62

24 863 R1

BOLT, HEX - 1/2NCx1-3/4

SN: P096338-UP

14шт.

|$63

116 121

WASHER, LOCK - 1/2

SN: P096338-UP

14шт.

|$64

26 322 R1

BOLT, HEX - 5/8NCx2

SN: P096338-UP

5шт.

|$65

24 878 R1

BOLT, HEX - 5/8NCx2-3/4

SN: P096338-UP

2шт.

|$66

25 680 R1

BOLT, HEX - 5/8NCx6

SN: P096338-UP

1шт.

|$67

734 324 C1

STUD, MOUNTING - 5/8NC

SN: P096338-UP

2шт.

|$68

25 537 R1

WASHER, FLAT - 5/8

SN: P096338-UP

10шт.

|$69

25 528 R1

NUT, HEX - 5/8NC

SN: P096338-UP

2шт.

23

1211 902 H2

SPROCKET, CAST TEETH

SN: P096338-UP

2шт.

|$71

OR

-1шт.

|$72

1298 736 H1

SPROCKET, MACH. TEETH

SN: P096338-UP

2шт.

24

1316 248 H1

RETAINER

SN: P096338-UP

1шт.

25

25 548 R1

WASHER, 3/4

SN: P096338-UP

1шт.

26

25 964 R1

BOLT, HEX - 3/4NCx4-3/4

SN: P096338-UP

1шт.

27

1208 982 H1

GASKET, COVER

SN: P096338-UP

1шт.

28

1316 249 H1

COVER, CARRIER SHAFT

SN: P096338-UP

1шт.

|$78

70 427 R1

BOLT, HEX - 7/16NCx1-1/4

SN: P096338-UP

2шт.

|$79

115 314

WASHER, LOCK - 7/16

SN: P096338-UP

2шт.

|$80

-1шт.

|$81

F1 - PART NUMBER IS A NON-SERVICE PART AND IS LISTED FOR REFERENCE ONLY. ORDER INDIVIDUAL PARTS.

-1шт.

|$82

-1шт.

|$83

-1шт.

|$84

F2 - THE OLD PARTS ARE NO LONGER AVAILABLE. REPLACE THEM WITH NEW PARTS; ITEM 25, 26, 27, AND 28.THE MEASUREMENTS IN ILLUSTRATION VIEW A HELP TO IDENTIFY THE OLD PARTS.

-1шт.

|$85

-1шт.

Выбрано товаров: 80