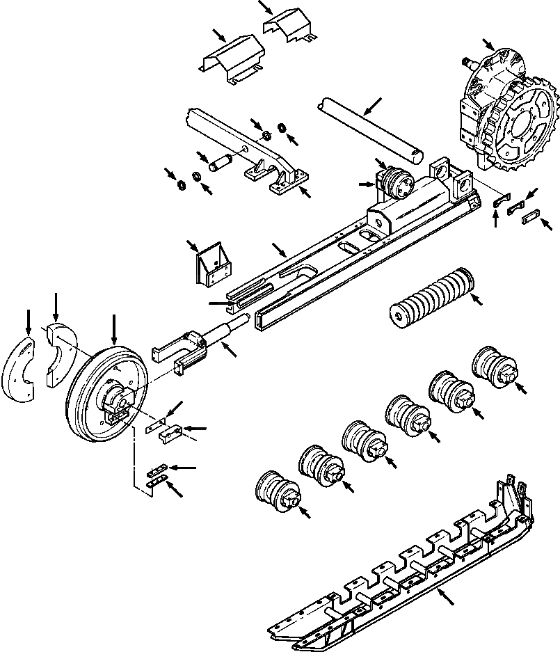
Запчасти Komatsu D39E-1A FIG. R-A НИЖН.CARRIAGE ХОДОВАЯ

Схема запчастей Komatsu D39E-1A - FIG. R-A НИЖН.CARRIAGE ХОДОВАЯ
25
24
21
6
5
10
13
4
4
8
3
5
11
23
1
7
9
22
22
14
2
19
20
18
12
12
17
12
15
12
12
16
12
26
FIT
1:1
100%

Артикул

Название

Примечание

Количество

|$0

1312 980 H91

TRACK FRAME

SN: P096338-UP

1шт.

|$1

1312 985 H92

FRAME, LEFT TRACK

SN: P096338-UP

1шт.

|$2

1312 986 H92

FRAME, RIGHT TRACK

SN: P096338-UP

1шт.

1

NSS

FRAME, TRACK

SN: P096338-UP

1шт.

2

621 338 C1

BAR, FRONT IDLER WEAR

SN: P096338-UP

2шт.

|$5

OR

SN: P096338-UP

-1шт.

|$6

662 526 C1

BAR, FRONT IDLER WEAR

SN: P096338-UP

2шт.

3

1233 532 H1

BLOCK, TOP IDLER MOUNTING

SN: P096338-UP

1шт.

|$8

1261 941 H91

STABILIZING LINKAGE

SN: P096338-UP

1шт.

4

338 159 R1

RING, SNAP

SN: P096338-UP

4шт.

5

1283 831 H1

RETAINER, RING

SN: P096338-UP

4шт.

6

743 286 C1

BAR, REAR RIGID

SN: P096338-UP

1шт.

7

621 410 C1

LOCK, BAR

SN: P096338-UP

2шт.

|$13

24 875 R1

BOLT, HEX - 5/8NCx2

SN: P096338-UP

4шт.

|$14

25 537 R1

WASHER, FLAT - 5/8

SN: P096338-UP

4шт.

8

621 411 C1

SHIM, BAR LOCK PLATE

SN: P096338-UP

8шт.

9

1306 387 H1

SHIM, BAR LOCK PLATE

SN: P096338-UP

4шт.

10

621 560 C1

PIN, MOUNTING

SN: P096338-UP

2шт.

11

1252 418 H91

CROSSBAR, FRONT

SN: P096338-UP

1шт.

|$19

24 895 R1

BOLT, HEX - 3/4NCx4-1/2

SN: P096338-UP

16шт.

|$20

25 548 R1

WASHER, FLAT - 3/4

SN: P096338-UP

16шт.

|$21

1251 269 H91

TRACK ROLLERS AND TOP IDLERS

SN: P096338-UP

1шт.

12

ROLLER, TRACK (SEE FIG. R0200-02A0)

SN: P096338-UP

10шт.

|$23

24 880 R1

BOLT, HEX - 5/8NCx3-1/2

SN: P096338-UP

48шт.

|$24

25 537 R1

WASHER, FLAT - 5/8

SN: P096338-UP

48шт.

13

IDLER, TOP (SEE FIG. R0100-01A0)

SN: P096338-UP

2шт.

|$26

24 878 R1

BOLT, HEX - 5/8NCx2-3/4

SN: P096338-UP

2шт.

|$27

25 538 R1

WASHER, FLAT - 5/8

SN: P096338-UP

2шт.

|$28

1281 179 H91

FRONT IDLER AND ADJUSTER

SN: P096338-UP

1шт.

14

IDLER, FRONT (SEE FIG. R0100-01A0)

SN: P096338-UP

2шт.

15

622 044 C1

BAR, WEAR

SN: P096338-UP

4шт.

|$31

622 044 C1

BOLT, HEX - 7/16NCx1-3/8

SN: P096338-UP

12шт.

|$32

115 314

WASHER, LOCK - 7/16

SN: P096338-UP

12шт.

16

621 423 C1

SHIM, WEAR BAR

SN: P096338-UP

-2шт.

17

1280 497 H1

PLATE, THRUST

SN: P096338-UP

4шт.

|$35

24 875 R1

BOLT, HEX - 5/8NCx2

SN: P096338-UP

8шт.

18

1280 498 H1

SHIM, THRUST PLATE

SN: P096338-UP

-2шт.

19

SPRING, TRACK (SEE FIG. R0120-01A0)

SN: P096338-UP

1шт.

20

ADJUSTER, TRACK (SEE FIG. R0120-01A0)

SN: P096338-UP

1шт.

21

FINAL DRIVE (SEE FIG. F2380-01A0)

SN: P096338-UP

1шт.

|$40

1285 338 H91

COUNTERWEIGHT

SN: P096338-UP

1шт.

22

1285 310 H1

COUNTERWEIGHT, FRONT IDLER

SN: P096338-UP

8шт.

|$42

24 868 R1

BOLT, HEX - 1/2NCx4

SN: P096338-UP

12шт.

|$43

25 555 R1

WASHER, FLAT - 1/2

SN: P096338-UP

24шт.

|$44

9412 230

NUT, LOCK - 1/2NC

SN: P096338-UP

12шт.

23

BAR, RUB (SEE FIG. R0500-01A2)

SN: P096338-UP

1шт.

|$46

1301 227 H91

TRACK FRAME COVER

SN: P096338-UP

1шт.

24

1301 187 H1

COVER, REAR

SN: P096338-UP

2шт.

|$48

24 860 R1

BOLT, HEX - 1/2NCx1

SN: P096338-UP

12шт.

|$49

25 536 R1

WASHER, FLAT - 1/2

SN: P096338-UP

12шт.

25

1301 182 H91

COVER, REAR

SN: P096338-UP

2шт.

|$51

24 860 R1

BOLT, HEX - 1/2NCx1

SN: P096338-UP

2шт.

|$52

25 536 R1

WASHER, FLAT - 1/2

SN: P096338-UP

4шт.

26

TRACK ROLLER SHIELD (SEE FIG. R2200-01A0)

1шт.

|$54

SN: P096338-UP

-1шт.

|$55

-1шт.

|$56

F1 - PART NUMBER IS A NON-SERVICE PART AND IS LISTED FOR REFERENCE ONLY. ORDER INDIVIDUAL PIECE PARTS.

-1шт.

|$57

-1шт.

Выбрано товаров: 0