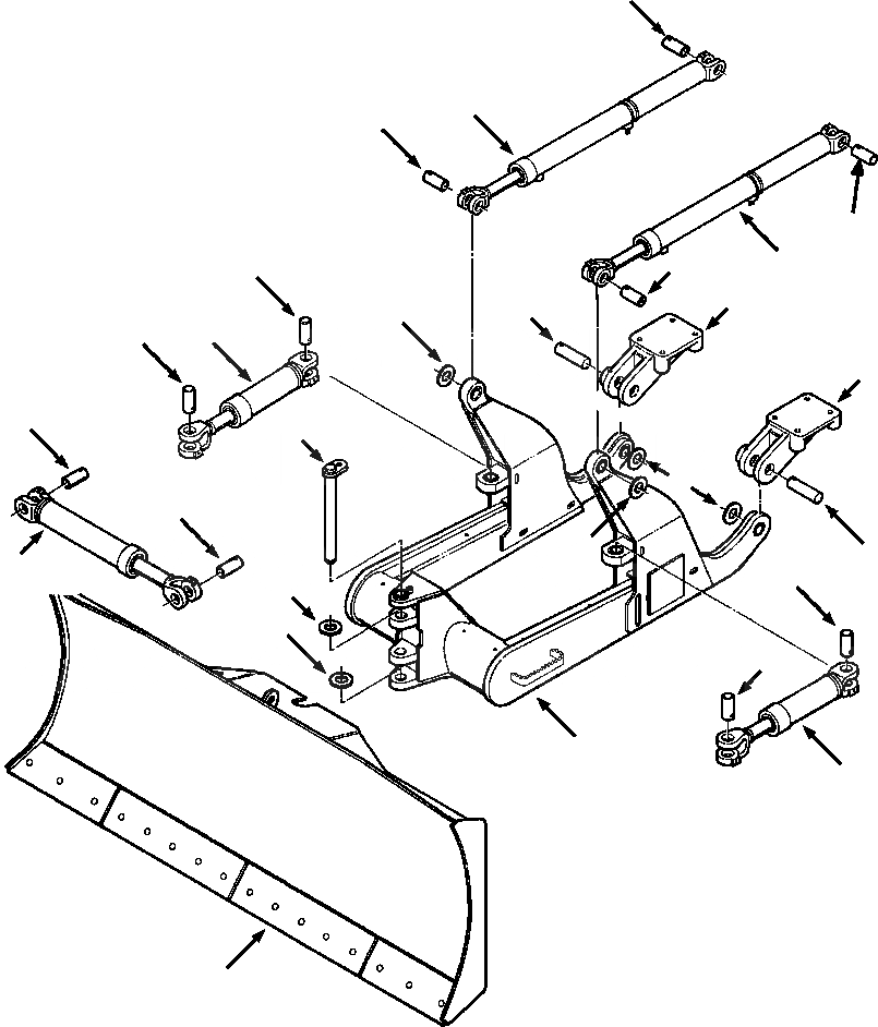
Запчасти Komatsu D39E-1A FIG. T-A ОТВАЛ ОБОРУД-Е - D9E-A РАБОЧЕЕ ОБОРУДОВАНИЕ

Схема запчастей Komatsu D39E-1A - FIG. T-A ОТВАЛ ОБОРУД-Е - D9E-A РАБОЧЕЕ ОБОРУДОВАНИЕ
8
5
8
8
5
8
9
2
3
14
6
8
1
8
11
4
8
3
14
7
8
12
13
8
15
6
10
FIT
1:1
100%

Артикул

Название

Примечание

Количество

|$0

1312 958 H91

BLADE EQUIPMENT

SN: P096338--UP

1шт.

|$1

1262 760 H91

TRUNNIONS

SN: P096338--UP

1шт.

1

1280 387 H91

TRUNNION, LEFT

SN: P096338--UP

1шт.

|$3

25 646 R1

BOLT, HEX - 1NCx2-3/4

SN: P096338--UP

4шт.

|$4

25 550 R1

WASHER, FLAT - 1

SN: P096338--UP

4шт.

2

1280 388 H91

TRUNNION, RIGHT

SN: P096338--UP

1шт.

|$6

25 646 R1

BOLT, HEX - 1NCx2-3/4

SN: P096338--UP

4шт.

|$7

25 550 R1

WASHER, FLAT - 1

SN: P096338--UP

4шт.

3

1279 063 H1

PIN, C FRAME

SN: P096338--UP

2шт.

|$9

24 880 R1

BOLT, HEX - 5/8NCx3-1/2

SN: P096338--UP

2шт.

|$10

9412 231

NUT, LOCK - 5/8NC

SN: P096338--UP

2шт.

4

1209 358 H1

SHIM, FRAME - 0.090IN

SN: P096338--UP

-2шт.

|$12

1262 850 H91

DOZER CYLINDERS

SN: P096338--UP

1шт.

5

CYLINDER, LIFT (SEE FIG. T2170-01A0)

SN: P096338--UP

2шт.

6

CYLINDER, ANGLE (SEE FIG. T2190-01A0)

SN: P096338--UP

2шт.

7

CYLINDER, TILT (SEE FIG. T2180-01A0)

SN: P096338--UP

1шт.

8

1270 112 H1

PIN, MOUNTING

SN: P096338--UP

9шт.

|$17

24 856 R1

BOLT, HEX - 7/16NCx4

SN: P096338--UP

9шт.

|$18

9413 981

NUT, LOCK - 7/16NC

SN: P096338--UP

9шт.

9

1279 088 H1

PIN, MOUNTING

SN: P096338--UP

1шт.

|$20

24 856 R1

BOLT, HEX - 7/16NCx4

SN: P096338--UP

1шт.

|$21

9413 981

NUT, LOCK - 7/16NC

SN: P096338--UP

1шт.

10

BLADE AND ANGLING FRAME (SEE FIG. T2110-02A0)

SN: P096338--UP

1шт.

11

1270 296 H91

PIN, LOCK

SN: P096338--UP

1шт.

|$24

24 859 R1

BOLT, HEX - 1/2NCx3/4

SN: P096338--UP

1шт.

|$25

932 278 C1

WASHER, FLAT - 1-3/8

SN: P096338--UP

1шт.

12

1209 358 H1

SHIM, FRAME - 0.090IN

SN: P096338--UP

-2шт.

13

1209 358 H1

SHIM, FRAME - 0.090IN

SN: P096338--UP

1шт.

14

1209 358 H1

SHIM, FRAME - 0.090IN

SN: P096338--UP

2шт.

15

FRAME, C (SEE FIG. T2110-03A0)

SN: P096338--UP

1шт.

|$30

-1шт.

|$31

F1 - PART NUMBER IS A NON-SERVICE PART AND LISTED FOR REFERENCE ONLY. ORDER INDIVIDUAL PIECE PARTS.

-1шт.

|$32

-1шт.

|$33

-1шт.

|$34

F2 - MINIMUM 1 SHIM TO MAXIMUM 2 SHIMS USED AT THIS POSITION.

-1шт.

|$35

-1шт.

Выбрано товаров: 36