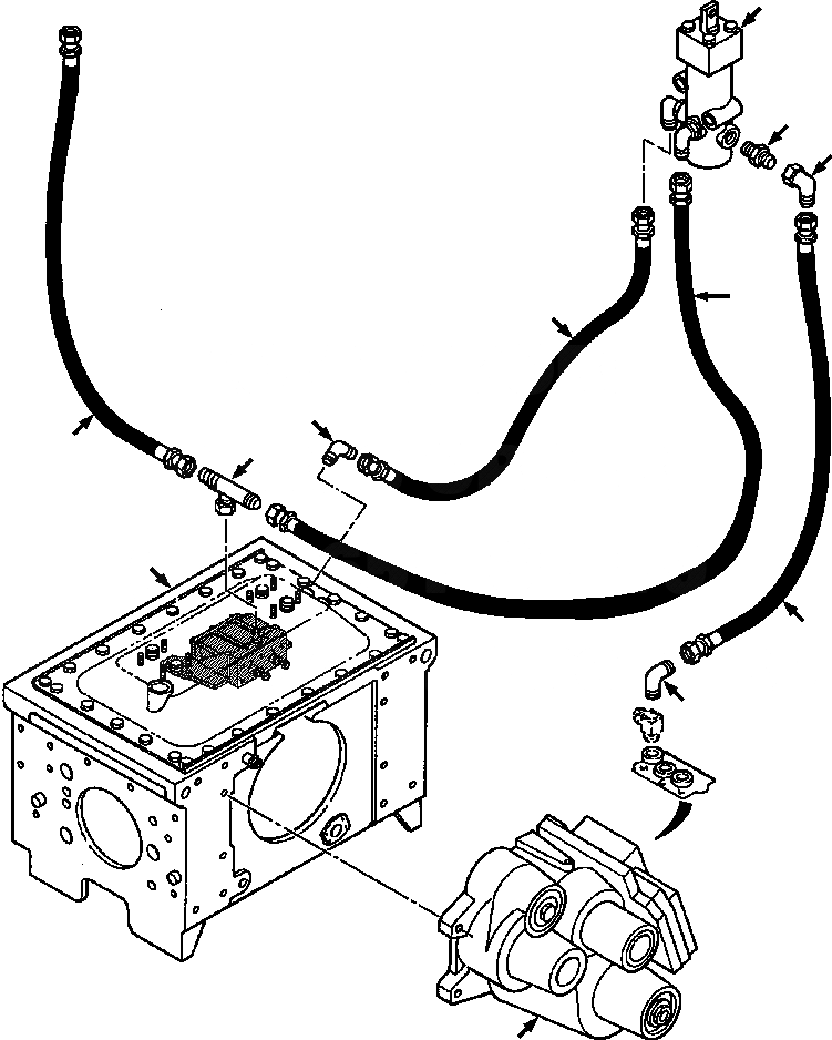
Запчасти Komatsu D39E-1A FIG. F-A ПРИВОД TRAIN ТРУБЫ - ТОРМОЗНОЙ КЛАПАН ЛИНИИ СИЛОВАЯ ПЕРЕДАЧА И КОНЕЧНАЯ ПЕРЕДАЧА

Схема запчастей Komatsu D39E-1A - FIG. F-A ПРИВОД TRAIN ТРУБЫ - ТОРМОЗНОЙ КЛАПАН ЛИНИИ СИЛОВАЯ ПЕРЕДАЧА И КОНЕЧНАЯ ПЕРЕДАЧА
9
6
7
3
1
2
5
4
11
8
12
10
FIT
1:1
100%

Артикул

Название

Примечание

Количество

1

150 337 H1

HOSE, D PORT IN BRAKE VALVE

SN: P096338-UP

1шт.

2

333 934 R1

ELBOW, 90 DEG

SN: P096338-UP

1шт.

3

1219 392 H1

HOSE, B PORT IN BRAKE VALVE

SN: P096338-UP

1шт.

4

TEE, ON REAR MAIN FRAME(SEE FIG. F2300-04A8)

SN: P096338-UP

1шт.

5

HOSE, DIAGNOSTIC PORT TO BRAKE CYL(SEE FIG. F2300-04A8)

SN: P096338-UP

1шт.

6

1301 530 H91

VALVE, CHECK

SN: P096338-UP

1шт.

|$6

364 839 R1

RING, SEAL

SN: P096338-UP

1шт.

7

9410 280

ELBOW, 90 DEG

SN: P096338-UP

1шт.

8

660 867 C1

HOSE, P PORT IN BRAKE VALVE

SN: P096338-UP

1шт.

9

VALVE, BRAKE (SEE FIG. F2300-02A5)

SN: P096338-UP

1шт.

10

TRANSMISSION (SEE FIG. F2320-51A0)

SN: P096338-UP

1шт.

11

FRAME, REAR MAIN (SEE FIG. J2110-01A0)

SN: P096338-UP

1шт.

12

9410 254

ELBOW, 45 DEG

SN: P096338-UP

1шт.

Выбрано товаров: 13