Запчасти Komatsu D39EX-21 ОСНОВН. КОНСТРУКЦИЯ (COVER) КАБИНА ОПЕРАТОРА И СИСТЕМА УПРАВЛЕНИЯ

Схема запчастей Komatsu D39EX-21 - ОСНОВН. КОНСТРУКЦИЯ (COVER) КАБИНА ОПЕРАТОРА И СИСТЕМА УПРАВЛЕНИЯ
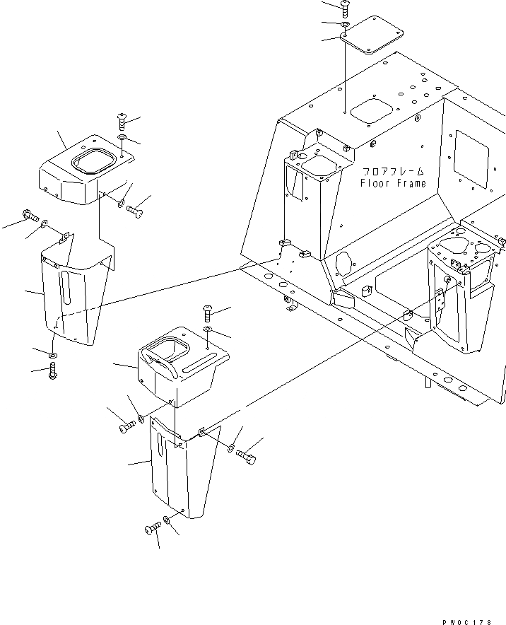
1
2
3
4
5
6
7
8
9
9
10
11
12
13
14
15
16
17
18
18
19
20
21
FIT
1:1
100%

Артикул

Название

Примечание

Количество

1

11Y-54-13221

COVER

SN: 1001-UP

1шт.

2

01010-80816

BOLT

SN: 1001-UP

1шт.

3

01643-30823

WASHER

SN: 1001-UP

1шт.

4

01245-00820

SCREW

SN: 1001-UP

2шт.

5

01643-70823

WASHER

SN: 1001-UP

2шт.

6

11Y-43-11152

COVER

SN: 1001-UP

1шт.

7

01252-70845

BOLT

SN: 1001-UP

2шт.

8

01245-00820

SCREW

SN: 1001-UP

3шт.

9

01643-70823

WASHER

SN: 1001-UP

5шт.

10

11Y-54-13231

COVER

SN: 1001-UP

1шт.

11

01245-00820

SCREW

SN: 1001-UP

2шт.

12

01643-70823

WASHER

SN: 1001-UP

2шт.

13

01010-80820

BOLT

SN: 1001-UP

1шт.

14

01643-30823

WASHER

SN: 1001-UP

1шт.

15

11Y-43-12152

COVER

SN: 1158-UP

1шт.

15

0

COVER

SN: 1001-1157

1шт.

16

01245-00820

SCREW

SN: 1001-UP

3шт.

17

01245-00835

SCREW

SN: 1001-UP

2шт.

18

01643-70823

WASHER

SN: 1001-UP

5шт.

19

11Y-54-14240

PLATE

SN: 1001-UP

1шт.

20

01245-00820

SCREW

SN: 1001-UP

4шт.

21

01643-70823

WASHER

SN: 1001-UP

4шт.

Выбрано товаров: 22