Запчасти Komatsu D39EX-21 ОСНОВН. КОНСТРУКЦИЯ (COVER) (ДЛЯ РЫХЛИТЕЛЬ) (НАВЕС)(№-99) КАБИНА ОПЕРАТОРА И СИСТЕМА УПРАВЛЕНИЯ

Схема запчастей Komatsu D39EX-21 - ОСНОВН. КОНСТРУКЦИЯ (COVER) (ДЛЯ РЫХЛИТЕЛЬ) (НАВЕС)(№-99) КАБИНА ОПЕРАТОРА И СИСТЕМА УПРАВЛЕНИЯ
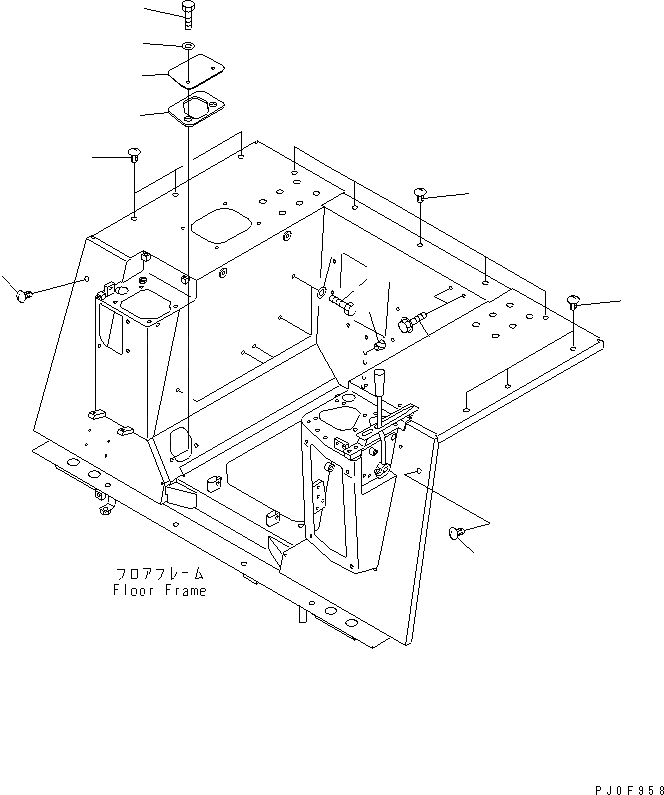
1
2
3
4
5
5
5
5
5
6
7
8
9
FIT
1:1
100%

Артикул

Название

Примечание

Количество

1

11Y-54-13270

COVER

SN: 1001-UP

1шт.

2

11Y-979-4771

SEAL

SN: 1001-UP

2шт.

3

01010-D0830

BOLT

SN: 1036-UP

2шт.

4

01643-70823

WASHER

SN: 1001-UP

2шт.

5

22L-46-12150

CAP

SN: 1156-UP

13шт.

6

01010-D0816

BOLT

SN: 1036-UP

5шт.

7

07049-01215

PLUG

SN: 1001-UP

8шт.

8

01643-70823

WASHER

SN: 1036-UP

5шт.

9

01435-40620

BOLT

SN: 1036-UP

2шт.

Выбрано товаров: 9