Запчасти Komatsu D39EX-21 ГИДР. НАСОС. ГИДРАВЛИКА

Схема запчастей Komatsu D39EX-21 - ГИДР. НАСОС. ГИДРАВЛИКА
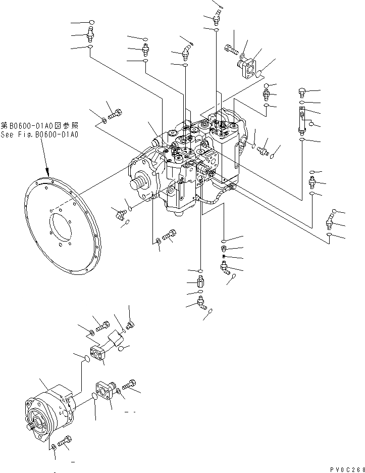
1
2
3
4
5
6
7
8
9
10
11
11
12
13
14
14
15
15
15
15
15
15
15
15
15
16
17
18
18
18
18
18
18
19
19
19
20
20
21
21
22
22
23
24
25
26
26
27
27
28
28
29
29
30
31
32
33
34
35
36
37
38
39
40
41
FIT
1:1
100%

Артикул

Название

Примечание

Количество

1

705-12-33110

PUMP ASS'Y

SN: 1001-UP

1шт.

2

01010-81235

BOLT

SN: 1001-UP

2шт.

3

01643-31232

WASHER

SN: 1001-UP

2шт.

4

720-2M-00040

PUMP ASS'Y

SN: 1210-UP

1шт.

|4

720-2M-00023

PUMP ASS'Y

SN: 1202-1209

1шт.

|4

720-2M-00022

PUMP ASS'Y

SN: 1137-1201

1шт.

|4

720-2M-00021

PUMP ASS'Y

SN: 1001-1136

1шт.

5

01010-81640

BOLT

SN: 1001-UP

2шт.

6

01010-81235

BOLT

SN: 1001-UP

4шт.

7

01643-31645

WASHER

SN: 1001-UP

2шт.

8

01643-31232

WASHER

SN: 1001-UP

4шт.

9

02781-0021D

UNION

SN: 1156-UP

1шт.

|9

11Y-62-12130

NIPPLE

SN: 1001-1155

1шт.

10

02782-10210

ELBOW

SN: 1001-UP

1шт.

11

02782-10311

ELBOW

SN: 1156-UP

2шт.

|11

21W-62-42490

ELBOW

SN: 1001-1155

2шт.

12

11Y-62-12490

UNION

SN: 1001-UP

1шт.

13

11Y-62-12481

ELBOW

SN: 1001-UP

1шт.

14

02896-11008

O-RING

SN: 1001-UP

2шт.

15

07002-11423

O-RING

SN: 1001-UP

11шт.

16

07040-11007

PLUG

SN: 1001-UP

1шт.

17

07002-11023

O-RING

SN: 1001-UP

1шт.

18

02896-11009

O-RING

SN: 1001-UP

8шт.

19

11Y-62-12510

ELBOW

SN: 1001-UP

5шт.

20

02781-00628

UNION

SN: 1156-UP

2шт.

|20

11Y-62-12210

NIPPLE

SN: 1001-1155

2шт.

21

02896-11018

O-RING

SN: 1001-UP

2шт.

22

07002-12434

O-RING

SN: 1001-UP

2шт.

23

21W-62-42640

ELBOW

SN: 1001-UP

1шт.

24

11Y-62-11980

O-RING

SN: 1001-UP

1шт.

25

708-1W-28930

O-RING

SN: 1001-UP

1шт.

26

11Y-62-18160

TUBE

SN: 1001-UP

2шт.

27

07000-13032

O-RING

SN: 1001-UP

2шт.

28

01010-81035

BOLT

SN: 1001-UP

8шт.

29

01643-51032

WASHER

SN: 1001-UP

8шт.

30

11Y-62-18240

TUBE

SN: 1001-UP

1шт.

31

02896-11018

O-RING

SN: 1001-UP

1шт.

32

07000-13030

O-RING

SN: 1001-UP

1шт.

33

01010-80840

BOLT

SN: 1001-UP

4шт.

34

01643-30823

WASHER

SN: 1001-UP

4шт.

35

07040-11007

PLUG

SN: 1001-UP

1шт.

36

07002-11023

O-RING

SN: 1001-UP

1шт.

|37

11Y-62-12710

ELBOW ASS'Y

SN: 1001-UP

1шт.

37

11Y-62-12720

ELBOW

SN: 1001-UP

1шт.

38

11Y-62-12730

ORIFICE

SN: 1001-UP

1шт.

39

11Y-62-12740

ORIFICE

SN: 1001-UP

1шт.

40

02896-11009

O-RING

SN: 1001-UP

1шт.

41

07002-11423

O-RING

SN: 1001-UP

1шт.

Выбрано товаров: 48