Запчасти Komatsu D39EX-21A-M ЗАЩИТА КАТКОВ (ПОЛН. ЗАЩИТА) ХОДОВАЯ

Схема запчастей Komatsu D39EX-21A-M - ЗАЩИТА КАТКОВ (ПОЛН. ЗАЩИТА) ХОДОВАЯ
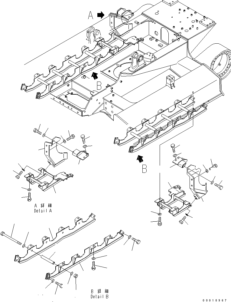
1
2
3
4
5
6
7
8
8
9
9
10
10
11
12
13
14
14
15
16
17
18
18
19
20
21
22
23
24
25
25
26
27
28
29
29
30
31
32
FIT
1:1
100%

Артикул

Название

Примечание

Количество

1

11Y-30-11311

GUARD

SN: 1501-UP

2шт.

2

11Y-30-11321

GUARD

SN: 1501-UP

2шт.

3

01010-81635

BOLT

SN: 1501-UP

16шт.

4

01643-31645

WASHER

SN: 1501-UP

16шт.

5

12G-30-51531

COLLAR

SN: 1501-UP

8шт.

6

09205-26265

BOLT

SN: 1501-UP

8шт.

7

01580-11613

NUT

SN: 1501-UP

8шт.

8

01643-31645

WASHER

SN: 1501-UP

16шт.

9

01010-81230

BOLT

SN: 1501-UP

16шт.

10

01643-31232

WASHER

SN: 1501-UP

16шт.

11

11Y-30-11112

GUARD,L.H.

SN: 1501-UP

1шт.

12

01010-81635

BOLT

SN: 1501-UP

4шт.

13

01010-81660

BOLT

SN: 1501-UP

2шт.

14

01643-31645

WASHER

SN: 1501-UP

6шт.

15

11Y-30-11131

BRACKET,L.H.

SN: 1501-UP

1шт.

16

01010-81635

BOLT

SN: 1501-UP

1шт.

17

01010-81650

BOLT

SN: 1501-UP

2шт.

18

01643-31645

WASHER

SN: 1501-UP

3шт.

19

11Y-30-11152

BRACKET,L.H.

SN: 1501-UP

1шт.

20

01010-81645

BOLT

SN: 1501-UP

2шт.

21

01643-31645

WASHER

SN: 1501-UP

2шт.

22

11Y-30-11122

GUARD

SN: 1501-UP

1шт.

23

01010-81635

BOLT

SN: 1501-UP

4шт.

24

01010-81660

BOLT

SN: 1501-UP

2шт.

25

01643-31645

WASHER

SN: 1501-UP

6шт.

26

11Y-30-11141

BRACKET

SN: 1501-UP

1шт.

27

01010-81635

BOLT

SN: 1501-UP

1шт.

28

01010-81650

BOLT

SN: 1501-UP

2шт.

29

01643-31645

WASHER

SN: 1501-UP

3шт.

30

11Y-30-11160

BRACKET

SN: 1501-UP

1шт.

31

01010-81645

BOLT

SN: 1501-UP

2шт.

32

01643-31645

WASHER

SN: 1501-UP

2шт.

Выбрано товаров: 0