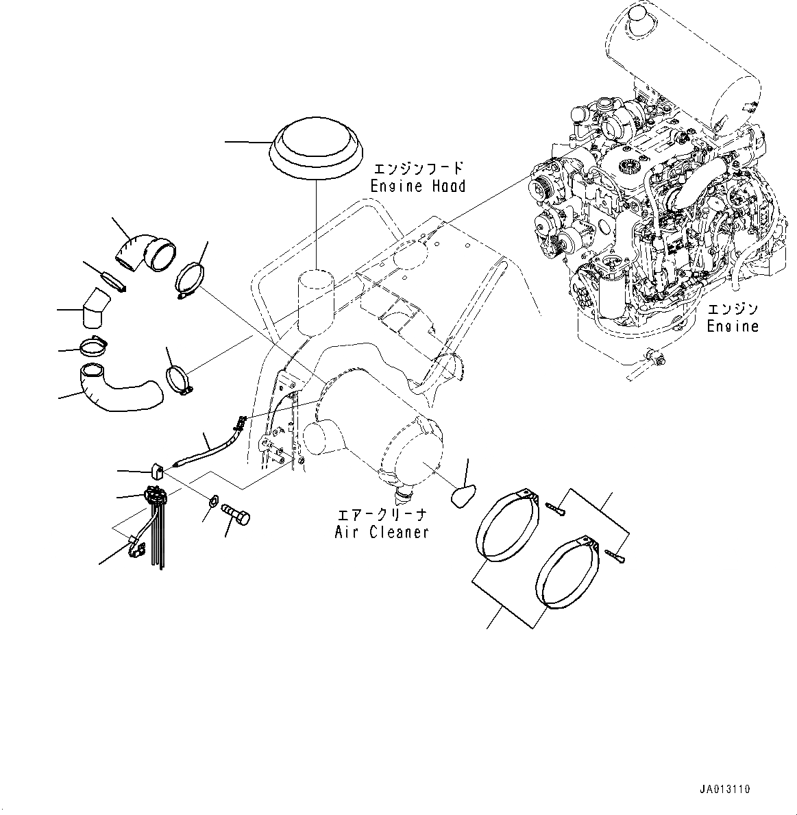
Запчасти Komatsu D39EX-22 ВОЗДУХООЧИСТИТЕЛЬ, КРЫШКА (№98-) ВОЗДУХООЧИСТИТЕЛЬ, С ВПУСК ВОЗДУХА RAIN КРЫШКА

Схема запчастей Komatsu D39EX-22 - ВОЗДУХООЧИСТИТЕЛЬ, КРЫШКА (№98-) ВОЗДУХООЧИСТИТЕЛЬ, С ВПУСК ВОЗДУХА RAIN КРЫШКА
7
11
15
12
17
14
16
8
4
10
9
2
3
1
6
13
5
FIT
1:1
100%

Артикул

Название

Примечание

Количество

1

11Y-01-32510

Plate, Mark, Top

SN: 3001-UP

1шт.

2

6136-11-4450

Band

SN: 3001-UP

2шт.

3

6643-11-4641

Bolt

SN: 3001-UP

2шт.

4

7861-93-1422

Sensor

SN: 3571-UP

1шт.

5

08211-00720

Clip

SN: 3001-UP

1шт.

6

600-181-3860

Cap

SN: 3001-UP

1шт.

7

08671-50030

Hose

SN: 3001-UP

1шт.

8

6217-11-4590

Block

SN: 3001-UP

1шт.

9

01010-81045

Bolt

SN: 3001-UP

1шт.

10

01643-31032

Washer

SN: 3001-UP

1шт.

11

11Y-01-31941

Hose

SN: 3001-UP

1шт.

12

07299-00120

Clamp

SN: 3001-UP

1шт.

13

11Y-01-31951

Hose

SN: 3001-UP

1шт.

14

07299-00095

Clamp, Hose

SN: 3001-UP

1шт.

15

11Y-01-31961

Pipe

SN: 3001-UP

1шт.

16

07299-00095

Clamp, Hose

SN: 3908-UP

1шт.

17

07299-00080

Clamp, Hose

SN: 3908-UP

1шт.

Выбрано товаров: 17