Качественные детали и логистика
Оригинальные и аналоговые запчасти с доставкой по России, Казахстану и Беларуси
©2022 PartSell ООО "Система" ИНН 2463123282 ОГРН 1212400004838
Центральный офис: г. Красноярск, Академика Киренского, д.87, пом.4
Телефон: 8 (800) 777-65-74 Email: zakaz@partsell.ru
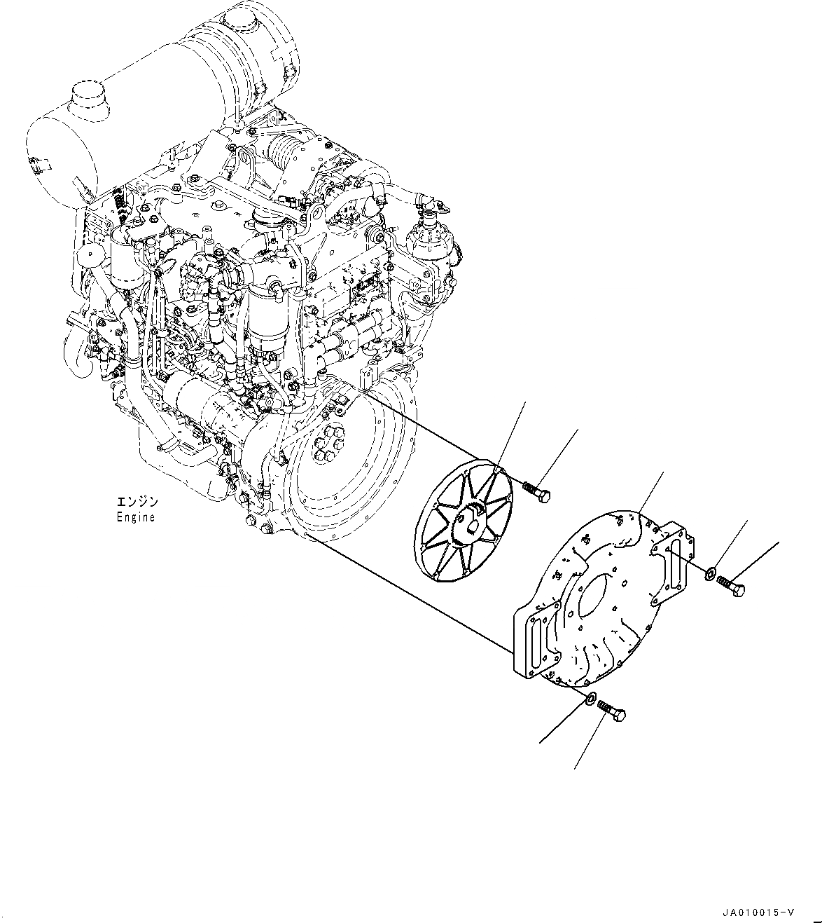
ДЕМПФЕР (№9-)
№
Артикул
Название
Примечание
Количество
1
11Y-12-31110
Coupling
SN: 90001-UP
1шт.
2
11Y-12-11130
Bolt
8шт.
3
11Y-12-41111
Cover
4
01010-81050
5
01643-31032
Washer
6
01010-81060
4шт.
7
Выбрано товаров: 0