Запчасти Komatsu D39EX-23 КАБИНА ЭЛЕКТР. БЛОК, КРЫШКА(№9-) КАБИНА ЭЛЕКТР. БЛОК, С ДОПОЛН. ЗАДН. ЛАМПА РАБОЧ. ОСВЕЩЕНИЯ, VOLT POWER ВЫПУСКН.

Схема запчастей Komatsu D39EX-23 - КАБИНА ЭЛЕКТР. БЛОК, КРЫШКА(№9-) КАБИНА ЭЛЕКТР. БЛОК, С ДОПОЛН. ЗАДН. ЛАМПА РАБОЧ. ОСВЕЩЕНИЯ, VOLT POWER ВЫПУСКН.
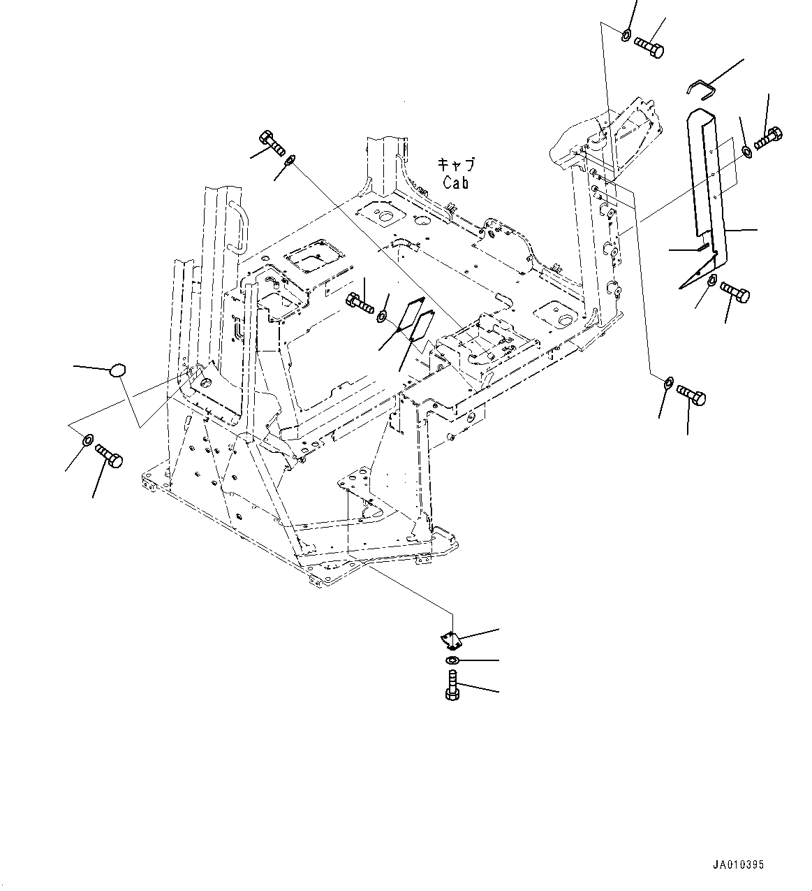
11
12
8
9
6
7
15
16
17
14
13
1
2
3
2
4
3
5
19
18
10
20
21
FIT
1:1
100%

Артикул

Название

Примечание

Количество

1

12Y-979-1642

Cover

SN: 90001-UP

1шт.

2

01010-D0820

Bolt

SN: 90001-UP

4шт.

3

01643-70823

Washer

SN: 90001-UP

4шт.

4

12Y-978-3492

Trim

SN: 90001-UP

1шт.

5

12Y-979-1860

Seal

SN: 90001-UP

1шт.

6

11Y-06-46830

Cover

SN: 90001-UP

1шт.

7

11Y-06-46840

Sheet

SN: 90001-UP

1шт.

8

01010-D0820

Bolt

SN: 90001-UP

2шт.

9

01643-70823

Washer

SN: 90001-UP

2шт.

10

12Y-06-26760

Plate

SN: 90001-UP

1шт.

11

01010-D1020

Bolt

SN: 90001-UP

1шт.

12

01643-71032

Washer

SN: 90001-UP

1шт.

13

01010-D1016

Bolt

SN: 90001-UP

2шт.

14

01643-71032

Washer

SN: 90001-UP

2шт.

15

12Y-06-26771

Plate

SN: 90001-UP

1шт.

16

01010-81020

Bolt

SN: 90001-UP

2шт.

17

01643-31032

Washer

SN: 90001-UP

2шт.

18

01010-D0816

Bolt

SN: 90001-UP

4шт.

19

01643-70823

Washer

SN: 90001-UP

4шт.

20

01010-D1025

Bolt

SN: 90001-UP

2шт.

21

01643-71032

Washer

SN: 90001-UP

2шт.

Выбрано товаров: 21