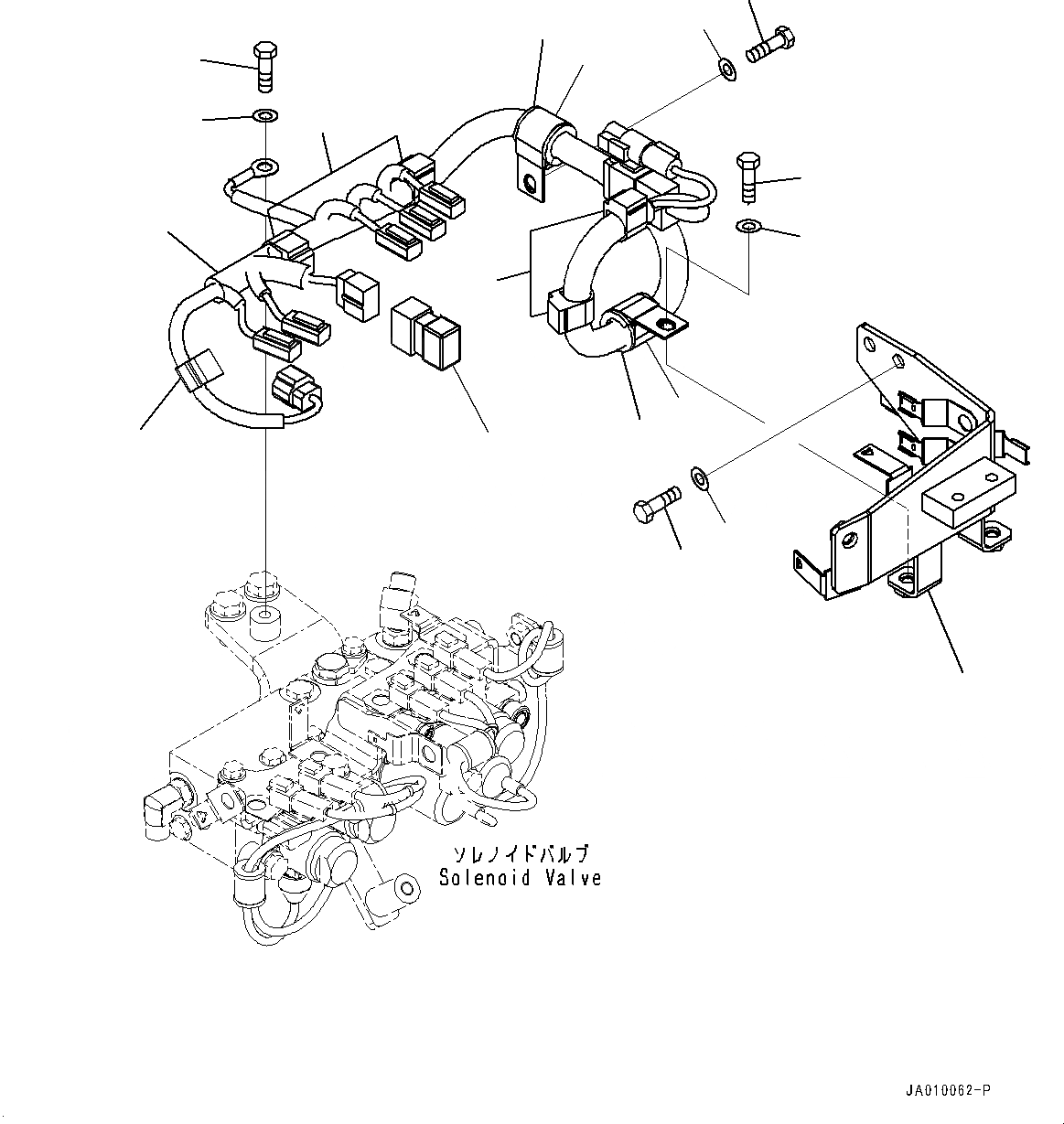
Запчасти Komatsu D39EX-23 ЭЛЕКТРИЧ. ПРОВОДКА, ПРОВОДКА, СОЛЕНОИДНЫЙ КЛАПАН (№9-) ЭЛЕКТРИЧ. ПРОВОДКА

Схема запчастей Komatsu D39EX-23 - ЭЛЕКТРИЧ. ПРОВОДКА, ПРОВОДКА, СОЛЕНОИДНЫЙ КЛАПАН (№9-) ЭЛЕКТРИЧ. ПРОВОДКА
1
5
6
11
12
13
9
10
15
16
3
2
4
7
8
7
8
14
FIT
1:1
100%

Артикул

Название

Примечание

Количество

1

11Y-06-41341

Wiring Harness

SN: 90001-UP

1шт.

2

8233-06-3350

Diode

SN: 90001-UP

1шт.

3

08211-01520

Clip

SN: 90001-UP

2шт.

4

08211-00720

Clip

SN: 90001-UP

1шт.

5

01010-81016

Bolt

SN: 90001-UP

1шт.

6

01643-31032

Washer

SN: 90001-UP

1шт.

7

04434-52711

Clip

SN: 90001-UP

2шт.

8

07095-20419

Cushion

SN: 90001-UP

2шт.

9

01010-81025

Bolt

SN: 90001-UP

1шт.

10

01643-31032

Washer

SN: 90001-UP

1шт.

11

01010-81020

Bolt

SN: 90001-UP

1шт.

12

01643-31032

Washer

SN: 90001-UP

1шт.

13

08211-01520

Clip

SN: 90001-UP

2шт.

14

11Y-06-41491

Bracket

SN: 90001-UP

1шт.

15

01010-81025

Bolt

SN: 90001-UP

2шт.

16

01643-31032

Washer

SN: 90001-UP

2шт.

Выбрано товаров: 16