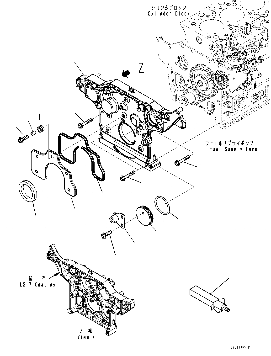
Запчасти Komatsu SAA4D95LE-6B ПЕРЕДН. ПРИВОД КРЫШКА(№7-) ПЕРЕДН. ПРИВОД COVER

Схема запчастей Komatsu SAA4D95LE-6B - ПЕРЕДН. ПРИВОД КРЫШКА(№7-) ПЕРЕДН. ПРИВОД COVER
5
7
8
9
14
15
1
6
10
11
12
13
2
3
4
5
7
8
9
14
15
1
6
10
11
12
13
2
3
4
FIT
1:1
100%

Артикул

Название

Примечание

Количество

1

6275-21-3110

Cover

SN: 700004-UP

1шт.

2

6275-21-3710

Plate

SN: 700004-UP

1шт.

3

07000-A3042

O-ring

SN: 700004-UP

1шт.

4

6275-21-3730

Plate

SN: 700004-UP

1шт.

5

6156-81-9130

Bolt

SN: 700004-UP

2шт.

6

6204-21-3530

Seal, Front

SN: 700004-UP

1шт.

7

01435-00855

Bolt

SN: 700004-UP

10шт.

8

01435-00860

Bolt

SN: 700004-UP

1шт.

9

01435-00870

Bolt

SN: 700004-UP

2шт.

10

6275-21-3310

Cover

SN: 700004-UP

1шт.

11

6275-21-3390

Packing

SN: 700004-UP

1шт.

12

6204-21-3460

Grommet

SN: 700004-UP

5шт.

13

6204-21-3480

Spacer

SN: 700004-UP

5шт.

14

01435-00620

Bolt

SN: 700004-UP

25шт.

15

09920-00150

Liquid gasket, LG-7, 150G

SN: 700004-UP

-2шт.

1

6275-21-3110

Cover

SN: 700004-UP

1шт.

2

6275-21-3710

Plate

SN: 700004-UP

1шт.

3

07000-A3042

O-ring

SN: 700004-UP

1шт.

4

6275-21-3730

Plate

SN: 700004-UP

1шт.

5

6156-81-9130

Bolt

SN: 700004-UP

2шт.

6

6204-21-3530

Seal, Front

SN: 700004-UP

1шт.

7

01435-00855

Bolt

SN: 700004-UP

10шт.

8

01435-00860

Bolt

SN: 700004-UP

1шт.

9

01435-00870

Bolt

SN: 700004-UP

2шт.

10

6275-21-3310

Cover

SN: 700004-UP

1шт.

11

6275-21-3390

Packing

SN: 700004-UP

1шт.

12

6204-21-3460

Grommet

SN: 700004-UP

5шт.

13

6204-21-3480

Spacer

SN: 700004-UP

5шт.

14

01435-00620

Bolt

SN: 700004-UP

25шт.

15

09920-00150

Liquid gasket, LG-7, 150G

SN: 700004-UP

-2шт.

Выбрано товаров: 0