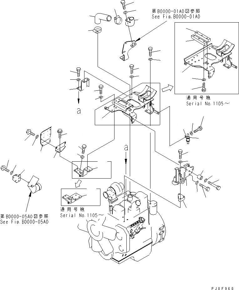
Запчасти Komatsu D39PX-21 КОМПОНЕНТЫ ДВИГАТЕЛЯ (КРОМЕ ЯПОН.) КОМПОНЕНТЫ ДВИГАТЕЛЯ

Схема запчастей Komatsu D39PX-21 - КОМПОНЕНТЫ ДВИГАТЕЛЯ (КРОМЕ ЯПОН.) КОМПОНЕНТЫ ДВИГАТЕЛЯ
1
1
2
3
4
5
6
7
8
9
10
11
11
12
13
14
14
15
16
17
18
19
20
21
22
23
24
25
26
27
28
29
30
31
31
32
33
34
35
36
37
38
39
40
41
42
FIT
1:1
100%

Артикул

Название

Примечание

Количество

|$2

11Y-01-11101

BRACKET

SN: 1310-1499

1шт.

|$3

11Y-01-11100

BRACKET

SN: 1105-1309

1шт.

1

0

BRACKET

SN: 1310-1499

1шт.

1

0

BRACKET

SN: 1071-1309

1шт.

1

0

BRACKET

SN: (1071-1104)

1шт.

1

11Y-01-11143

BRACKET

SN: 1001-1070

1шт.

2

11Y-01-11430

PLATE

SN: 1105-UP

1шт.

3

11Y-01-11440

PLATE

SN: 1105-UP

1шт.

4

01010-E1225

BOLT

SN: 1105-UP

6шт.

5

01643-31232

WASHER

SN: 1105-UP

6шт.

6

01010-81260

BOLT

SN: 1001-UP

2шт.

7

01643-31232

WASHER

SN: 1001-UP

2шт.

8

11Y-01-11155

BRACKET

SN: 1310-1499

1шт.

8

11Y-01-11154

BRACKET

SN: 1001-1309

1шт.

8

\4\11Y-01-11152

BRACKET

SN: 1001-1070

1шт.

|$$16

(11Y-01-11154,11Y-01-11280)

-1шт.

9

01010-81240

BOLT

SN: 1105-UP

2шт.

9

0

BOLT

SN: 1001-1104

2шт.

10

01010-81265

BOLT

SN: 1105-UP

1шт.

10

0

BOLT

SN: 1071-1104

1шт.

10

01010-81045

BOLT

SN: 1001-1070

1шт.

11

01643-31232

WASHER

SN: 1105-UP

3шт.

11

0

WASHER

SN: 1001-1104

3шт.

12

01010-81065

BOLT

SN: 1105-UP

3шт.

12

0

BOLT

SN: 1001-1104

3шт.

13

01643-31032

WASHER

SN: 1001-UP

3шт.

14

11Y-01-11163

BRACKET

SN: 1105-UP

1шт.

14

0

BRACKET

SN: (1001-1104)

1шт.

15

01010-81030

BOLT

SN: 1105-UP

4шт.

15

0

BOLT

SN: 1001-1104

2шт.

16

01643-31032

WASHER

SN: 1105-UP

4шт.

16

0

WASHER

SN: 1001-1104

2шт.

17

01010-E1030

BOLT

SN: 1105-UP

2шт.

17

0

BOLT

SN: 1001-1104

2шт.

18

01643-31032

WASHER

SN: 1001-UP

2шт.

19

11Y-01-11172

BRACKET

SN: 1105-UP

1шт.

19

0

BRACKET

SN: (1001-1104)

1шт.

20

01010-E1040

BOLT

SN: 1105-UP

2шт.

20

0

BOLT

SN: 1001-1104

2шт.

21

01643-31032

WASHER

SN: 1001-UP

2шт.

22

01010-81030

BOLT

SN: 1001-UP

2шт.

23

01643-31032

WASHER

SN: 1001-UP

2шт.

24

04434-51810

CLIP

SN: 1001-UP

1шт.

25

07095-20213

CUSHION

SN: 1001-UP

1шт.

26

01010-81016

BOLT

SN: 1001-UP

1шт.

27

01643-31032

WASHER

SN: 1001-UP

1шт.

28

195-33-11220

SPACER

SN: 1001-UP

1шт.

29

11Y-01-11280

SPACER

SN: 1001-UP

1шт.

30

11Y-01-11222

HOSE

SN: 1001-UP

1шт.

31

07289-00070

CLAMP

SN: 1001-UP

2шт.

32

11Y-01-11292

PIPE

SN: 1105-UP

1шт.

32

0

PIPE

SN: (1001-1104)

1шт.

33

01010-81030

BOLT

SN: 1310-1499

2шт.

33

01010-81025

BOLT

SN: 1001-1309

2шт.

34

01643-31032

WASHER

SN: 1001-UP

2шт.

35

6737-81-8220

BRACKET

SN: 1001-UP

1шт.

36

01435-01016

BOLT

SN: 1001-UP

2шт.

37

6737-81-8241

COVER

SN: 1001-UP

1шт.

38

6201-81-6560

SPACER

SN: 1001-UP

2шт.

39

01435-00820

BOLT

SN: 1001-UP

2шт.

40

6737-81-8251

COVER

SN: 1001-UP

1шт.

41

01435-00820

BOLT

SN: 1001-UP

2шт.

42

6201-81-6560

SPACER

SN: 1001-UP

2шт.

Выбрано товаров: 63