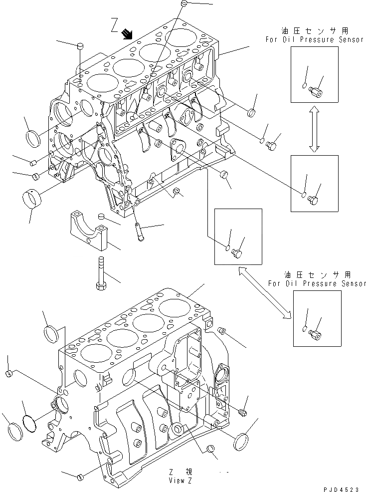
Запчасти Komatsu SAA4D102E-2A-B4 БЛОК ЦИЛИНДРОВ(№7777-) ДВИГАТЕЛЬ

Схема запчастей Komatsu SAA4D102E-2A-B4 - БЛОК ЦИЛИНДРОВ(№7777-) ДВИГАТЕЛЬ
1
1
2
2
2
3
4
5
6
7
8
9
9
9
10
11
12
13
14
15
15
16
16
17
18
19
20
21
22
23
24
25
26
27
1
1
2
2
2
3
4
5
6
7
8
9
9
9
10
11
12
13
14
15
15
16
16
17
18
19
20
21
22
23
24
25
26
27
FIT
1:1
100%

Артикул

Название

Примечание

Количество

|1

6731-21-1130

CYLINDER BLOCK ASS'Y

SN: 26277757-UP

1шт.

|1

0

BLOCK ASS'Y

SN: 26277757-UP

1шт.

1

0

BLOCK

SN: 26317765-UP

1шт.

|1

0

BLOCK

SN: 26277757-26317764

1шт.

2

6732-21-1830

PLUG

SN: 26277757-UP

3шт.

3

6732-21-1910

RING

SN: 26277757-UP

10шт.

4

0

CAP

SN: 26277757-UP

5шт.

5

6732-21-1411

BUSHING

SN: 26277757-UP

1шт.

6

6732-21-1611

BOLT

SN: 26277757-UP

10шт.

7

0

PLUG

SN: 26277757-UP

2шт.

8

6732-21-5530

PLUG

SN: 26277757-UP

2шт.

9

6732-21-1812

PLUG

SN: 26317765-UP

3шт.

|9

6732-21-1811

PLUG

SN: 26277757-26317764

3шт.

|10

6731-21-1220

BLOCK SERVICE KIT

SN: 26277757-UP

1шт.

10

6732-21-6140

RING

SN: 26277757-UP

2шт.

11

6731-21-1190

NOZZLE,PISTON COOLING (K2)

SN: 26281447-UP

4шт.

|11

0

NOZZLE,PISTON COOLING

SN: 26277757-26281446

4шт.

12

6732-21-1910

RING

SN: 26277757-UP

2шт.

13

6732-21-6120

PIN

SN: 26277757-UP

2шт.

14

6732-11-1910

PLUG

SN: 26277757-UP

1шт.

|15

6732-21-1960

PLUG ASS'Y

SN: 26277757-UP

2шт.

15

6215-81-9510

PLUG

SN: 26277757-UP

1шт.

16

6215-81-9710

O-RING (K2)

SN: 26277757-UP

1шт.

17

6215-81-9510

PLUG

SN: 26277757-UP

1шт.

18

6215-81-9710

O-RING (K2)

SN: 26277757-UP

1шт.

19

6735-21-5530

PLUG

SN: 26277757-UP

1шт.

20

6732-21-6130

PLUG

SN: 26277757-UP

1шт.

21

6732-21-6160

PLUG

SN: 26277757-UP

1шт.

22

6732-21-1930

O-RING

SN: 26277757-UP

1шт.

23

6732-11-1920

PLUG

SN: 26277757-UP

1шт.

|24

6732-81-3190

ADAPTER ASS'Y

SN: 26277757-UP

1шт.

24

6732-81-3180

ADAPTER

SN: 26277757-UP

1шт.

25

6215-81-9710

O-RING

SN: 26277757-UP

1шт.

26

6732-71-5450

NIPPLE

SN: 26277757-UP

1шт.

27

6215-81-9710

O-RING (K2)

SN: 26277757-UP

1шт.

|$$36

REFER TO FIG. NOS. OF REPAIR PARTS FOR O.S.¤ U.S.¤ AND SERVICE PARTS.

-1шт.

|1

6731-21-1130

CYLINDER BLOCK ASS'Y

SN: 26277757-UP

1шт.

|1

0

BLOCK ASS'Y

SN: 26277757-UP

1шт.

1

0

BLOCK

SN: 26317765-UP

1шт.

|1

0

BLOCK

SN: 26277757-26317764

1шт.

2

6732-21-1830

PLUG

SN: 26277757-UP

3шт.

3

6732-21-1910

RING

SN: 26277757-UP

10шт.

4

0

CAP

SN: 26277757-UP

5шт.

5

6732-21-1411

BUSHING

SN: 26277757-UP

1шт.

6

6732-21-1611

BOLT

SN: 26277757-UP

10шт.

7

0

PLUG

SN: 26277757-UP

2шт.

8

6732-21-5530

PLUG

SN: 26277757-UP

2шт.

9

6732-21-1812

PLUG

SN: 26317765-UP

3шт.

|9

6732-21-1811

PLUG

SN: 26277757-26317764

3шт.

|10

6731-21-1220

BLOCK SERVICE KIT

SN: 26277757-UP

1шт.

10

6732-21-6140

RING

SN: 26277757-UP

2шт.

11

6731-21-1190

NOZZLE,PISTON COOLING (K2)

SN: 26281447-UP

4шт.

|11

0

NOZZLE,PISTON COOLING

SN: 26277757-26281446

4шт.

12

6732-21-1910

RING

SN: 26277757-UP

2шт.

13

6732-21-6120

PIN

SN: 26277757-UP

2шт.

14

6732-11-1910

PLUG

SN: 26277757-UP

1шт.

|15

6732-21-1960

PLUG ASS'Y

SN: 26277757-UP

2шт.

15

6215-81-9510

PLUG

SN: 26277757-UP

1шт.

16

6215-81-9710

O-RING (K2)

SN: 26277757-UP

1шт.

17

6215-81-9510

PLUG

SN: 26277757-UP

1шт.

18

6215-81-9710

O-RING (K2)

SN: 26277757-UP

1шт.

19

6735-21-5530

PLUG

SN: 26277757-UP

1шт.

20

6732-21-6130

PLUG

SN: 26277757-UP

1шт.

21

6732-21-6160

PLUG

SN: 26277757-UP

1шт.

22

6732-21-1930

O-RING

SN: 26277757-UP

1шт.

23

6732-11-1920

PLUG

SN: 26277757-UP

1шт.

|24

6732-81-3190

ADAPTER ASS'Y

SN: 26277757-UP

1шт.

24

6732-81-3180

ADAPTER

SN: 26277757-UP

1шт.

25

6215-81-9710

O-RING

SN: 26277757-UP

1шт.

26

6732-71-5450

NIPPLE

SN: 26277757-UP

1шт.

27

6215-81-9710

O-RING (K2)

SN: 26277757-UP

1шт.

|$$36

REFER TO FIG. NOS. OF REPAIR PARTS FOR O.S.¤ U.S.¤ AND SERVICE PARTS.

-1шт.

Выбрано товаров: 0