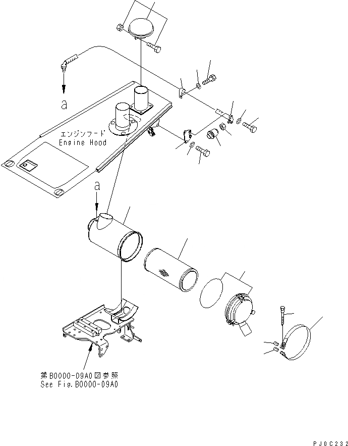
Запчасти Komatsu D39PX-21A-M ВОЗДУХООЧИСТИТЕЛЬ КОМПОНЕНТЫ ДВИГАТЕЛЯ

Схема запчастей Komatsu D39PX-21A-M - ВОЗДУХООЧИСТИТЕЛЬ КОМПОНЕНТЫ ДВИГАТЕЛЯ
1
2
3
4
5
6
7
8
9
10
11
12
13
14
15
16
17
18
19
FIT
1:1
100%

Артикул

Название

Примечание

Количество

|1

6737-81-7100

AIR CLEANER ASS'Y

SN: 1501-UP

1шт.

1

600-185-2500

ELEMENT ASS'Y

SN: 1501-UP

1шт.

2

6737-81-7110

BODY

SN: 1501-UP

1шт.

3

600-184-1230

COVER ASS'Y

SN: 1501-UP

1шт.

|3

600-184-1280

O-RING

SN: 1501-UP

1шт.

4

124-01-56910

BAND

SN: 1501-UP

2шт.

5

6110-23-6520

BOLT

SN: 1501-UP

2шт.

6

124-01-56920

PIN

SN: 1501-UP

2шт.

7

124-01-56930

PIN

SN: 1501-UP

2шт.

8

08672-01000

INDICATOR

SN: 1501-UP

1шт.

9

600-181-9390

CAP

SN: 1501-UP

1шт.

10

08671-10060

HOSE

SN: 1501-UP

1шт.

11

01010-80616

BOLT

SN: 1501-UP

2шт.

12

01643-30623

WASHER

SN: 1501-UP

2шт.

13

11Y-01-11911

BRACKET

SN: 1501-UP

1шт.

14

01010-81025

BOLT

SN: 1501-UP

2шт.

15

01643-31032

WASHER

SN: 1501-UP

2шт.

16

11Y-01-11920

JOINT

SN: 1501-UP

1шт.

17

04434-51410

CLIP

SN: 1501-UP

1шт.

18

01010-81025

BOLT

SN: 1501-UP

1шт.

19

01643-31032

WASHER

SN: 1501-UP

1шт.

Выбрано товаров: 21