Запчасти Komatsu D39PX-21A-M PPC ЛИНИЯ (ШЛАНГИ) ГИДРАВЛИКА

Схема запчастей Komatsu D39PX-21A-M - PPC ЛИНИЯ (ШЛАНГИ) ГИДРАВЛИКА
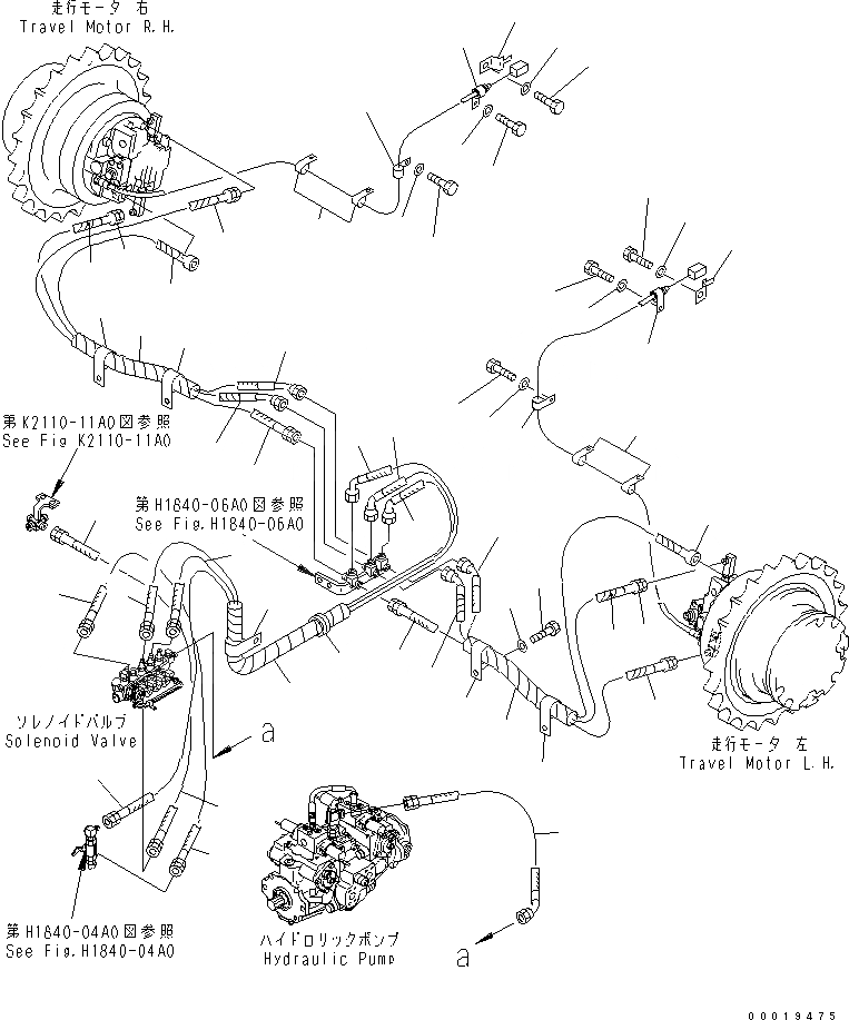
1
1
2
2
3
3
4
5
5
6
6
7
7
8
9
10
10
11
11
12
12
13
14
15
16
16
16
16
16
17
18
19
19
20
20
21
21
22
22
22
22
23
23
23
23
24
24
24
24
25
25
26
26
27
27
28
FIT
1:1
100%

Артикул

Название

Примечание

Количество

1

11Y-62-21810

HOSE

SN: 1501-UP

1шт.

|1

21U-62-34710

BAND¤ YELLOW

SN: 1501-UP

2шт.

2

11Y-62-21810

HOSE

SN: 1501-UP

1шт.

|2

21U-62-34730

BAND¤ GREEN

SN: 1501-UP

2шт.

3

11Y-62-21420

HOSE

SN: 1501-UP

1шт.

|3

21U-62-34740

BAND¤ ORANGE

SN: 1501-UP

2шт.

4

08210-02908

SPIRAL TUBE

SN: 1501-UP

1шт.

5

11Y-62-23470

HOSE

SN: 1501-UP

1шт.

|5

21U-62-34730

BAND¤ GREEN

SN: 1501-UP

2шт.

6

11Y-62-11471

HOSE

SN: 1501-UP

1шт.

|6

21U-62-34710

BAND¤ YELLOW

SN: 1501-UP

2шт.

7

11Y-62-21380

HOSE

SN: 1501-UP

1шт.

|7

21U-62-34740

BAND¤ ORANGE

SN: 1501-UP

1шт.

8

08210-02905

SPIRAL TUBE

SN: 1501-UP

1шт.

9

08210-01212

SPIRAL TUBE

SN: 1501-UP

1шт.

10

11Y-62-11670

HOSE

SN: 1501-UP

1шт.

|10

21U-62-34710

BAND¤ YELLOW

SN: 1501-UP

1шт.

11

11Y-62-21480

HOSE

SN: 1501-UP

1шт.

|11

21U-62-34730

BAND¤ GREEN

SN: 1501-UP

1шт.

12

11Y-62-21390

HOSE

SN: 1501-UP

1шт.

|12

21U-62-34740

BAND¤ ORANGE

SN: 1501-UP

1шт.

13

08210-02905

SPIRAL TUBE

SN: 1501-UP

1шт.

14

08210-01212

SPIRAL TUBE

SN: 1501-UP

1шт.

15

02764-00305

HOSE

SN: 1501-UP

1шт.

16

04434-52711

CLIP

SN: 1501-UP

5шт.

17

01010-81020

BOLT

SN: 1501-UP

4шт.

18

01643-31032

WASHER

SN: 1501-UP

4шт.

19

11Y-62-21460

HOSE

SN: 1501-UP

1шт.

20

02761-003A3

HOSE

SN: 1501-UP

1шт.

21

04434-51710

CLIP

SN: 1501-UP

2шт.

22

04434-51510

CLIP

SN: 1501-UP

6шт.

23

01010-81016

BOLT

SN: 1501-UP

8шт.

24

01643-31032

WASHER

SN: 1501-UP

8шт.

25

08193-21012

CLIP

SN: 1501-UP

2шт.

26

01010-81016

BOLT

SN: 1501-UP

2шт.

27

01643-31032

WASHER

SN: 1501-UP

2шт.

28

11Y-62-11560

GROMMET

SN: 1501-UP

1шт.

Выбрано товаров: 37