Запчасти Komatsu D39PX-21A ОСНОВН. КОНСТРУКЦИЯ (УПРАВЛ-Е ПОДАЧ. ТОПЛИВА /) КАБИНА ОПЕРАТОРА И СИСТЕМА УПРАВЛЕНИЯ

Схема запчастей Komatsu D39PX-21A - ОСНОВН. КОНСТРУКЦИЯ (УПРАВЛ-Е ПОДАЧ. ТОПЛИВА /) КАБИНА ОПЕРАТОРА И СИСТЕМА УПРАВЛЕНИЯ
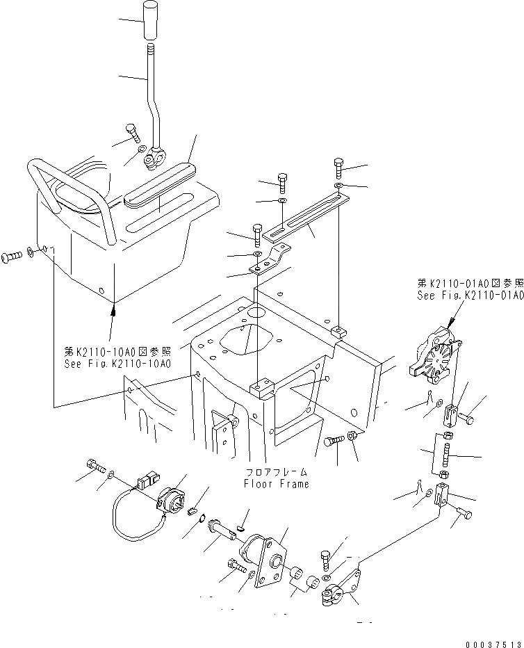
1
2
3
4
5
6
7
8
9
10
10
11
11
12
13
14
15
16
17
18
19
20
21
22
23
24
25
26
27
28
29
30
31
32
33
34
35
36
37
FIT
1:1
100%

Артикул

Название

Примечание

Количество

1

11Y-43-13211

LEVER

SN: 1501-UP

1шт.

2

01010-80830

BOLT

SN: 1501-UP

1шт.

3

01643-30823

WASHER

SN: 1501-UP

1шт.

4

09304-01240

KNOB

SN: 1501-UP

1шт.

5

114-43-48241

GROMMET

SN: 1501-UP

1шт.

6

11Y-43-23370

PLATE

SN: 1501-UP

1шт.

7

01010-80818

BOLT

SN: 1501-UP

2шт.

8

01643-30823

WASHER

SN: 1501-UP

2шт.

9

11Y-43-13380

PLATE

SN: 1501-UP

1шт.

10

01252-70820

BOLT

SN: 1501-UP

2шт.

11

01643-30823

WASHER

SN: 1501-UP

2шт.

12

01016-50830

BOLT

SN: 1501-UP

1шт.

13

01580-10806

NUT

SN: 1501-UP

1шт.

14

11Y-43-23410

BRACKET

SN: 1501-UP

1шт.

15

01010-81025

BOLT

SN: 1501-UP

3шт.

16

01643-31032

WASHER

SN: 1501-UP

3шт.

17

11Y-43-23420

SHAFT

SN: 1501-UP

1шт.

18

06123-01414

BEARING

SN: 1501-UP

2шт.

19

04010-00516

KEY

SN: 1501-UP

1шт.

20

142-43-13180

SPRING

SN: 1501-UP

1шт.

21

04064-01610

RING

SN: 1501-UP

1шт.

22

7861-93-4130

SENSOR,ANGLE

SN: 1501-UP

1шт.

23

01010-80616

BOLT

SN: 1501-UP

2шт.

24

01643-30623

WASHER

SN: 1501-UP

2шт.

25

11Y-43-23431

LEVER

SN: 1501-UP

1шт.

26

01010-80830

BOLT

SN: 1501-UP

1шт.

27

01643-30823

WASHER

SN: 1501-UP

1шт.

28

11Y-43-13290

YOKE

SN: 1501-UP

1шт.

29

04210-20832

YOKE

SN: 1501-UP

1шт.

30

01580-10806

NUT

SN: 1501-UP

2шт.

31

04245-40806

ROD

SN: 1501-UP

1шт.

32

04205-10625

PIN

SN: 1501-UP

1шт.

33

04050-11612

PIN,COTTER

SN: 1501-UP

1шт.

34

01640-20610

WASHER

SN: 1501-UP

1шт.

35

04205-10825

PIN

SN: 1501-UP

1шт.

36

04050-12015

PIN,COTTER

SN: 1501-UP

1шт.

37

01640-20816

WASHER

SN: 1501-UP

1шт.

Выбрано товаров: 37