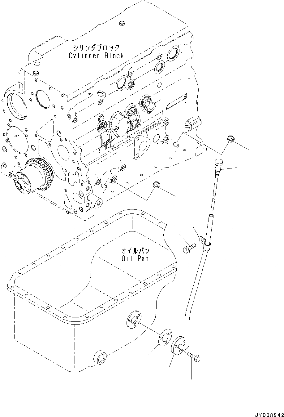
Запчасти Komatsu SAA4D107E-1AA МАСЛ. ЩУП (№-) МАСЛ. ЩУП

Схема запчастей Komatsu SAA4D107E-1AA - МАСЛ. ЩУП (№-) МАСЛ. ЩУП
7
7
2
3
1
5
6
4
7
7
2
3
1
5
6
4
FIT
1:1
100%

Артикул

Название

Примечание

Количество

1

6751-21-5440

Oil Level Gauge

SN: 26513014-UP

1шт.

2

6751-21-5450

Guide

SN: 26513014-UP

1шт.

3

6751-21-5460

Gasket

SN: 26513014-UP

1шт.

4

01435-60816

Bolt

SN: 26580480-UP

3шт.

4

6732-21-3120

Bolt

SN: 26513014-26580479

3шт.

5

6216-74-6180

Bolt

SN: 26513014-UP

1шт.

6

04434-51208

Clip

SN: 26513014-UP

1шт.

7

6732-21-5530

Plug

SN: 26513014-UP

4шт.

1

6751-21-5440

Oil Level Gauge

SN: 26513014-UP

1шт.

2

6751-21-5450

Guide

SN: 26513014-UP

1шт.

3

6751-21-5460

Gasket

SN: 26513014-UP

1шт.

4

01435-60816

Bolt

SN: 26580480-UP

3шт.

4

6732-21-3120

Bolt

SN: 26513014-26580479

3шт.

5

6216-74-6180

Bolt

SN: 26513014-UP

1шт.

6

04434-51208

Clip

SN: 26513014-UP

1шт.

7

6732-21-5530

Plug

SN: 26513014-UP

4шт.

Выбрано товаров: 0