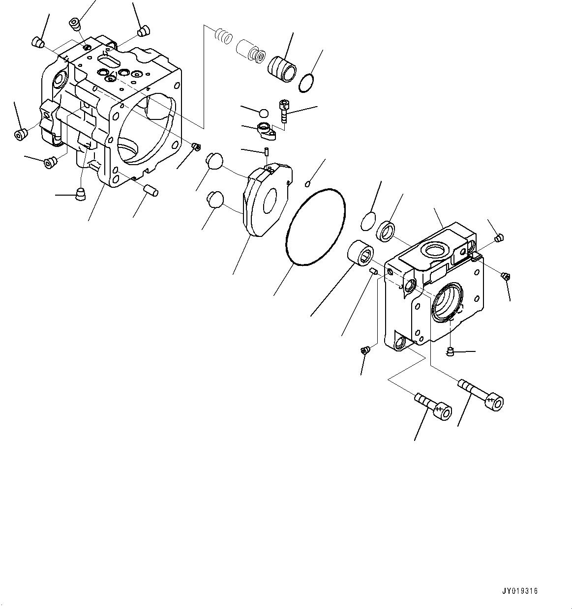
Запчасти Komatsu D39PX-22 ГИДРАВЛ МАСЛ. НАСОС, РАБОЧЕЕ ОБОРУДОВАНИЕ И НАСОС ВЕНТИЛЯТОРА (/) (№88-) ГИДРАВЛ МАСЛ. НАСОС

Схема запчастей Komatsu D39PX-22 - ГИДРАВЛ МАСЛ. НАСОС, РАБОЧЕЕ ОБОРУДОВАНИЕ И НАСОС ВЕНТИЛЯТОРА (/) (№88-) ГИДРАВЛ МАСЛ. НАСОС
17
2
2
1
5
6
7
8
9
12
14
20
21
16
17
18
19
11
17
4
3
2
17
13
10
23
22
15
2
2
2
FIT
1:1
100%

Артикул

Название

Примечание

Количество

|$0

708-1T-00552

Pump Assembly

SN: 3882-UP

1шт.

|$1

708-1T-01552

Pump Subassembly

SN: 3882-UP

1шт.

|$2

708-1T-04151

Case Assembly

SN: 3882-UP

1шт.

1

Case

SN: 3882-UP

1шт.

2

Plug

SN: 3882-UP

8шт.

3

Sleeve

SN: 3882-UP

1шт.

4

Ring

SN: 3882-UP

1шт.

5

708-3S-13480

Cam, Rocker

SN: 3882-UP

1шт.

6

04260-01270

Ball

SN: 3001-UP

1шт.

7

708-3S-14141

Spacer

SN: 3882-UP

1шт.

8

708-1S-13420

Pin

SN: 3001-UP

2шт.

9

01252-60616

Bolt, Hexagon Socket Head

SN: 3001-UP

1шт.

10

708-1T-33432

Ball, Retainer

SN: 3882-UP

1шт.

11

708-1T-33470

Ball, Retainer

SN: 3882-UP

1шт.

12

01252-61235

Bolt, Hexagon Socket Head

SN: 3882-UP

2шт.

13

01252-61255

Bolt, Hexagon Socket Head

SN: 3882-UP

2шт.

14

04020-01024

Pin, Dowel

SN: 3001-UP

2шт.

15

708-3T-11310

Orifice

SN: 3882-UP

1шт.

|$18

708-1T-04561

Cap Assembly

SN: 3882-UP

1шт.

16

Cap

SN: 3882-UP

1шт.

17

Plug

SN: 3001-UP

4шт.

18

708-21-12760

Bearing

SN: 3001-UP

1шт.

19

720-68-19610

Pin

SN: 3001-UP

1шт.

20

07000-B1006

O-ring

SN: 3882-UP

1шт.

21

07000-B2130

O-ring

SN: 3882-UP

1шт.

22

708-2L-25480

Filter

SN: 3882-UP

1шт.

23

708-2L-25490

O-ring

SN: 3882-UP

1шт.

Выбрано товаров: 27