Запчасти Komatsu D39PX-22 СЦЕПНОЕ УСТРОЙСТВО (№-) СЦЕПНОЕ УСТРОЙСТВО, БЕЗ ЗАДН. -НАВЕСН. ОБОРУД

Схема запчастей Komatsu D39PX-22 - СЦЕПНОЕ УСТРОЙСТВО (№-) СЦЕПНОЕ УСТРОЙСТВО, БЕЗ ЗАДН. -НАВЕСН. ОБОРУД
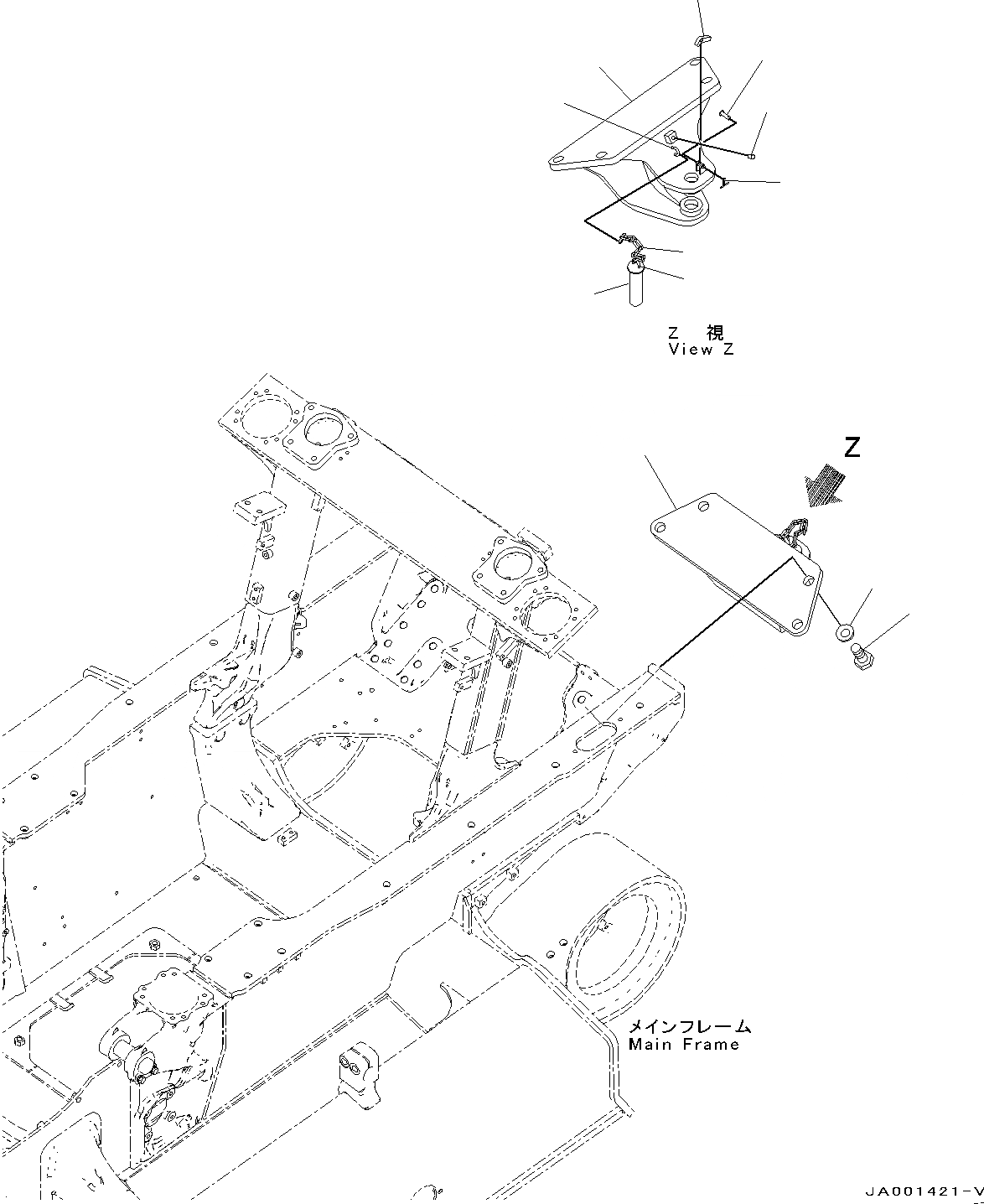
1
10
9
2
4
3
5
6
8
8
7
11
FIT
1:1
100%

Артикул

Название

Примечание

Количество

1

11Y-69-31111

Drawbar Assembly

SN: 3001-UP

1шт.

2

Drawbar

SN: 3001-UP

1шт.

3

04050-12012

Pin, Cotter

SN: 3001-UP

1шт.

4

04205-10825

Pin

SN: 3001-UP

1шт.

5

09249-00009

Latch

SN: 3001-UP

1шт.

6

09242-35130

Pin, Drawbar

SN: 3001-UP

1шт.

7

09245-04824

Chain

SN: 3001-UP

1шт.

8

09245-50060

Hook,Welded

SN: 3001-UP

2шт.

9

01010-82455

Bolt

SN: 3001-UP

4шт.

10

01643-32460

Washer

SN: 3001-UP

4шт.

11

07049-01215

Plug

SN: 3001-UP

1шт.

Выбрано товаров: 0