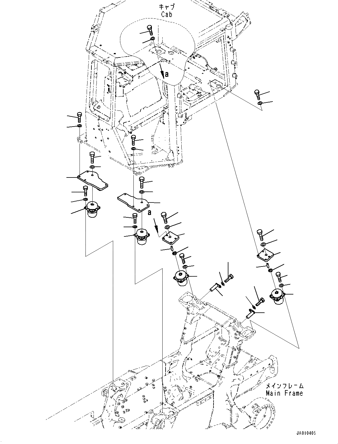
Запчасти Komatsu D39PX-23 ПОДВЕСКА (№9-) ПОДВЕСКА

Схема запчастей Komatsu D39PX-23 - ПОДВЕСКА (№9-) ПОДВЕСКА
5
19
18
17
16
7
6
7
11
9
6
5
4
8
14
15
2
1
3
4
3
20
15
14
10
16
17
18
19
20
9
8
8
9
21
23
22
23
22
21
13
12
12
13
FIT
1:1
100%

Артикул

Название

Примечание

Количество

1

11Y-54-41351

Bracket

SN: 90001-UP

1шт.

2

11Y-54-41751

Bracket

SN: 90001-UP

1шт.

3

154-54-73130

Bolt

SN: 90001-UP

2шт.

4

01643-32060

Washer

SN: 90001-UP

2шт.

5

8A31-54-1110

Cushion

SN: 90001-UP

2шт.

6

01010-81235

Bolt

SN: 90001-UP

8шт.

7

01643-31232

Washer

SN: 90001-UP

8шт.

8

198-54-42260

Bolt

SN: 90001-UP

8шт.

9

01643-71645

Washer

SN: 90001-UP

8шт.

10

11Y-54-47911

Plate

SN: 90001-UP

1шт.

11

11Y-54-47920

Plate

SN: 90001-UP

1шт.

12

17A-54-46440

Plate

SN: 90001-UP

2шт.

13

04020-00616

Pin, Dowel

SN: 90001-UP

4шт.

14

01010-82460

Bolt

SN: 90001-UP

2шт.

15

01643-32460

Washer

SN: 90001-UP

2шт.

16

17A-54-46130

Cushion

SN: 90001-UP

2шт.

17

01010-81440

Bolt

SN: 90001-UP

8шт.

18

01643-31445

Washer, Flat

SN: 90001-UP

8шт.

19

198-54-42260

Bolt

SN: 90001-UP

8шт.

20

01643-71645

Washer

SN: 90001-UP

8шт.

21

11Y-54-41421

Pin

SN: 90001-UP

2шт.

22

01010-81230

Bolt

SN: 90001-UP

2шт.

23

01643-31232

Washer

SN: 90001-UP

2шт.

Выбрано товаров: 23