Запчасти Komatsu D40A-1 КРЕСТОВИНА ОСНОВН. МУФТА И ТРАНСМИССИЯ

Схема запчастей Komatsu D40A-1 - КРЕСТОВИНА ОСНОВН. МУФТА И ТРАНСМИССИЯ
FIT
1:1
100%

Артикул

Название

Примечание

Количество

|$0

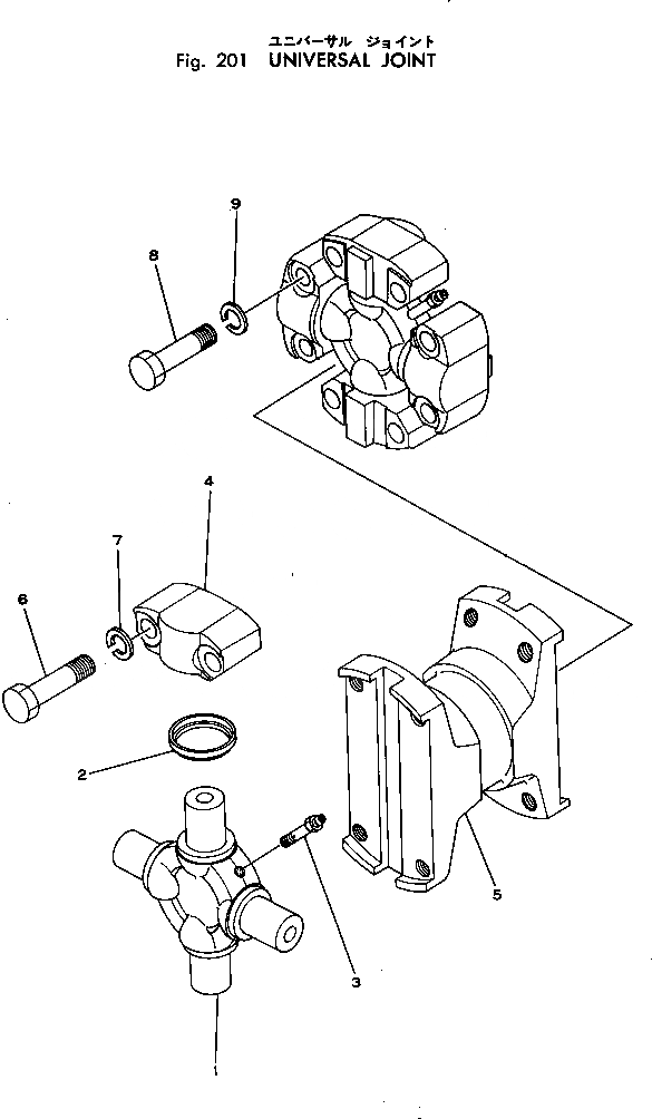
12F-10-13110

UNIVERSAL JOINT A.

SN: 2201-UP

1шт.

|$1

12F-10-11310

UNIVERSAL JOINT A.

SN: 1501-2200

1шт.

|$2

131-10-46110

CROSS PIN ASS'Y

SN: 1501-UP

2шт.

1

131-10-46160

PIN,CROSS

SN: 1501-UP

1шт.

2

131-10-46170

SEAL,DUST

SN: 1501-UP

4шт.

3

131-10-46181

FITTING,GREASE

SN: 1501-UP

1шт.

4

131-10-46240

BEARING

SN: 1501-UP

4шт.

5

12F-10-13120

SHAFT

SN: 2201-UP

1шт.

5

12F-10-11320

SHAFT

SN: 1501-2200

1шт.

6

07372-21045

BOLT

SN: 1501-UP

8шт.

7

01602-01030

WASHER,SPRING

SN: 1501-UP

8шт.

8

07372-21045

BOLT

SN: 1501-UP

8шт.

9

01602-01030

WASHER,SPRING

SN: 1501-UP

8шт.

Выбрано товаров: 0