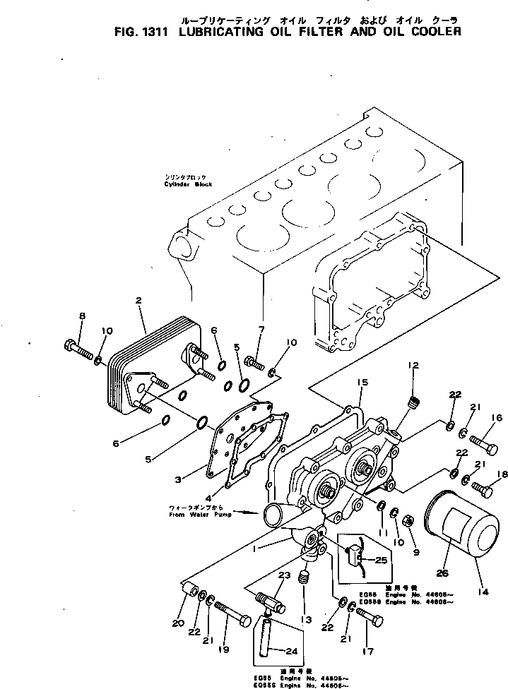
Запчасти Komatsu S4D105-3B МАСЛ. ФИЛЬТР И МАСЛООХЛАДИТЕЛЬ СИСТЕМА СМАЗКИ МАСЛ. СИСТЕМА

Схема запчастей Komatsu S4D105-3B - МАСЛ. ФИЛЬТР И МАСЛООХЛАДИТЕЛЬ СИСТЕМА СМАЗКИ МАСЛ. СИСТЕМА
FIT
1:1
100%

Артикул

Название

Примечание

Количество

|$0

6130-62-2101

OIL FILTER ASS'Y

SN: 44578-UP

1шт.

1

6130-52-5111

COVER

SN: 44578-UP

1шт.

2

6130-62-2120

ELEMENT

SN: 44578-UP

1шт.

3

6130-52-5171

COVER

SN: 44578-UP

1шт.

4

6130-52-5180

GASKET (K2)

SN: 44578-UP

1шт.

5

07000-63028

O-RING (K2)

SN: 44578-UP

2шт.

6

6127-61-2970

O-RING (K2)

SN: 44578-UP

4шт.

7

01010-30816

BOLT

SN: 44578-UP

8шт.

8

01010-30825

BOLT

SN: 44578-UP

1шт.

9

01580-00806

NUT

SN: 44578-UP

4шт.

10

01602-00825

WASHER,SPRING

SN: 44578-UP

13шт.

11

01640-20816

WASHER

SN: 44578-UP

4шт.

12

07043-00415

PLUG

SN: 44578-UP

1шт.

13

07043-00617

PLUG

SN: 44578-UP

1шт.

14

600-211-5240

CARTRIDGE

SN: .-UP

2шт.

14

0

CARTRIDGE

SN: 44578-.

2шт.

15

6130-52-5810

GASKET (K2)

SN: 44578-UP

1шт.

16

01010-31050

BOLT

SN: 44578-UP

7шт.

17

01010-31045

BOLT

SN: 44578-UP

1шт.

18

01010-31035

BOLT

SN: 44578-UP

1шт.

19

01010-31075

BOLT

SN: 44578-UP

1шт.

20

6112-21-6960

SPACER

SN: 44578-UP

1шт.

21

01602-01030

WASHER,SPRING

SN: 44578-UP

10шт.

22

01640-21016

WASHER

SN: 44578-UP

10шт.

23

6140-61-6512

VALVE,DRAIN

SN: 44578-UP

1шт.

26

600-211-5260

PLATE, CAUTION,(ENGLISH)

SN: 49411-UP

2шт.

|$0

6130-62-2101

OIL FILTER ASS'Y

SN: 44578-UP

1шт.

1

6130-52-5111

COVER

SN: 44578-UP

1шт.

2

6130-62-2120

ELEMENT

SN: 44578-UP

1шт.

3

6130-52-5171

COVER

SN: 44578-UP

1шт.

4

6130-52-5180

GASKET (K2)

SN: 44578-UP

1шт.

5

07000-63028

O-RING (K2)

SN: 44578-UP

2шт.

6

6127-61-2970

O-RING (K2)

SN: 44578-UP

4шт.

7

01010-30816

BOLT

SN: 44578-UP

8шт.

8

01010-30825

BOLT

SN: 44578-UP

1шт.

9

01580-00806

NUT

SN: 44578-UP

4шт.

10

01602-00825

WASHER,SPRING

SN: 44578-UP

13шт.

11

01640-20816

WASHER

SN: 44578-UP

4шт.

12

07043-00415

PLUG

SN: 44578-UP

1шт.

13

07043-00617

PLUG

SN: 44578-UP

1шт.

14

600-211-5240

CARTRIDGE

SN: .-UP

2шт.

14

0

CARTRIDGE

SN: 44578-.

2шт.

15

6130-52-5810

GASKET (K2)

SN: 44578-UP

1шт.

16

01010-31050

BOLT

SN: 44578-UP

7шт.

17

01010-31045

BOLT

SN: 44578-UP

1шт.

18

01010-31035

BOLT

SN: 44578-UP

1шт.

19

01010-31075

BOLT

SN: 44578-UP

1шт.

20

6112-21-6960

SPACER

SN: 44578-UP

1шт.

21

01602-01030

WASHER,SPRING

SN: 44578-UP

10шт.

22

01640-21016

WASHER

SN: 44578-UP

10шт.

23

6140-61-6512

VALVE,DRAIN

SN: 44578-UP

1шт.

26

600-211-5260

PLATE, CAUTION,(ENGLISH)

SN: 49411-UP

2шт.

Выбрано товаров: 52