Запчасти Komatsu D40A-3 ЭЛЕКТРИКА (/) КОМПОНЕНТЫ ДВИГАТЕЛЯ И ЭЛЕКТРИКА

Схема запчастей Komatsu D40A-3 - ЭЛЕКТРИКА (/) КОМПОНЕНТЫ ДВИГАТЕЛЯ И ЭЛЕКТРИКА
FIT
1:1
100%

Артикул

Название

Примечание

Количество

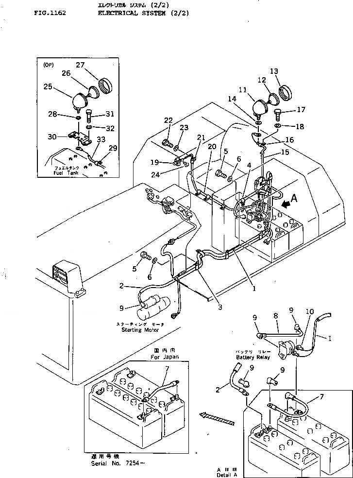
1

120-06-33322

WIRE

SN: 6001-UP

1шт.

2

120-06-31242

WIRE

SN: 6001-UP

1шт.

3

198-61-14180

CLIP

SN: 6001-UP

5шт.

4

08036-01814

CLIP

SN: 6001-UP

1шт.

5

01010-31016

BOLT

SN: 6001-UP

5шт.

6

01602-01030

WASHER,SPRING

SN: 6001-UP

5шт.

7

113-06-21170

WIRE ASS'Y,(FOR JAPAN)

SN: 7254-UP

1шт.

|7

08028-14005

WIRE¤ 50MM

SN: 6001-7253

1шт.

|7

08028-14005

WIRE¤ 50MM,(FOR JAPAN) (OP)

SN: 7254-UP

1шт.

|7

08028-14005

WIRE¤ 50MM,(EXCEPT JAPAN)

SN: 7254-UP

1шт.

8

120-06-31253

WIRE

SN: 6001-UP

1шт.

|8

120-06-33411

WIRE,(FOR 12V 200AH BATTERY) (OP)

SN: 6001-UP

1шт.

9

08038-06031

CAP

SN: 6001-UP

6шт.

10

08038-00518

CAP

SN: 6001-UP

2шт.

11

08128-22400

LAMP ASS'Y

SN: 6001-UP

1шт.

12

08113-02480

BULB¤ 80W

SN: 6001-UP

1шт.

13

08128-00003

HOLDER

SN: 6001-UP

1шт.

14

01640-21426

WASHER

SN: 6001-UP

1шт.

15

120-06-33353

WIRE

SN: 6001-UP

1шт.

16

08035-01510

CLIP

SN: 6001-UP

2шт.

17

01010-31016

BOLT

SN: 6001-UP

2шт.

18

01602-01030

WASHER,SPRING

SN: 6001-UP

2шт.

19

08064-10000

HORN SWITCH,HORN

SN: 6001-UP

1шт.

20

120-06-33382

WIRE

SN: 6001-UP

1шт.

21

08035-01510

CLIP

SN: 6001-UP

5шт.

22

01010-31016

BOLT

SN: 6001-UP

5шт.

23

01602-01030

WASHER,SPRING

SN: 6001-UP

5шт.

24

08038-00518

CAP

SN: 6001-UP

2шт.

25

08128-22400

LAMP ASS'Y,(FOR ADDITIONAL REAR LAMP)

SN: 6001-UP

1шт.

26

08113-02480

BULB¤ 80W,(FOR ADDITIONAL REAR LAMP)

SN: 6001-UP

1шт.

27

08128-00003

HOLDER

SN: 6001-UP

1шт.

28

01640-21426

WASHER,(FOR ADDITIONAL REAR LAMP)

SN: 6001-UP

1шт.

29

08035-01514

CLIP,(FOR ADDITIONAL REAR LAMP)

SN: 6001-UP

2шт.

30

120-04-31141

BRACKET,(FOR ADDITIONAL REAR LAMP)

SN: 6001-UP

1шт.

31

01010-51225

BOLT,(FOR ADDITIONAL REAR LAMP)

SN: 6001-UP

4шт.

32

01602-21236

WASHER,(FOR ADDITIONAL REAR LAMP)

SN: 6001-UP

4шт.

33

120-06-33421

WIRE,(FOR ADDITIONAL REAR LAMP)

SN: 6001-UP

1шт.

Выбрано товаров: 0